电脑桌面
添加小米粒文库到电脑桌面
安装后可以在桌面快捷访问

公路基本表格及用表说明(A、B、C表)VIP免费

公路基本表格及用表说明(A、B、C表)_第1页
1/170
公路基本表格及用表说明(A、B、C表)_第2页
2/170
公路基本表格及用表说明(A、B、C表)_第3页
3/170
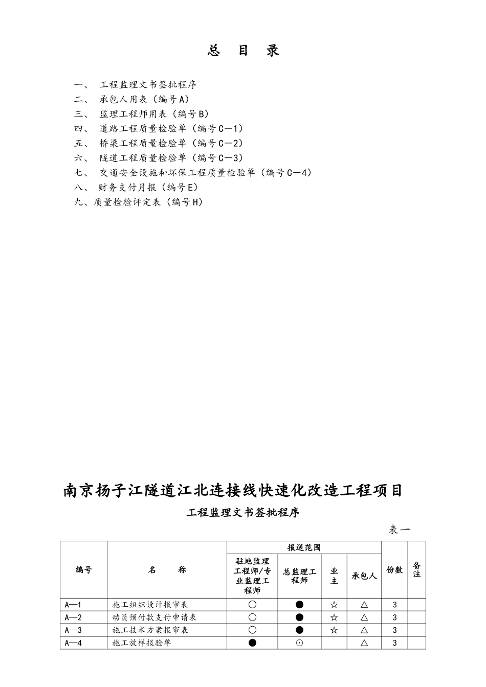
南京扬子江隧道江北连接线快速化改造工程项目基本表格及用表说明南京扬子江隧道江北连接线快速化改造工程指挥部二O一六年五月前言南京扬子江隧道江北连接线快速化改造工程项目基本表格是按照交通部《公路工程施工监理规范》、《公路工程国内招标文件范本》、《南京扬子江隧道江北连接线快速化改造工程项目施工招标文件》和《公路工程质量检验评定标准》编制而成。使用时要按表格要求的项目内容认真填写完整,字迹要求清楚工整,用黑墨水笔或蓝黑墨水笔填写。在用表过程中,若发现表格中的内容、标准及测(试)验规程与中华人民共和国交通部发布的有关规范、测(试)验规程以及与南京扬子江隧道江北连接线快速化改造工程项目项目招标文件的有关条款要求不一致时,应执行交通部发布的规范和测(试)验规程以及南京绕城公路城市化改造工程项目项目招标文件中相关条款的规定,并请将使用过程中存在的问题,及时函告我部,以便及时修订。试验检测用表另行发文。总目录一、工程监理文书签批程序二、承包人用表(编号A)三、监理工程师用表(编号B)四、道路工程质量检验单(编号C-1)五、桥梁工程质量检验单(编号C-2)六、隧道工程质量检验单(编号C-3)七、交通安全设施和环保工程质量检验单(编号C-4)八、财务支付月报(编号E)九、质量检验评定表(编号H)南京扬子江隧道江北连接线快速化改造工程项目工程监理文书签批程序表一编号名称报送范围份数备注驻地监理工程师/专业监理工程师总监理工程师业主承包人A—1施工组织设计报审表○●☆△3A—2动员预付款支付申请表○●☆△3A—3施工技术方案报审表○●☆△3A—4施工放样报验单●⊙△3A—5建筑材料报验单●⊙△3A—6进场设备报验单●⊙△3A—7分包申请-----A—8工程开工申请单○●△3A—8—1分项工程开工申请单○●△3A—9承包人每旬工作计划●⊙△3A—10中间检验申请单●⊙△3A—11工程报验单●⊙△3A—12合同外工程单价申报表○●☆△4A—12—1合同外工程单价申报表(汇总)○●☆△4A—13计日工单价申报表-----A—14材料价格调整申报表-----A—15工程计量表○⊙△3A—16设计变更工程量清单○⊙☆△3A—17合同工程月计量申报表○⊙△3A—18合同外工程月计量申报表○⊙△3A—19计日工月计量申报表A—20索赔申报表○●☆△3A—21复工申请○●☆△3A—22设计变更报审表○●☆△3A—23事故报告单○●△4A—24延长工期申报表○●☆△4A—25竣工报验单○●☆△4A—26缺陷责任期终止工程报验单○●⊙△4A—27承包人申报表(通用)○●△3A—27—1承包人申报表(设计变更)○●☆△4A—27—2承包人申报表(合同外单价)○●☆△4说明:1、承包人发出的文件主送驻地监理工程师2、表中符号:△—发件,○—审查,●—审批,⊙—报备,□—收件,☆—业主确认3、☆—业主确认,通过各类“核备表”予以确认南京扬子江隧道江北连接线快速化改造工程项目工程监理文书签批程序表二编号名称报送范围份数备注驻地监理工程师/专业监理工程师总监理工程师业主承包人A—28承包人回复单●⊙△3A—29设计变更确认函○●☆△4B—1监理工程师通知(通用)△⊙或△□3B—2合同外工程通知单△●□3B—3计日工通知单△△□3B—4设计变更通知△△□3B—5工程检验认可书△⊙□3B—6移交证书△△☆□4B—7缺陷责任期终止证书△△☆□4B—8索赔审批表△●☆□3B—9工程暂时停工指令△●☆□3B—10复工指令△●☆□3B—11现场指令△⊙□3B—12工地指示△⊙□3B—13—1一般变更指令△●☆□3B—13—2重大变更指令△○☆□3B—14工程监理报告单△⊙2B—15监理审核意见表△⊙□2E—1中期支付证书○●☆△4E—2中期支付申请●⊙☆△4E—3清单支付月报表●⊙⊙△4E—4计日工支付报表●⊙⊙△4E—5工程变更一览表●⊙⊙△4E—6合同材料价格调整费汇总表●⊙⊙△4E—7单价变更一览表●⊙⊙△4E—8扣回动员预付款一览表●⊙⊙△4E—9扣回材料设备预付款一览表●⊙⊙△4E—10支付优质优价基金一览表●⊙⊙△4E—11—1合同内中间计量支付汇总表●⊙⊙△4E—11—2合同外中间计量支付汇总表●⊙⊙△4E—12—1合同内中间计量申报明细表●⊙⊙△4E—12—2合同外中间计量申报...

1、当您付费下载文档后,您只拥有了使用权限,并不意味着购买了版权,文档只能用于自身使用,不得用于其他商业用途(如 [转卖]进行直接盈利或[编辑后售卖]进行间接盈利)。
2、本站所有内容均由合作方或网友上传,本站不对文档的完整性、权威性及其观点立场正确性做任何保证或承诺!文档内容仅供研究参考,付费前请自行鉴别。
3、如文档内容存在违规,或者侵犯商业秘密、侵犯著作权等,请点击“违规举报”。

碎片内容

公路基本表格及用表说明(A、B、C表)

确认删除?
VIP
微信客服
  • 扫码咨询
会员Q群
  • 会员专属群点击这里加入QQ群
客服邮箱
回到顶部