电脑桌面
添加小米粒文库到电脑桌面
安装后可以在桌面快捷访问

公路钻孔桩开工报告VIP专享VIP免费

公路钻孔桩开工报告_第1页
1/5
公路钻孔桩开工报告_第2页
2/5
公路钻孔桩开工报告_第3页
3/5
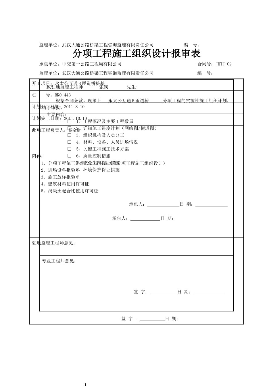
集呼高速公路土建二标分项工程开工报告(BK0+443永太公互通B匝道桥)中交第一公路工程局有限公司2011年8月10日分项工程开工申请批复单承包单位:中交第一公路工程局有限公司合同号:JHTJ-021监理单位:武汉大通公路桥梁工程咨询监理有限责任公司编号:分项工程施工组织设计报审表承包单位:中交第一公路工程局有限公司合同号:JHTJ-02监理单位:武汉大通公路桥梁工程咨询监理有限责任公司编号:致驻地监理工程师张锲先生:根据合同条款,现报上永太公互通B匝道桥分项工程的实施性施工组织计划,请予审批。主要内容:□1、工程概况及主要工程数量□2、详细施工进度计划(网络图/横道图)□3、组织机构及人员分工□4、材料、设备、人员进场情况□5、关键工程施工技术方案□6、质量控制措施□7、安全生产保证措施□8、环境保护保证措施承包人:日期:专业工程师意见:签字:日期:1开工项目:永太公互通B匝道桥桩基桩号:BK0+443计划开工日期:2011.8.10计划完工日期:2011.10.10此项工程负责人:杨金财附件:1、分项工程施工组织设计报审表(附分项工程施工组织设计)2、进场设备报验单3、施工放样报验单4、建筑材料使用许可证5、混凝土配合比使用许可证承包人:日期:驻地监理工程师意见:签字:日期:驻地监理工程师意见:签字:日期:1进场设备报验单承包单位:中交第一公路工程局有限公司合同号:JHTJ-02监理单位:武汉大通公路桥梁工程咨询监理有限责任公司编号:致监理工程师邢和森先生:根据合同要求,下列施工机械设备已经进场,报请验证,并准予使用。承包人:日期:设备名称规格型号数量进场时间技术状况拟用何处机械主要技术指标及生产能力挖掘机CAT22012011.8.10良好永太公互通B匝道桥桩基发电机22011.8.10良好永太公互通B匝道桥桩基装载机LZ5012011.8.10良好永太公互通B匝道桥桩基120砼拌和机12011.8.10良好永太公互通B匝道桥桩基吊车12011.8.10良好永太公互通B匝道桥桩基电焊机102011.8.10良好永太公互通B匝道桥桩基钻机102011.8.10良好永太公互通B匝道桥桩基砼运输车42011.8.10良好永太公互通B匝道桥桩基切断机22011.8.10良好永太公互通B匝道桥桩基调直机32011.8.10良好永太公互通B匝道桥桩基钢筋笼运输车22011.8.10良好永太公互通B匝道桥桩基弯曲机22011.8.10良好永太公互通B匝道桥桩基监理工程师意见:签字:日期:机械负责人:制表:日期:1目录一、人员机械配置……………………………………………………………1二、计划施工日期……………………………………………………………2三、施工方案…………………………………………………………………2四、钻孔桩施工工艺流程图…………………………………………………8五、质量保证措施……………………………………………………………9六、安全保证措施……………………………………………………………9七、文明施工…………………………………………………………………9

1、当您付费下载文档后,您只拥有了使用权限,并不意味着购买了版权,文档只能用于自身使用,不得用于其他商业用途(如 [转卖]进行直接盈利或[编辑后售卖]进行间接盈利)。
2、本站所有内容均由合作方或网友上传,本站不对文档的完整性、权威性及其观点立场正确性做任何保证或承诺!文档内容仅供研究参考,付费前请自行鉴别。
3、如文档内容存在违规,或者侵犯商业秘密、侵犯著作权等,请点击“违规举报”。

碎片内容

公路钻孔桩开工报告

确认删除?
VIP
微信客服
  • 扫码咨询
会员Q群
  • 会员专属群点击这里加入QQ群
客服邮箱
回到顶部