电脑桌面
添加小米粒文库到电脑桌面
安装后可以在桌面快捷访问

中枢神经系统药物的设计性试验VIP专享VIP免费

中枢神经系统药物的设计性试验_第1页
1/6
中枢神经系统药物的设计性试验_第2页
2/6
中枢神经系统药物的设计性试验_第3页
3/6
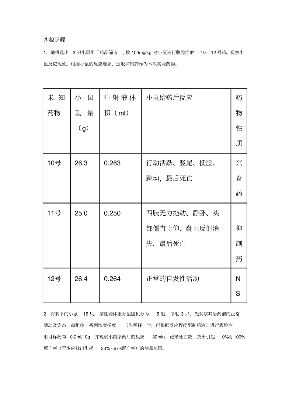
中枢神经抑制药的筛选及其LD50的测定黄悦广东药学院药物制剂(天然药物制剂方向)11级1班摘要:LD50:半数致死量,描述药物毒性或有毒物质的毒性常用指标,LD50是指能杀死一半试验总体之有害物质、有毒物质的剂量。毒性的定量测定是把不同剂量的被试验物质导入老鼠体内。足以使占全体数量50%的个体在试验条件下致死的剂量称为LD50,一般用每公斤体重所使用的毒物毫克数表示。所以,如果大量老鼠试验数据的统计分析表明每公斤1毫克的剂量可使50%试验老鼠致死,对实验老鼠而言,这种毒物的LD50就是1毫克/公斤。虽然人与动物不同,但通过做多种动物的试验,一般对多种动物毒性很低的物质,对人的毒性往往亦很低。所以,测量半数致死量对了解药物对人的毒性有着非常重要的意义。关键词:药物毒性(toxicity)LD50(middleeffectivedose)一实验目的观察目标药物(中枢神经抑制药)一次给予各小鼠后产生的死亡情况,可测得药物的LD50来评定药物的安全性,以及学习药物筛选方法及药物LD50(middleeffectivedose)的测定方法。二实验原理预实验,筛选出目标药物;对15只小鼠给予一系列浓度梯度的抑制药,观察一定时间内的反应和死亡情况,得出Dmin和Dmax大致范围;正式实验,50只小鼠通过分组观察给予不同剂量中枢神经兴奋药,在一定时间内的反应和死亡情况,进一步推测出药物的LD50及其95%可信限,评价该药物安全性。三实验步骤预实验目的初步筛选出具有某种特定作用的药物。初步探索0%和100%引起动物死亡剂量范围,以便正式实验时确定各组剂量。实验动物小鼠18只器材和药品器材:电子称、注射器、针头、烧杯、鼠笼、吸量管药品:10—12号药品实验步骤1、随机选出3只小鼠用于药品筛选,按100mg/kg对小鼠进行腹腔注射10—12号药。观察小鼠反应现象。根据小鼠的反应现象,选取抑制药作为本次实验药物。2、将剩下的小鼠15只,按性别体重分层随机分为5组,每组3只,先观察其给药前的正常活动及姿态,每组按一系列浓度梯度(先稀释一半,再根据反应程度配制药液)进行腹腔注射目标药物0.2ml/10g并观察小鼠给药后的反应30min,记录死亡数,找出引起0%及100%死亡率(至少应找出引起33%~67%死亡率)的剂量范围。未知药物小鼠重量(g)注射液体积(ml)小鼠给药后反应药物性质10号26.30.263行动活跃、竖尾、抚脸、跳动,最后死亡兴奋药11号25.00.250四肢无力拖动、静卧、头部僵直上仰、翻正反射消失,最后死亡抑制药12号26.40.264正常的自发性活动NS3、记录实验数据,并通过死亡小鼠的数目和死亡时间初步推测出该中枢神经抑制药的LD0和LD100。实验结果与结论1、根据小鼠的药后反应,可判断10号药物为中枢神经兴奋药,11号药物为中枢神经抑制药,12号药物为生理盐水,故选择11号药物为目标药物进行后续实验研究。2、当剂量为70mg/kg时,小鼠全部死亡,由此得Dmax=70mg/kg。3、当剂量为35mg/kg时,小鼠全部存活,即得Dmin=35mg/kg。结论:初步确定LD0为35mg/kg,LD100为70mg/kg。正式实验实验目的50只小鼠通过分组观察给予不同剂量中枢神经抑制药,在一定时间内的反应和死亡情况,进一步推测出药物的LD50及其95%可信限,评价该药物安全性。实验动物雄性小鼠50只,实施组别死亡率100%给药剂量(mg/kg)67%0%给药后反应100%100%甲100均表现为四肢无力拖动、静卧,之后头部僵直上仰,翻正反射消失,呼吸停止后还有间歇性抽搐。最后3只小鼠全部死亡,平均死亡乙50均表现为四肢无力拖动、静卧,之后头部僵直上仰,翻正反射消失,其中2只呼吸停止后还有间歇性抽搐,最终死亡,平均死亡时间丙35均表现为四肢无力拖动、静卧,之后头部僵直上仰,翻正反射消失,30min后3只小鼠均存活丁75均表现为四肢无力拖动、静卧,之后头部僵直上仰,翻正反射消失,呼吸停止后还有间歇性抽搐。最后3只小鼠全部死亡,平均死亡戊70均表现为四肢无力拖动、静卧,之后头部僵直上仰,翻正反射消失,呼吸停止后还有间歇性抽搐。最后3只小鼠全部死亡,平均死亡实验器材与药品器材:小鼠体重称、注射器、针头、烧杯、鼠笼药品:预实验中的中枢兴奋药,药品浓度75mg/ml实验步骤1、将所有小鼠进行标号称重。将50只小鼠按重量随机分为5组。...

1、当您付费下载文档后,您只拥有了使用权限,并不意味着购买了版权,文档只能用于自身使用,不得用于其他商业用途(如 [转卖]进行直接盈利或[编辑后售卖]进行间接盈利)。
2、本站所有内容均由合作方或网友上传,本站不对文档的完整性、权威性及其观点立场正确性做任何保证或承诺!文档内容仅供研究参考,付费前请自行鉴别。
3、如文档内容存在违规,或者侵犯商业秘密、侵犯著作权等,请点击“违规举报”。

碎片内容

中枢神经系统药物的设计性试验

确认删除?
VIP
微信客服
  • 扫码咨询
会员Q群
  • 会员专属群点击这里加入QQ群
客服邮箱
回到顶部