电脑桌面
添加小米粒文库到电脑桌面
安装后可以在桌面快捷访问

公司组织机构管理制度VIP专享VIP免费

公司组织机构管理制度_第1页
1/6
公司组织机构管理制度_第2页
2/6
公司组织机构管理制度_第3页
3/6
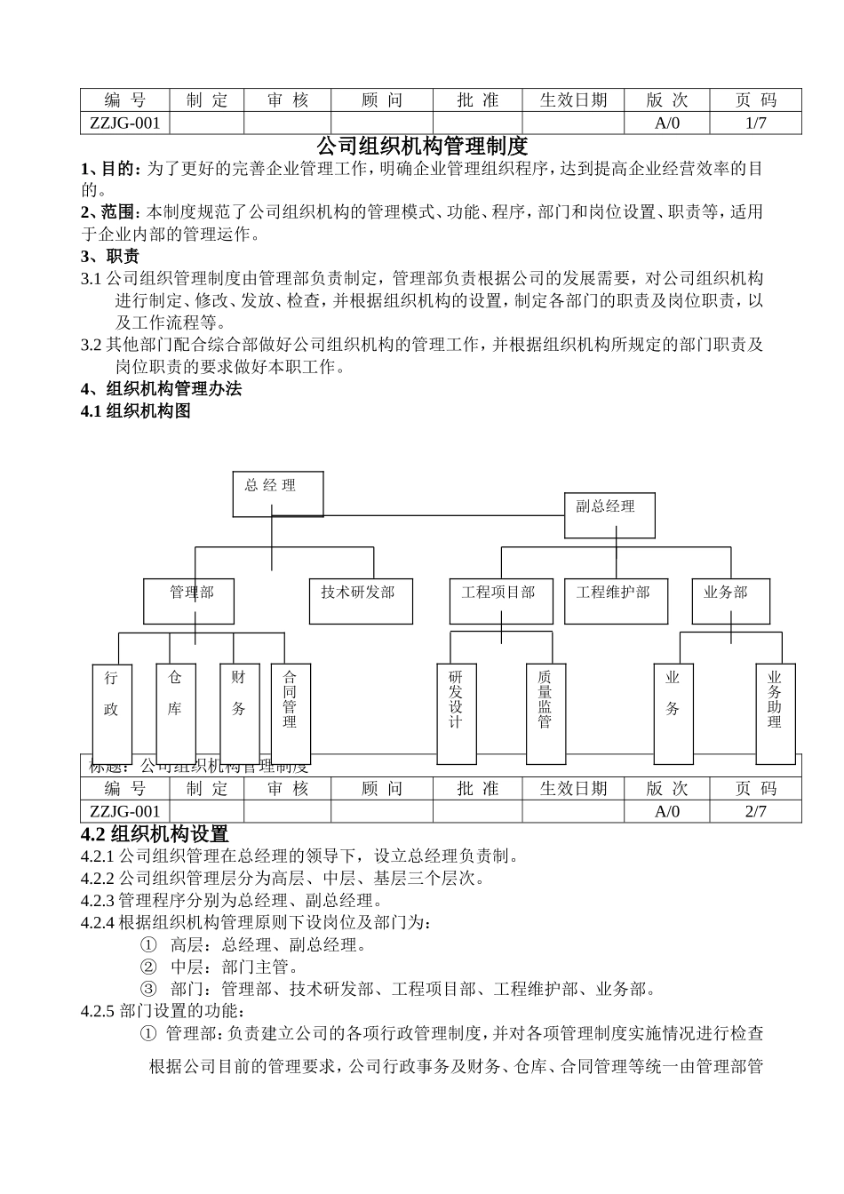
管理制度标题:公司组织机构管理制度编号:ZZJG-001版次:A/0发布日期:制定:审核:顾问:批准:XXXX有限公司(管理部)XX年XX月标题:公司组织机构管理制度编号制定审核顾问批准生效日期版次页码ZZJG-001A/01/7公司组织机构管理制度1、目的:为了更好的完善企业管理工作,明确企业管理组织程序,达到提高企业经营效率的目的。2、范围:本制度规范了公司组织机构的管理模式、功能、程序,部门和岗位设置、职责等,适用于企业内部的管理运作。3、职责3.1公司组织管理制度由管理部负责制定,管理部负责根据公司的发展需要,对公司组织机构进行制定、修改、发放、检查,并根据组织机构的设置,制定各部门的职责及岗位职责,以及工作流程等。3.2其他部门配合综合部做好公司组织机构的管理工作,并根据组织机构所规定的部门职责及岗位职责的要求做好本职工作。4、组织机构管理办法4.1组织机构图标题:公司组织机构管理制度编号制定审核顾问批准生效日期版次页码ZZJG-001A/02/74.2组织机构设置4.2.1公司组织管理在总经理的领导下,设立总经理负责制。4.2.2公司组织管理层分为高层、中层、基层三个层次。4.2.3管理程序分别为总经理、副总经理。4.2.4根据组织机构管理原则下设岗位及部门为:①高层:总经理、副总经理。②中层:部门主管。③部门:管理部、技术研发部、工程项目部、工程维护部、业务部。4.2.5部门设置的功能:①管理部:负责建立公司的各项行政管理制度,并对各项管理制度实施情况进行检查根据公司目前的管理要求,公司行政事务及财务、仓库、合同管理等统一由管理部管总经理管理部技术研发部副总经理工程项目部工程维护部业务部行政仓库财务合同管理研发设计质量监管业务业务助理理。②技术研发部:负责公司技术研发。③工程维护部:负责公司产品的维护,退换货及客诉的处理。④工程项目部:负责公司项目的安装指导、调试,下设调试和设计。⑤业务部:负责公司项目的业务开拓和应收账款的追踪,分业务员和业务助理。5、部门职责、岗位职责5.1总经理职责5.1.1负责公司全面经营管理工作;5.1.2制订公司发展规划,组织实施公司经营计划和投资方案;5.1.3组织实施公司内部人事、财务经营管理的设置方案;5.1.4组织实施公司章程;5.1.5公共社会关系处理;5.1.6负责公司采购管理工作;5.1.7负责公司管理人员的任免。5.2副总经理职责5.2.1在总经理的领导下,负责公司日常管理工作;5.2.2负责公司经营计划的实施并监督各部门计划实施的落实;5.2.3负责检查各项制度的落实情况;5.2.4负责制定公司业务开拓计划和实施;5.2.5负责公司工程项目的管理并指导监督各部门主管的工作情况;5.2.6负责公司项目、维护、业务人员的聘用、培训、考核、奖惩、降级、辞退等;5.2.8负责配合总经理做好其他方面的工作。5.3管理部职责5.3.1在总经理的领导下,负责管理部的日常管理工作;5.3.2负责建立公司的各项管理制度,并对制度的实施情况进行检查;5.3.3负责公司的行政、人事管理工作;5.3.4负责公司员工考勤及工资核定;5.3.5负责公司的办公用品采购和管理;5.3.6负责公司档案管理工作;5.3.7负责公司外来人员的接待;5.3.8负责公司对外事务的联络;5.3.9协助其他部门做好行政事务的处理;5.3.10负责公司会议的安排;5.3.11负责公司财务的管理;5.3.12负责公司仓库管理;标题:公司组织机构管理制度编号制定审核顾问批准生效日期版次页码ZZJG-001A/03/75.3.13负责公司合同管理。5.4行政(人事)职责5.4.1负责公司员工的聘用、培训、考核、奖惩、晋升、降级、离职;5.4.2负责公司员工薪资、福利的分配与发放;5.4.3负责公司考勤、卫生、安全等;5.4.4负责公司会议的召集、记录及会议决议的监督执行;5.4.5负责公司办公用品的管理与发放,并对公司财产进行管理;5.4.6负责公司行政文件的打印、复印、整理和归档;5.4.7负责公司日常文件的起草,表单的制作;5.4.8负责公司对外事务及证件的办理;5.4.9协助处理总经理、副总经理临时交办的其他事项。5.5财务职责5.5.1根据合法、有效的原始凭证,编制记账凭证;5.5.2做好明细账的登录、核对工作;5.5.3根据管理需要,提供各种管理报表所需要的资料;5...

1、当您付费下载文档后,您只拥有了使用权限,并不意味着购买了版权,文档只能用于自身使用,不得用于其他商业用途(如 [转卖]进行直接盈利或[编辑后售卖]进行间接盈利)。
2、本站所有内容均由合作方或网友上传,本站不对文档的完整性、权威性及其观点立场正确性做任何保证或承诺!文档内容仅供研究参考,付费前请自行鉴别。
3、如文档内容存在违规,或者侵犯商业秘密、侵犯著作权等,请点击“违规举报”。

碎片内容

公司组织机构管理制度

确认删除?
VIP
微信客服
  • 扫码咨询
会员Q群
  • 会员专属群点击这里加入QQ群
客服邮箱
回到顶部