电脑桌面
添加小米粒文库到电脑桌面
安装后可以在桌面快捷访问

第2章 存款业务的核算练习答案VIP免费

第2章  存款业务的核算练习答案_第1页
1/11
第2章  存款业务的核算练习答案_第2页
2/11
第2章  存款业务的核算练习答案_第3页
3/11
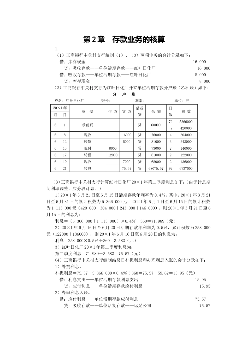
第2章存款业务的核算1.(1)工商银行中关村支行编制(1)、(3)两项业务的会计分录如下:借:库存现金16000贷:吸收存款——单位活期存款——红叶日化厂16000借:吸收存款——单位活期存款——红叶日化厂8000贷:库存现金8000(2)工商银行中关村支行为红叶日化厂开立单位活期存款分户账(乙种账)如下:分户账户名:红叶日化厂账号:利率:单位:元20×1年摘要借方贷方借或贷余额日数积数月日61承前页贷60000727536600042000068现收16000贷760004304000612转贷5000贷810003243000615现付8000贷730002146000617转借12000贷610002122000619现收7000贷680002136000621转息75.57贷68075.57926737000(3)工商银行中关村支行计算红叶日化厂20×1年第二季度利息如下:(由于计息期间利率调整,应分段计息。)1)20×1年3月21日至6月15日活期存款年利率为0.4%,其中,20×1年3月21日至5月31日的累计积数为5366000元;20×1年6月1日至6月15日的累计积数为1113000元(420000+304000+243000+146000),则20×1年3月21日至6月15日的利息为:利息=(5366000+1113000)×0.4%÷360=71.989(元)2)20×1年6月16日至6月20日活期存款年利率为0.5%,累计积数为258000元(122000+136000),则20×1年6月16日至6月20日的利息为:利息=258000×0.5%÷360=3.583(元)3)红叶日化厂20×1年第二季度利息为:第二季度利息=71.989+3.583=75.57(元)(4)工商银行中关村支行编制结息日补提利息和办理利息入账的会计分录如下:1)补提利息。补提利息=75.57-5366000×0.4%÷360=75.57-59.62=15.95(元)借:利息支出——单位活期存款利息支出15.95贷:应付利息——单位活期存款应付利息15.952)办理利息入账。借:应付利息——单位活期存款应付利息75.57贷:吸收存款——单位活期存款——远足公司75.572.建设银行西单支行有关账务处理如下:(1)编制雨田公司定期存款存入的会计分录。借:吸收存款——单位活期存款——雨田公司80000贷:吸收存款——单位定期存款——雨田公司80000(2)编制每月月末计提利息的会计分录。1)2011年12月31日,计提利息。应提利息费用=80000×27×3.5%÷360=210(元)借:利息支出——单位定期存款利息支出210贷:应付利息——单位定期存款应付利息——雨田公司2102)2012年1月31日,计提利息。应提利息费用=80000×1×3.5%÷12=233.33(元)借:利息支出——单位定期存款利息支出233.33贷:应付利息——单位定期存款应付利息——雨田公司233.33以后约定存期内每月月末计提利息的处理与2012年1月31日相同。……(3)2012年12月5日,编制有关到期支取的会计分录。1)补提利息。到期应付利息=80000×1×3.5%=2800(元)已提利息=210+233.33×11=2776.63(元)补提利息=2800-2776.63=23.37(元)借:利息支出——单位定期存款利息支出23.37贷:应付利息——单位定期存款应付利息——雨田公司23.372)支付本息。借:吸收存款——单位定期存款——雨田公司80000应付利息——单位定期存款应付利息——雨田公司2800贷:吸收存款——单位活期存款——雨田公司82800(4)2012年4月12日,编制有关全部提前支取的会计分录。1)冲销利息。全部提前支取应付利息=80000×4×0.5%÷12+80000×7×0.5%÷360=141.11(元)已提利息=210+233.33×3=909.99(元)冲销利息=909.99-141.11=768.88(元)借:应付利息——单位定期存款应付利息——雨田公司768.88贷:利息支出——单位定期存款利息支出768.882)支付全部提前支取本息。借:吸收存款——单位定期存款——雨田公司80000应付利息——单位定期存款应付利息——雨田公司141.11贷:吸收存款——单位活期存款——雨田公司80141.11(5)2012年6月26日,编制有关部分提前支取的会计分录。1)冲销利息。部分提前支取应付利息=50000×6×0.5%÷12+50000×21×0.5%÷360=139.58(元)提前支取部分已提利息=(210+233.33×5)×(50000÷80000)=860.41(元)冲销利息=860.41-139.58=720.83(元)借:应付利息——单位定期存款应付利息——雨田公司720.83贷:利息支出——单位定期存款利...

1、当您付费下载文档后,您只拥有了使用权限,并不意味着购买了版权,文档只能用于自身使用,不得用于其他商业用途(如 [转卖]进行直接盈利或[编辑后售卖]进行间接盈利)。
2、本站所有内容均由合作方或网友上传,本站不对文档的完整性、权威性及其观点立场正确性做任何保证或承诺!文档内容仅供研究参考,付费前请自行鉴别。
3、如文档内容存在违规,或者侵犯商业秘密、侵犯著作权等,请点击“违规举报”。

碎片内容

第2章 存款业务的核算练习答案

您可能关注的文档

确认删除?
VIP
微信客服
  • 扫码咨询
会员Q群
  • 会员专属群点击这里加入QQ群
客服邮箱
回到顶部