电脑桌面
添加小米粒文库到电脑桌面
安装后可以在桌面快捷访问

中药行业分析评价报告VIP免费

中药行业分析评价报告_第1页
1/50
中药行业分析评价报告_第2页
2/50
中药行业分析评价报告_第3页
3/50
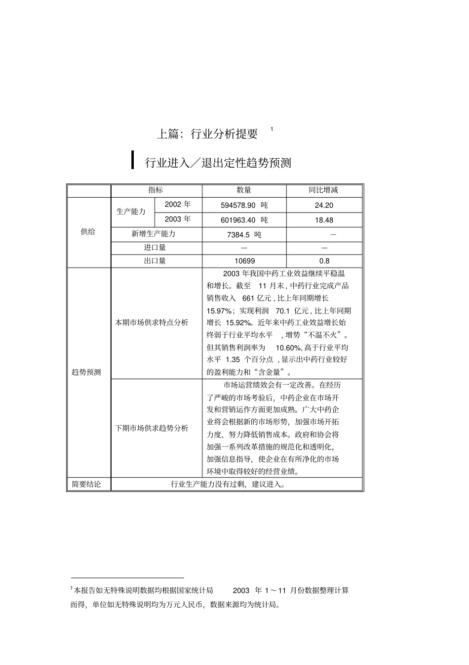
目录上篇:行业分析提要1I行业进入/退出定性趋势预测1II行业进入/退出指标分析3一、行业平均利润率分析3二、行业规模分析3三、行业集中度分析3四、行业效率分析4五、盈利能力分析4六、营运能力分析4七、偿债能力分析4八、发展能力分析5九、成本结构分析5十、贷款建议7III行业风险揭示、政策分析及负面信息8一、风险揭示8二、政策分析9三、负面信息10IV行业动态跟踪分析评价12一、行业运行情况12二、行业强势、弱势、机会与风险(SWOT)13三、行业经济运行指标14V龙头/重点联系企业分析15一、龙头/重点联系企业财务指标15二、企业在全国各地的分布15VI资本市场及同业动态18下篇:行业分析说明21I行业分析21一、行业运行分析21二、行业政策分析31三、新技术、新产品、新工艺35四、上下游行业影响35五、国际市场情况40六、行业发展趋势43II企业分析49一、企业整体情况分析49二、企业(按规模)区域分布51III市场产品分析63一、主要产品生产情况63二、主要产品价格变动趋势63IV区域热点分析64一、各路热钱流向中医药64二、国内首批中药材基地通过GAP检查65三、贵州大力资助中药现代化科技产业66四、江苏中研院成为国家专利产业化试点基地67五、上海首批绿色中药诞生67上篇:行业分析提要1I行业进入/退出定性趋势预测指标数量同比增减供给生产能力2002年594578.90吨24.202003年601963.40吨18.48新增生产能力7384.5吨-进口量——出口量106990.8趋势预测本期市场供求特点分析2003年我国中药工业效益继续平稳温和增长。截至11月末,中药行业完成产品销售收入661亿元,比上年同期增长15.97%;实现利润70.1亿元,比上年同期增长15.92%。近年来中药工业效益增长始终弱于行业平均水平,增势“不温不火”。但其销售利润率为10.60%,高于行业平均水平1.35个百分点,显示出中药行业较好的盈利能力和“含金量”。下期市场供求趋势分析市场运营绩效会有一定改善。在经历了严峻的市场考验后,中药企业在市场开发和营销运作方面更加成熟。广大中药企业将会根据新的市场形势,加强市场开拓力度,努力降低销售成本。政府和协会将加强一系列改革措施的规范化和透明化,加强信息指导,使企业在有所净化的市场环境中取得较好的经营业绩。简要结论行业生产能力没有过剩,建议进入。1本报告如无特殊说明数据均根据国家统计局2003年1~11月份数据整理计算而得,单位如无特殊说明均为万元人民币,数据来源均为统计局。企业指标参考2净资产利润自然排序法较好值24337.001805.00中间值7597.00301.00较差值1840.000.00算术平均法较好值159754.0129498.98中间值35084.394409.05较差值5819.23-91.392该项指标根据统计局2002年末全国18万家工业企业统计数据计算整理而的,仅供参考。自然排序法三个值分别为序列中分别处1/4、2/4、3/4位置企业数值;算术平均法分别为所有企业平均水平、平均线上所有企业平均水平、平均线下所有企业水平。II行业进入/退出指标分析一、行业平均利润率分析平均利润率与全行业比较与top10比较与全部工业行业比较行业5.431.000.621.23top108.751.611.001.99全部工业行业4.400.810.501.00二、行业规模分析(一)本行业与整个工业之间的规模总量比较规模指标本行业A全部工业行业B与全部工业行业相比A/B(%)总资产12925486.301648013687.600.78利润701294.2072516479.800.97销售收入6609581.101245785800.800.53从业人数348365.0056524091.000.62(二)行业不同规模企业与整个行业之间的规模总量比较规模指标总资产利润销售收入从业人数全行业12925486.3701294.206609581348365Top101936458169382.10146084334544三、行业集中度分析Top10(%)销售集中度22.10资产集中度14.98利润集中度24.15四、行业效率分析单位:元本行业a全部工业行业b与全部工业行业相比a/b(%)每万元资产利润542.57440.02123.30每万元固定资产利润2481.711126.77220.25人均利润20131.0212829.30156.91五、盈利能力分析本行业A全部工业行业B与全部工业行业相比a/b(%)净资产收益率(%)7.337.24101.24总资产报酬率(%)6.355.55114.34销售利润率(%)0.437.056.09成本费用利润率(%)11.816.28188.00六、营运能力分析本行业A全...

1、当您付费下载文档后,您只拥有了使用权限,并不意味着购买了版权,文档只能用于自身使用,不得用于其他商业用途(如 [转卖]进行直接盈利或[编辑后售卖]进行间接盈利)。
2、本站所有内容均由合作方或网友上传,本站不对文档的完整性、权威性及其观点立场正确性做任何保证或承诺!文档内容仅供研究参考,付费前请自行鉴别。
3、如文档内容存在违规,或者侵犯商业秘密、侵犯著作权等,请点击“违规举报”。

碎片内容

中药行业分析评价报告

您可能关注的文档

确认删除?
VIP
微信客服
  • 扫码咨询
会员Q群
  • 会员专属群点击这里加入QQ群
客服邮箱
回到顶部