电脑桌面
添加小米粒文库到电脑桌面
安装后可以在桌面快捷访问

供应商质保协议VIP免费

供应商质保协议_第1页
1/12
供应商质保协议_第2页
2/12
供应商质保协议_第3页
3/12
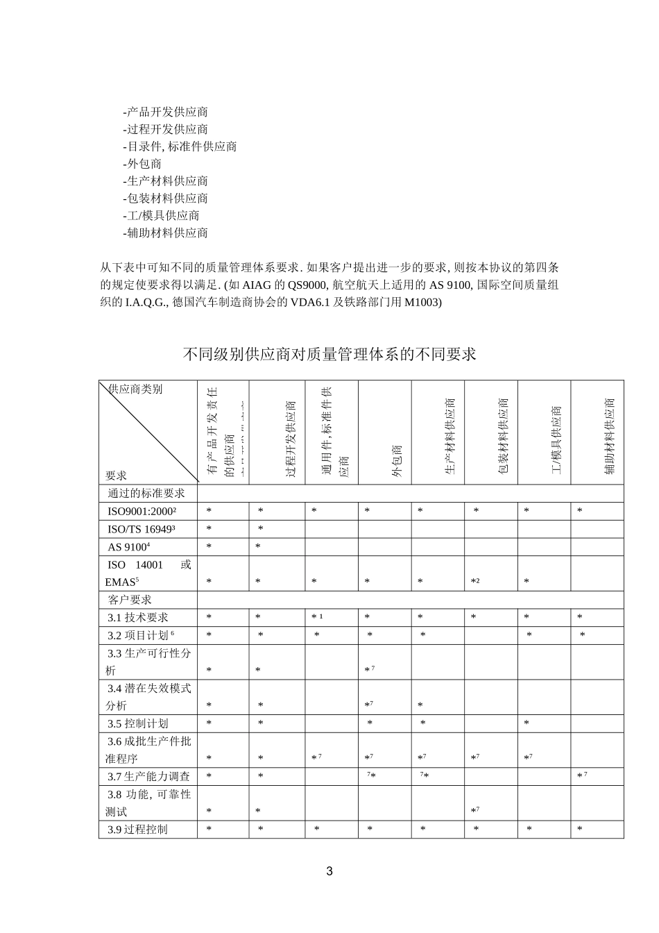
供应商质保协议(以下简称供应商)与(以下简称客户)就质量管理体系的实施,确保产品的开发和质量保证与供应商所达成的质量保证协议前言我们的产品质量决定了我们在国际市场的竞争能力和地位.我们所采购的产品(原材料,部件,辅助材料和生产原料以及工/模具)的完整性和可靠性将直接影响到产品质量.为了保证产品质量,供应商要建立一个适时的,行之有效的质量管理体系.质量保证协议是指客户与供应商之间达成的,以合同规定的形式规定的,关于技术与组织的框架条件,这些条件是实现质量目标必不可少的.质量协议在质量保证方面向供应商的管理体系提出了最低要求.签定质量保证协议是成为一个战略供应商必不可缺少的条件。目录1供应商对所供产品的质量和服务承担的责任32质量管理体系要求32.1概述32.2客户质量管理体系要求32.3质量管理体系证明52.4客户对质量管理体系,过程和产品质量进行审核53前提条件与措施53.1技术要求53.2项目计划53.3产品生产可行性分析63.4潜在缺陷分析63.5控制计划63.6生产件批准程序63.7生产能力调查63.8功能,可靠性及寿命试验73.9过程控制和批量生产检测73.9.1统计技术的体系应用/过程控制的步骤73.9.2抽样尺寸和检测频率73.10出现缺陷时供应商所采取的措施73.10.1特别许可813.10.2产品的返工83.10.3发货后发现缺陷时供应商所采取的措施83.11供应商进行的产品终审83.12发货标记83.12.1新规格的应用83.12.2发货单批次号的说明93.13包装93.14员工培训93.15质量记录存档93.16检测工具93.17环境,安全与再利用93.18检查已交货的合同产品103.19投诉分析103.20发货表现103.21更改通知104其它协议115参考文件116质量保证协议的其它部分117承诺声明121.供应商对所供产品质量和服务的责任根据第3.1条供应商负责按技术资料的要求准确无误的生产出产品,并检查文件是否完整正确,如有必要,向客户索要更详细的信息.研发过程中,供应商应向客户了解对产品生产的要求和安装环境.供应商的质量文件要围绕他的产品,服务和过程不断调整和提高.目标是”零缺陷”和100%的发货满意度及降低成本.如果供应商有分供商,那么供应商应应对所购产品的质量负全部责任,也要为此向分供商提出质量保证要求.这份质量保证协议并不会免除供应商对其他产品所负的全部责任,并不会与由此可能产生的问题脱离干系.2.质量管理体系要求2.1概述为履行责任,供应商要按照ISO9001最新版本建立和使用一个适合其的组织和企业规模的有效的质量管理体系.这一国际标准是质量管理体系的基本要求,并通过行业和客户的标准得以补充(见下一页表格)2.2客户的质量管理体系要求客户对质量管理体系的要求有以下几个基本标准.要求视供应商等级和产品风险性而定.客户将供应商按以下等级分类:2-产品开发供应商-过程开发供应商-目录件,标准件供应商-外包商-生产材料供应商-包装材料供应商-工/模具供应商-辅助材料供应商从下表中可知不同的质量管理体系要求.如果客户提出进一步的要求,则按本协议的第四条的规定使要求得以满足.(如AIAG的QS9000,航空航天上适用的AS9100,国际空间质量组织的I.A.Q.G.,德国汽车制造商协会的VDA6.1及铁路部门用M1003)不同级别供应商对质量管理体系的不同要求供应商类别要求有产品开发责任的供应商产品开发供应商过程开发供应商通用件,标准件供应商外包商生产材料供应商包装材料供应商工/模具供应商辅助材料供应商通过的标准要求ISO9001:2000²********ISO/TS16949³**AS91004**ISO14001或EMAS5******²*客户要求3.1技术要求***¹*****3.2项目计划6*******3.3生产可行性分析***73.4潜在失效模式分析***7*3.5控制计划*****3.6成批生产件批准程序***7*7*7*7*73.7生产能力调查**7*7**73.8功能,可靠性测试***73.9过程控制********33.10纠正措施********3.11成品检查********3.12发货标记********3.13包装********3.14员工培训********3.15存档********3.16检测设备******3.17环境,安全********3.18来料检测********3.19投诉分析********3.20发货表现********3.21更改通知*******注释说明:1供应商自己负责完成技术资料2.对供应商质量管理体系的最低要求.在特殊情况下,供应商可以通过特殊许可被认可3.所有供应商的目标是通...

1、当您付费下载文档后,您只拥有了使用权限,并不意味着购买了版权,文档只能用于自身使用,不得用于其他商业用途(如 [转卖]进行直接盈利或[编辑后售卖]进行间接盈利)。
2、本站所有内容均由合作方或网友上传,本站不对文档的完整性、权威性及其观点立场正确性做任何保证或承诺!文档内容仅供研究参考,付费前请自行鉴别。
3、如文档内容存在违规,或者侵犯商业秘密、侵犯著作权等,请点击“违规举报”。

碎片内容

供应商质保协议

您可能关注的文档

确认删除?
VIP
微信客服
  • 扫码咨询
会员Q群
  • 会员专属群点击这里加入QQ群
客服邮箱
回到顶部