电脑桌面
添加小米粒文库到电脑桌面
安装后可以在桌面快捷访问

供应商质量绩效管理办法VIP免费

供应商质量绩效管理办法_第1页
1/3
供应商质量绩效管理办法_第2页
2/3
供应商质量绩效管理办法_第3页
3/3
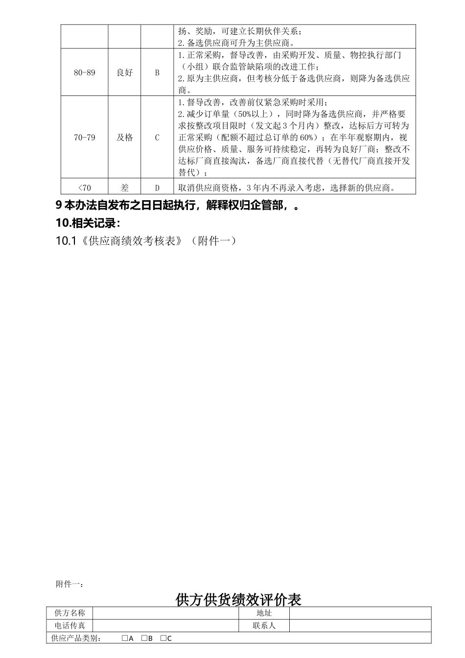
供应商质量绩效管理办法1目的为加强对供应商的评估管理,对现有主供应商的日常表现进行定期监控并考核,促进供应商提升供应水平,实现监控供应商质量状态、识别风险,以实现供应商质量保证能力的持续提高。2范围外部供方。3术语和定义(无)4职责4.1质保部是本文件归口管理部门,负责组织供应商绩效评价标准的制定;负责收集、汇总质量信息;负责评价结果的形成、审批及传递工作。4.2质保部负责监督检验、制造过程等环节的质量信息的收集及传递,确保及时性及正确性。4.3购销部负责市场质量信息的收集及传递,确保及时性及正确性。5考评指标:质量体系、供方文件、质量协议、供货质量、交付期、自检报告、价格服务、其他情况。6考评方法设定基础分,按评分标准在基础分上加份或扣分,具体见《供应商绩效考核表》(附件一)。7评估周期及时间每公历年度半年一次,对于重要供应商每年进行一次实地评审,以考察供应商的发展态势。每年1月初对上年7-12月的绩效情况进行考核,每年的7月初对当年1-6月的绩效情况进行考核。8供应商等级评定标准及处理办法综合分数评价级别措施90-100优秀A1.优秀供应商,可给予长期订单或加大订单分配比率,公开表扬、奖励,可建立长期伙伴关系;2.备选供应商可升为主供应商。80-89良好B1.正常采购,督导改善,由采购开发、质量、物控执行部门(小组)联合监管缺陷项的改进工作;2.原为主供应商,但考核分低于备选供应商,则降为备选供应商。70-79及格C1.督导改善,改善前仅紧急采购时采用;2.减少订单量(50%以上),同时降为备选供应商,并严格要求按整改项目限时(发文起3个月内)整改,达标后方可转为正常采购(配额不超过总订单的60%);在半年观察期内,视供应价格、质量、服务可持续稳定,再转为良好厂商;整改不达标厂商直接淘汰,备选厂商直接代替(无替代厂商直接开发替代);<70差D取消供应商资格,3年内不再录入考虑,选择新的供应商。9本办法自发布之日日起执行,解释权归企管部,。10.相关记录:10.1《供应商绩效考核表》(附件一)附件一:供方供货绩效评价表供方名称地址电话传真联系人供应产品类别:□A□B□C进货物资质量控制方式:□进货检验□供方自检报告□商检证明□本公司到供方现场验证评价项目分值评价方法实际计算得分质量体系5通过ISO9001:2015质量管理体系认证,且在有效期内的得5分,证书有效期过期未补办的扣2分,无证书的得0分。通过ISO14000或ISO18000之一的加1分,同时都通过的加2分。通过ISO/TS16949:2016的加5分。□有ISO9001:2015证书=5分□证书过期扣2分□有ISO14000证书加1分□有ISO18000证书加1分□有ISO/TS16949:2016证书加5分该项评价得分=()分供方文件3供方调查表、材料标准、营业执照齐全的得3分,营业执照过期或所提供材料不在经营范围内的扣0.5分。列入公司危险化学品目录的产品,不能提供《安全说明书》的扣0.5分。□有供方调查表=1分□有材料标准=1分□有营业执照=1分□营业执照过期扣0.5分□材料不在经营范围内扣0.5分□无危险化学品《安全说明书》扣0.5分该项评价得分=()分质量协议2签署质量保证协议的得2分,拒不签署质量保证协议的得0分。□已签协议=2分□未签协议=0分供货质量50①(合格批次/到货总批次)×50②有一次不合格,让步接收的扣1分,退货的扣2分。③经入厂材料检验,不合格产品发生时,不按《质量信息反馈单》进行整改的,或原因分析不清,无整改措施/不按措施整改的,或整改后重复发生,发现一次扣1分。①质量得分=()/()×50=50分②质量扣分=分③质量扣分=分扣分原因描述:该项评价得分=①-②-③=()分交付期20(按合同时间及数量交付批次/到货总批次)×20年度供货批次=()次及时到货批次=()次该项评价得分=【()/()】×20=()分自检报告10供方在供货时,产品发货的同时应及时提供随批自检报告单,最晚不超过到货日的一个工作周。每批产品在规定期限内无随批自检报告单扣1分,自检报告单提供不及时扣1分,或自检报告单超过一个工作周的扣0.5分。①到货批次数=()次②无随批自检报告单次数=()次③自检报告单提供不及时批次数=()次扣分原因描述:该项评价得分=1...

1、当您付费下载文档后,您只拥有了使用权限,并不意味着购买了版权,文档只能用于自身使用,不得用于其他商业用途(如 [转卖]进行直接盈利或[编辑后售卖]进行间接盈利)。
2、本站所有内容均由合作方或网友上传,本站不对文档的完整性、权威性及其观点立场正确性做任何保证或承诺!文档内容仅供研究参考,付费前请自行鉴别。
3、如文档内容存在违规,或者侵犯商业秘密、侵犯著作权等,请点击“违规举报”。

碎片内容

供应商质量绩效管理办法

您可能关注的文档

确认删除?
VIP
微信客服
  • 扫码咨询
会员Q群
  • 会员专属群点击这里加入QQ群
客服邮箱
回到顶部