电脑桌面
添加小米粒文库到电脑桌面
安装后可以在桌面快捷访问

主要行业污染物排放系数参照表讲解VIP免费

主要行业污染物排放系数参照表讲解_第1页
1/50
主要行业污染物排放系数参照表讲解_第2页
2/50
主要行业污染物排放系数参照表讲解_第3页
3/50
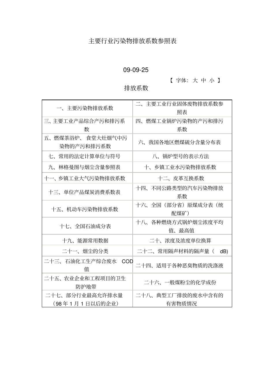
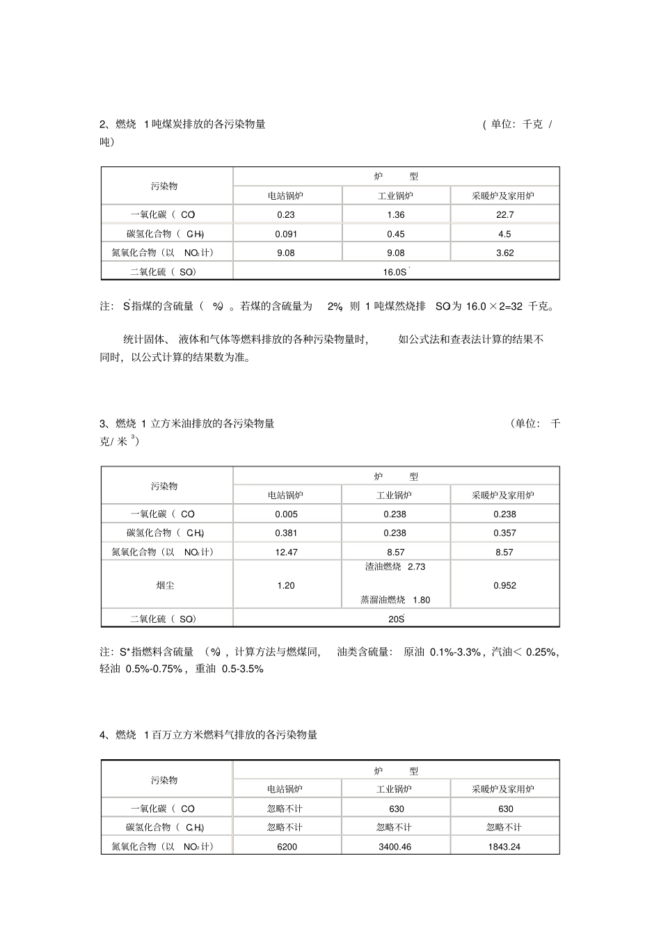
主要行业污染物排放系数参照表09-09-25【字体:大中小】排放系数一、主要污染物排放系数二、主要工业行业固体废物排放系数参照表三、主要工业产品综合产污和排污系数四、燃煤工业锅炉污染物的产污和排污系数五、燃煤茶浴炉、食堂大灶烟气中污染物的产污和排污系数六、我国各地区燃煤硫分含量分布表七、常用的法定计算单位与符号八、锅炉型号的表示方法九、林格曼图与烟尘含量参照表十、乡镇工业水污染物排放系数十一、乡镇工业大气污染物排放系数十二、皮革互换系数十三、单位产品煤炭消费系数表十四、不同公路类型的汽车污染物排放系数十五、机动车污染物排放系数十六、全国(部分省)原煤成分表(统配煤矿)十七、全国石油成分表十八、各种燃烧方式锅炉烟尘浓度平均值、最高值十九、能源常用数据二十、浓度及浓度单位换算二十一、烟尘的分类二十二、常用隔声材料的隔声量(dB)二十三、石油化工生产综合废水COD值二十四、适用于各种恶臭物质的洗涤液二十五、农业企业和工程项目的卫生防护地带二十六、一般煤粉尘的化学成份二十七、部分行业最高允许排水量(98年1月1日以后的企业)二十八、典型工厂排放的废水中含有的有害物质情况一、主要污染物排放系数(一)燃料燃烧过程中的污染物排放系数1、每吨蒸气所产生的烟气量[单位:米3/(时·吨)]燃烧方式a排烟温度(oc)150200250300350400层燃炉1.55230025702840338036604190沸腾炉一般煤种1.55230025702840矸石1.45230025702840煤粉炉1.55210023602620油炉1.45210023602620若锅炉尾部的实际过剩空气系数a值与表内数值不同时,并要将排烟量换算为标准状态下的排烟量,可按下式计算:GNm=a/a'VD273/273+t'式中:GNm——标准状态下实际排烟量(标米3/时);a'——表中过剩空气系数;V’——表中排烟温度t'时的烟气量(米3/时)t'——表中的排烟度(oc)a——实际过剩空气系数;D——锅炉蒸发量(吨/时)。2、燃烧1吨煤炭排放的各污染物量(单位:千克/吨)污染物炉型电站锅炉工业锅炉采暖炉及家用炉一氧化碳(CO)0.231.3622.7碳氢化合物(CnHm)0.0910.454.5氮氧化合物(以NO2计)9.089.083.62二氧化硫(SO2)16.0S*注:S*指煤的含硫量(%)。若煤的含硫量为2%,则1吨煤然烧排SO2为16.0×2=32千克。统计固体、液体和气体等燃料排放的各种污染物量时,如公式法和查表法计算的结果不同时,以公式计算的结果数为准。3、燃烧1立方米油排放的各污染物量(单位:千克/米3)污染物炉型电站锅炉工业锅炉采暖炉及家用炉一氧化碳(CO)0.0050.2380.238碳氢化合物(CnHm)0.3810.2380.357氮氧化合物(以NO2计)12.478.578.57烟尘1.20渣油燃烧2.73蒸溜油燃烧1.800.952二氧化硫(SO2)20S*注:S*指燃料含硫量(%),计算方法与燃煤同,油类含硫量:原油0.1%-3.3%,汽油<0.25%,轻油0.5%-0.75%,重油0.5-3.5%4、燃烧1百万立方米燃料气排放的各污染物量污染物炉型电站锅炉工业锅炉采暖炉及家用炉一氧化碳(CO)忽略不计630630碳氢化合物(CnHm)忽略不计忽略不计忽略不计氮氧化合物(以NO2计)62003400.461843.24烟尘238.50286.20302.0二氧化硫(SO2)630(二)生产过程中的污染物排放系数1、冶金工业(1)钢铁工业产品(工序)吨产品污染物排放系数采矿(铁矿石)废水:坑矿0.5-1.0吨;露天矿0.2-0.3吨。主要含悬浮物,一般为300-3000毫克/升废石:2-3吨。露天开采时剥离废石量:大型矿山≤8-10吨;中型矿山≤6-8吨;小型矿山≤5-6吨选矿(铁精矿)废水:3-5吨,浮选为3吨含悬浮物500-2500毫克/升,最高达5000毫克/升,浮选废水还含有黄药和2#油。废尾矿:0.5-1.0吨,可按选矿比n0计算,Kn=n0-1.铁精矿烧结废气:4000-6000标米3,含尘1-5克/标3,卸矿端5-15克/标米3烧结机机头,机尾一般有除尘装置,只有少部分粉尘排出,除尘后的浓度046-13/标米3。二氧化硫浓度500-1500毫克/米3(视矿粉和燃料中含硫而定)。或排尘4-20千克,二氧化硫6-8千克。废水:08-10吨,悬浮物浓度10-30克/升,PH为10-11。高炉生铁(高炉和出铁场)废气:1600-4500标(含CO20%-30%),含尘20-100克/标米3。产生粉尘50-75千克,最高达100千克。出铁场烟尘为24.3千克.废水:煤气洗涤...

1、当您付费下载文档后,您只拥有了使用权限,并不意味着购买了版权,文档只能用于自身使用,不得用于其他商业用途(如 [转卖]进行直接盈利或[编辑后售卖]进行间接盈利)。
2、本站所有内容均由合作方或网友上传,本站不对文档的完整性、权威性及其观点立场正确性做任何保证或承诺!文档内容仅供研究参考,付费前请自行鉴别。
3、如文档内容存在违规,或者侵犯商业秘密、侵犯著作权等,请点击“违规举报”。

碎片内容

主要行业污染物排放系数参照表讲解

确认删除?
VIP
微信客服
  • 扫码咨询
会员Q群
  • 会员专属群点击这里加入QQ群
客服邮箱
回到顶部