电脑桌面
添加小米粒文库到电脑桌面
安装后可以在桌面快捷访问

光纤通信实验精简版1VIP免费

光纤通信实验精简版1_第1页
1/14
光纤通信实验精简版1_第2页
2/14
光纤通信实验精简版1_第3页
3/14
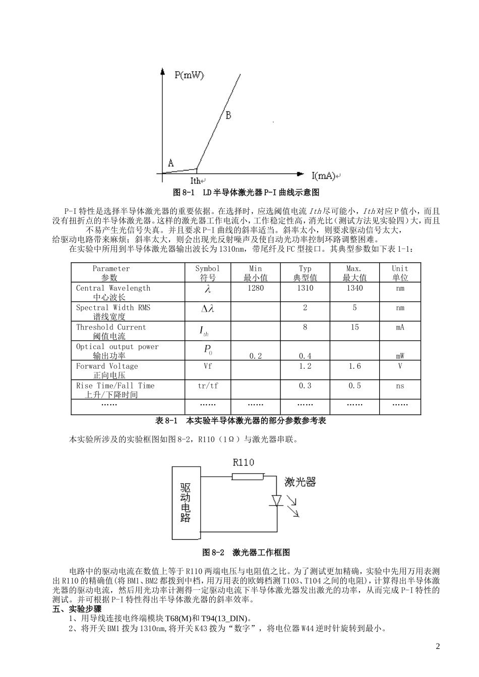
实验一半导体激光器P-I特性测试实验一、实验目的1、学习半导体激光器发光原理和光纤通信中激光光源工作原理2、了解半导体激光器平均输出光功率与注入驱动电流的关系3、掌握半导体激光器P(平均发送光功率)-I(注入电流)曲线的测试方法二、实验内容1、测量半导体激光器输出功率和注入电流,并画出P-I关系曲线2、根据P-I特性曲线,找出半导体激光器阈值电流,计算半导体激光器斜率效率三、实验仪器1、ZY12OFCom23BH1型光纤通信原理实验箱1台2、FC接口光功率计1台3、FC-FC单模光跳线1根4、万用表1台5、连接导线20根四、实验原理光源是把电信号变成光信号的器件,在光纤通信中占有重要的地位。性能好、寿命长、使用方便的光源是保证光纤通信可靠工作的关键。光纤通信对光源的基本要求有如下几个方面:首先,光源发光的峰值波长应在光纤的低损耗窗口之内,要求材料色散较小。其次,光源输出功率必须足够大,入纤功率一般应在10微瓦到数毫瓦之间。第三,光源应具有高度可靠性,工作寿命至少在10万小时以上才能满足光纤通信工程的需要。第四,光源的输出光谱不能太宽以利于传输高速脉冲。第五,光源应便于调制,调制速率应能适应系统的要求。第六,电—光转换效率不应太低,否则会导致器件严重发热和缩短寿命。第七,光源应该省电,光源的体积、重量不应太大。作为光源,可以采用半导体激光二极管(LD,又称半导体激光器)、半导体发光二极管(LED)、固体激光器和气体激光器等。但是对于光纤通信工程来说,除了少数测试设备与工程仪表之外,几乎无例外地采用半导体激光器和半导体发光二极管。本实验简要地介绍半导体激光器,若需详细了解发光原理,请参看各教材。半导体激光二极管(LD)或简称半导体激光器,它通过受激辐射发光,是一种阈值器件。处于高能级E2的电子在光场的感应下发射一个和感应光子一模一样的光子,而跃迁到低能级E1,这个过程称为光的受激辐射,所谓一模一样,是指发射光子和感应光子不仅频率相同,而且相位、偏振方向和传播方向都相同,它和感应光子是相干的。由于受激辐射与自发辐射的本质不同,导致了半导体激光器不仅能产生高功率(≥10mW)辐射,而且输出光发散角窄(垂直发散角为30~50°,水平发散角为0~30°),与单模光纤的耦合效率高(约30%~50%),辐射光谱线窄(Δλ=0.1~1.0nm),适用于高比特工作,载流子复合寿命短,能进行高速信号(>20GHz)直接调制,非常适合于作高速长距离光纤通信系统的光源。半导体激光器的特性,主要包括阈值电流Ith、输出功率P0、微分转换效率η、峰值波长λp、光束发散角、脉冲响应时间tr、tf等。除上述特性参数之外,有时也把半导体激光器的工作电压、工作温度等列入特性参数。阈值电流是非常重要的特性参数。图8-1上A段与B段的交点表示开始发射激光,它对应的电流就是阈值电流Ith。半导体激光器可以看作为一种光学振荡器,要形成光的振荡,就必须要有光放大机制,也即激活介质处于粒子数反转分布,而且产生的增益足以抵消所有的损耗。将开始出现净增益的条件称为阈值条件。一般用注入电流值来标定阈值条件,也即阈值电流Ith。P-I特性是半导体激光器的最重要的特性。当注入电流增加时,输出光功率也随之增加,在达到Ith之前半导体激光器输出荧光,到达Ith之后输出激光,输出光子数的增量与注入电子数的增量之比见式8-1。(8-1)ΔP/ΔI就是图8-1激射时的斜率,是普朗克常数(6.625*10-34焦耳秒),v为辐射跃迁情况下,释放出的光子的频率。1图8-1LD半导体激光器P-I曲线示意图P-I特性是选择半导体激光器的重要依据。在选择时,应选阈值电流Ith尽可能小,Ith对应P值小,而且没有扭折点的半导体激光器。这样的激光器工作电流小,工作稳定性高,消光比(测试方法见实验四)大,而且不易产生光信号失真。并且要求P-I曲线的斜率适当。斜率太小,则要求驱动信号太大,给驱动电路带来麻烦;斜率太大,则会出现光反射噪声及使自动光功率控制环路调整困难。在实验中所用到半导体激光器输出波长为1310nm,带尾纤及FC型接口。其典型参数如下表1-1:Parameter参数Symbol符号Min最小值Typ典型值Max.最大值Unit单位CentralWaveleng...

1、当您付费下载文档后,您只拥有了使用权限,并不意味着购买了版权,文档只能用于自身使用,不得用于其他商业用途(如 [转卖]进行直接盈利或[编辑后售卖]进行间接盈利)。
2、本站所有内容均由合作方或网友上传,本站不对文档的完整性、权威性及其观点立场正确性做任何保证或承诺!文档内容仅供研究参考,付费前请自行鉴别。
3、如文档内容存在违规,或者侵犯商业秘密、侵犯著作权等,请点击“违规举报”。

碎片内容

光纤通信实验精简版1

文章天下+ 关注
实名认证
内容提供者

各种文档应有尽有

确认删除?
VIP
微信客服
  • 扫码咨询
会员Q群
  • 会员专属群点击这里加入QQ群
客服邮箱
回到顶部