电脑桌面
添加小米粒文库到电脑桌面
安装后可以在桌面快捷访问

九年级物理上册 电路故障分析专题 教科版试卷VIP免费

九年级物理上册 电路故障分析专题 教科版试卷_第1页
1/4
九年级物理上册 电路故障分析专题 教科版试卷_第2页
2/4
九年级物理上册 电路故障分析专题 教科版试卷_第3页
3/4
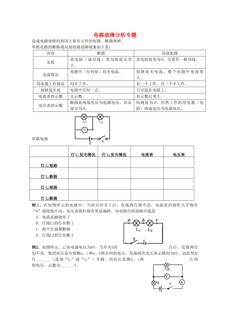
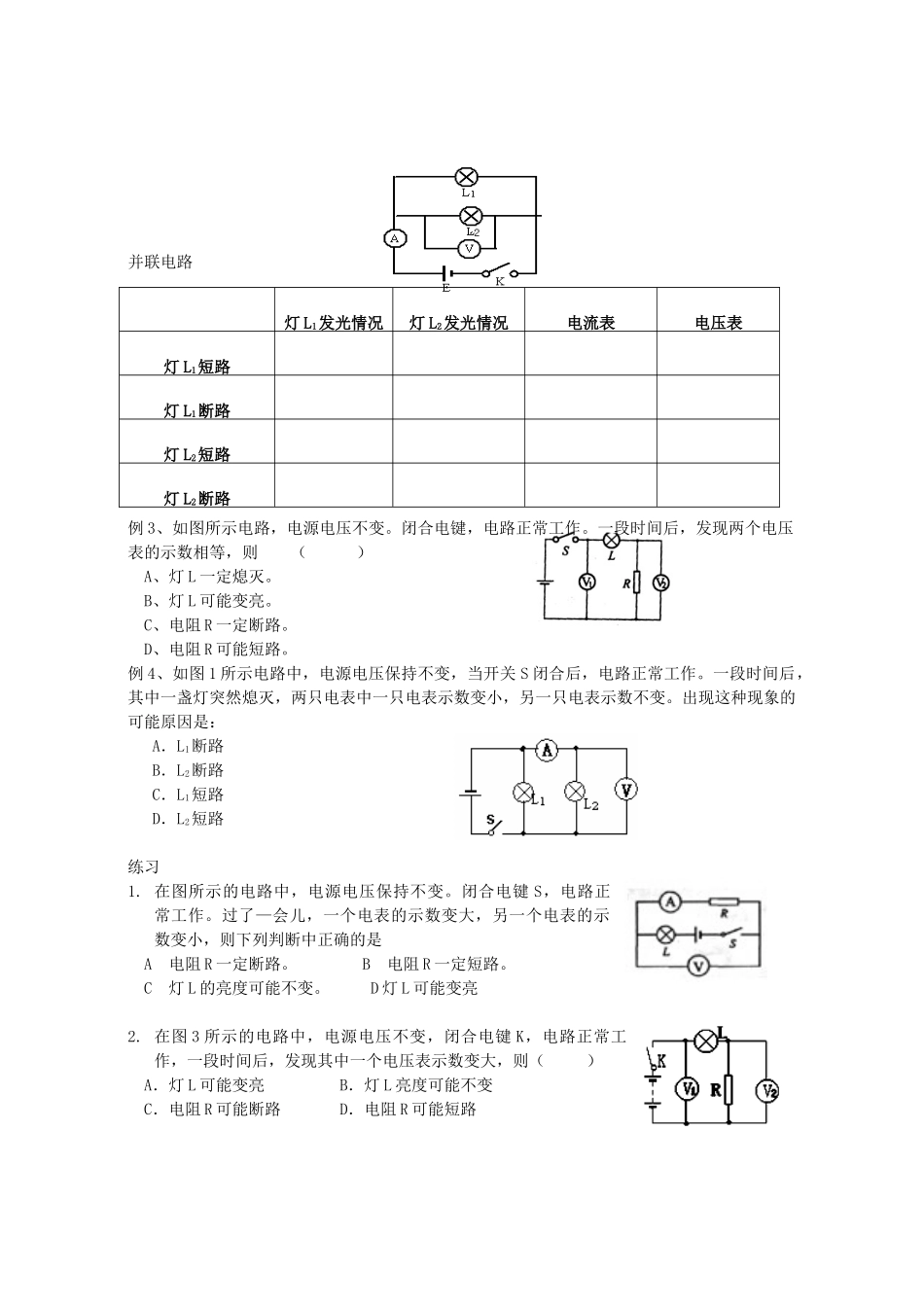
电路故障分析专题造成电路故障的原因主要有元件的短路、断路两种。串联电路的断路或局部短路故障现象如下表:内容断路局部短路实质某电阻(或导线)变为阻值无穷大。某电阻值变为0,可看作一根导线。电流情况电路中(任何处)均无电流。短路处无电流,整个电路中电流变大。用电器工作情况均不工作。有一个工作,另一个不工作。故障发生处电路中任何一点。只可能在电阻上。电流表的示数无示数。有示数且变大。电压表的示数断路处两端电压为电源电压,其余部分为0。短路处为0,仍然工作的用电器(电阻)两端电压为电源电压。串联电路例1、在如图所示的电路中,当闭合开关S后,发现两灯都不亮,电流表的指针几乎指在“0”刻度线不动,电压表指针则有明显偏转,该电路中的故障可能是A.电流表被烧坏了B.灯泡L1的灯丝断了C.两个灯泡都断路D.灯泡L2的灯丝断了例2、如图所示,已知电源电压为6V,当开关S闭合后,发现两灯均不亮。他用电压表分别测a、c和a、b两点间的电压,发现两次电压表示数均为6V,由此判定灯_______(选填“L1”或“L2”)开路,用电压表测b、c两点间的电压,示数为_______V。灯L1发光情况灯L2发光情况电流表电压表灯L1短路灯L1断路灯L2短路灯L2断路并联电路例3、如图所示电路,电源电压不变。闭合电键,电路正常工作。一段时间后,发现两个电压表的示数相等,则()A、灯L一定熄灭。B、灯L可能变亮。C、电阻R一定断路。D、电阻R可能短路。例4、如图1所示电路中,电源电压保持不变,当开关S闭合后,电路正常工作。一段时间后,其中一盏灯突然熄灭,两只电表中一只电表示数变小,另一只电表示数不变。出现这种现象的可能原因是:A.L1断路B.L2断路C.L1短路D.L2短路练习1.在图所示的电路中,电源电压保持不变。闭合电键S,电路正常工作。过了—会儿,一个电表的示数变大,另一个电表的示数变小,则下列判断中正确的是A电阻R一定断路。B电阻R一定短路。C灯L的亮度可能不变。D灯L可能变亮2.在图3所示的电路中,电源电压不变,闭合电键K,电路正常工作,一段时间后,发现其中一个电压表示数变大,则()A.灯L可能变亮B.灯L亮度可能不变C.电阻R可能断路D.电阻R可能短路灯L1发光情况灯L2发光情况电流表电压表灯L1短路灯L1断路灯L2短路灯L2断路3.在图所示的电路中,闭合电键S,电路正常工作。一段时间后灯L熄灭,一个电表的示数变大,另一个电表的示数变小。将两用电器位置互换后再次闭合电键S,两个电表指针均发生明显偏转。若电路中只有一处故障,且只发生在灯L或电阻R上,则()A灯L断路。B灯L短路。C电阻R断路。D电阻R短路。4.如图所示的电路,电源电压保持不变,电键S闭合时,发现只有两个电表的指针发生偏转,电路中的电阻R或灯L有一个出现了故障,则可能是()A、电流表示数为零,电路R短路B、电流表示数为零,灯L断路C、电压表V2示数为零,电阻R短路D、电压表V2示数为零,灯L断路5.如图所示,电源电压为6V,闭合开关后发现电流表的指针几乎不偏转,电压表的示数为6V,两表接法均正确,可能出现的故障是()A.电灯L1的灯丝熔断;B.开关接触不良;C.电灯L1被短路;D.电流表被烧毁。6.如图所示电路,闭合开关时,发现电流表指针没有偏转。某同学拿一根导线去查找电路故障,他将导线并接在bc、cd、ed两端时,电流表指针没有发生偏转;将导线并接在ab两端时,发现电流表指针发生了偏转,由此可知电路故障可能A.开关S断路B.R1断路C.电流表短路D.R2断路7.小青在探究“怎样用变阻器改变灯泡的亮度”时,连接的电路如图6所示。闭合开关后,灯泡不亮,她用电压表进行电路故障检测,测试结果如右表所示,则电路中的故障可能是A.开关断路B.开关短路C.变阻器断路D.灯泡断路8.小明按图6所示的电路图连接好电路后,闭合开关,发现:灯不亮,电流表没有示数,电压表有示数。电路中的故障可能是A.灯泡发生短路B.灯泡发生断路C.变阻器R发生短路D.变阻器R发生断路9.如图6所示,当闭合开关S时,发现灯L不亮,电流表、电压表均无示数。若电路故障只出现在灯L和变阻器R中的一处,则下列判断正确的是A.灯L短路B.灯L断路C.变阻器R短路D.变阻器R断路10.如图所示的电路中,电...

1、当您付费下载文档后,您只拥有了使用权限,并不意味着购买了版权,文档只能用于自身使用,不得用于其他商业用途(如 [转卖]进行直接盈利或[编辑后售卖]进行间接盈利)。
2、本站所有内容均由合作方或网友上传,本站不对文档的完整性、权威性及其观点立场正确性做任何保证或承诺!文档内容仅供研究参考,付费前请自行鉴别。
3、如文档内容存在违规,或者侵犯商业秘密、侵犯著作权等,请点击“违规举报”。

碎片内容

九年级物理上册 电路故障分析专题 教科版试卷

您可能关注的文档

星河书苑+ 关注
实名认证
内容提供者

从事历史教学,热爱教育,高度负责。

确认删除?
VIP
微信客服
  • 扫码咨询
会员Q群
  • 会员专属群点击这里加入QQ群
客服邮箱
回到顶部