电脑桌面
添加小米粒文库到电脑桌面
安装后可以在桌面快捷访问

九年级物理 电学部分月考试卷 教科版试卷VIP免费

九年级物理 电学部分月考试卷 教科版试卷_第1页
1/4
九年级物理 电学部分月考试卷 教科版试卷_第2页
2/4
九年级物理 电学部分月考试卷 教科版试卷_第3页
3/4
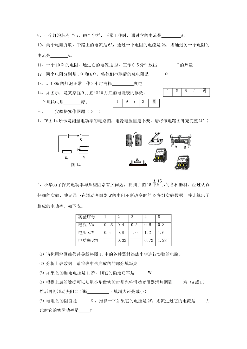
2010年九年级物理电学部分月考试题班级学号姓名一、单选题(16×2’答案填在题后的表格中)1、两个电阻串联接在一个电压是12V的电源上,则每个电阻两端的电压是A、无法确定B、大于12VC、小于12VD、等于12V2、如果这两个电阻是并联接在12V的电源上,则电阻两端的电压是A、无法确定B、大于12VC、小于12VD、等于12V3、人体的安全电压是:A、220VB、2VC、36VD、不高于36V4、滑动变阻器可以改变电阻,是由于改变了A、导线的长度B、导线的横截面积C、导线的材料D、导线的温度5、标有“3V,9W”的小灯泡接在3V的电压下,则它的实际功率是A、3W、B、9WC、6WD、1W6、上题中的小灯泡接在1V的电压下,通过它的电流是A、3AB、9AC、6AD、1A7、如图示,要使两个灯泡并联,则A、三个开关都闭合B、闭合S2,断开S1、S3C、闭合S1,S3断开S2D、闭合S3,断开S1、S28两个电阻并联,下列说法错误的是:A、通过两个电阻的电流一定相等B、两个电阻两端的电压一定相等C、总电阻小于任何一个电阻D、总功率是两个电阻消耗的功率之和9、如图示,A、B两个导体的材料,长度相同,将它们接在电路中,则:A、A电阻大于B电阻,通过A的电流小于B的电流B、A电阻小于B电阻,通过A的电流大于B的电流C、A电阻大于B电阻,通过A的电流等于B的电流D、A电阻小于B电阻,通过A的电流等于B的电流10、关于电流表的使用,用法错误的是A、电流表应串联在电路中B、在未知电路电流的情况下应使用较小的量程C、不可将电流表直接接在电源上D、连接时应使电流从电流表的正接线柱流进11、两个电阻R1、R2串联接在12V的电源上,已知R1=2R2则电压U1、U2分别是A、6V、6VB、10V、2VC、8V、4VD、9V、3V12、上题中两个电阻消耗的功率之比P1:P2是A、1:1B、4:1C、3:1D、2:113、导体两端的电压不变,通过这个导体的电流增大了,则该导体的电阻将A、不变B、变大、C、变小D、无法判断14、关于电功率的说法正确的是A、做功做的越多,电功率越大B、做功时间越长,电功率越大C、做功做的越快,电功率越大D、电阻越小,电功率越大15、下列四个灯泡都是正常发光的,那一个灯泡最亮A、“10V,100W”B、“220V,25W”C、“110V,40W”D“60V,60W”16、下列电路图中,哪个是串联电路选择题答案填在下表中题号12345678910111213141516答案二、填空题(14×2’)1、一个电阻的阻值是10Ω,两端的电压是5V,通过它的电流是A。2、接上题,这个电阻消耗的功率是W。3、接上题,如果这个电阻两端的电压增加到10V,则它的电阻是Ω。4、自然界只有种电荷。5、一个完整的电路包括:、开关、用电器、导线6、一个导体保持长度、材料不变,增大横截面,则它的电阻将。7、如图,当滑动变阻器的滑片向右移动时,通过它的电流将。(6、7题都填“增大、不变或减小”)8、电压表应与被测电阻。(填“串联或并联”)9、一个灯泡标有“6V,6W”字样,正常工作时,通过它的电流是A。10、两个电阻并联,干路上的电流是6A,通过一个电阻的电流是2A,则通过另一个电阻的电流是A。11、一个10Ω的电阻,通过它的电流是1A,工作0.5分钟放出J的热量12、两个电阻分别是3Ω和6Ω,将他们串联后的总电阻是Ω13、。100W的灯泡正常工作2小时消耗度电14、如图示,是某家庭9月底和10月底的电能表的读数,一个月耗电是度。三、实验探究作图题(24’)1、在图14所示是测量电功率的电路图,电源电压恒定不变。请将该电路图补充完整(4’)2、小华为了探究电功率与那些因素有关问题,找到了图15中所示的各种器材。经过认真仔细的实验,他记录下在滑动变阻器R的电阻不断改变时的R0各组实验数据,并计算出了相应的电功率,如下表。⑴请你用笔画线代替导线将图15中的各种器材连成小华进行实验的电路。⑵分析上表数据,请将表中未完成的的部分填写完⑶如果R0的额定电压是1.2V,则它的额定功率是W⑷根据上表的数据可以知道小华做实验时是先将滑动变阻器滑片调到端(A或B)然后再将滑动变阻器不断(填增大还是减小)⑸电阻R0的阻值是Ω,推算一下如果它的电压是2V,则流过过它的电流是A此时它的实际功率是W1865619738实验序号12345电流I/A0.250.40.50.60.8电压U/V0.50.81.01.21.6电功率P/W0.320.721.28图...

1、当您付费下载文档后,您只拥有了使用权限,并不意味着购买了版权,文档只能用于自身使用,不得用于其他商业用途(如 [转卖]进行直接盈利或[编辑后售卖]进行间接盈利)。
2、本站所有内容均由合作方或网友上传,本站不对文档的完整性、权威性及其观点立场正确性做任何保证或承诺!文档内容仅供研究参考,付费前请自行鉴别。
3、如文档内容存在违规,或者侵犯商业秘密、侵犯著作权等,请点击“违规举报”。

碎片内容

九年级物理 电学部分月考试卷 教科版试卷

您可能关注的文档

慧源书店+ 关注
实名认证
内容提供者

从事历史教学,热爱教育,高度负责。

相关文档

确认删除?
VIP
微信客服
  • 扫码咨询
会员Q群
  • 会员专属群点击这里加入QQ群
客服邮箱
回到顶部