电脑桌面
添加小米粒文库到电脑桌面
安装后可以在桌面快捷访问

云南计量检定机构计量检定收费标准-云南计量检定VIP免费

云南计量检定机构计量检定收费标准-云南计量检定_第1页
1/50
云南计量检定机构计量检定收费标准-云南计量检定_第2页
2/50
云南计量检定机构计量检定收费标准-云南计量检定_第3页
3/50
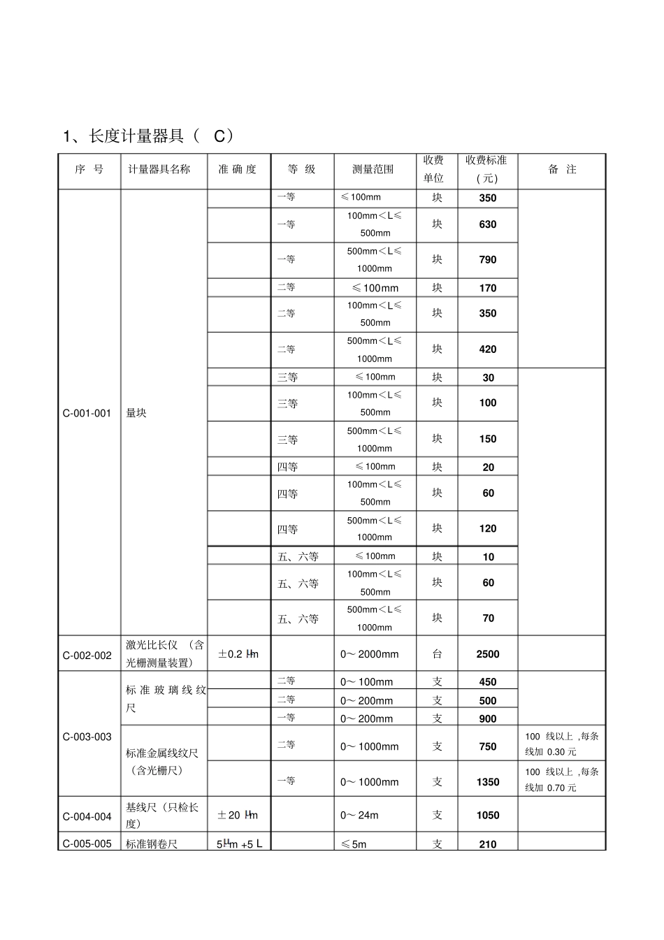
云南省计量检定机构计量检定收费标准目录1.长度计量器具(C)⋯⋯⋯⋯⋯⋯⋯⋯⋯⋯⋯⋯⋯⋯⋯(2)2.电磁计量器具(D)⋯⋯⋯⋯⋯⋯⋯⋯⋯⋯⋯⋯⋯⋯⋯(6)3.光学计量器具(G)⋯⋯⋯⋯⋯⋯⋯⋯⋯⋯⋯⋯⋯⋯(13)4.力学计量器具(L)⋯⋯⋯⋯⋯⋯⋯⋯⋯⋯⋯⋯⋯⋯(15)5.热工计量器具(R)⋯⋯⋯⋯⋯⋯⋯⋯⋯⋯⋯⋯⋯⋯⋯⋯(26)6.声学计量器具(S)⋯⋯⋯⋯⋯⋯⋯⋯⋯⋯⋯⋯⋯⋯⋯(28)7.无线电计量器具(W)⋯⋯⋯⋯⋯⋯⋯⋯⋯⋯⋯⋯⋯⋯(28)8.电离辐射计量器具(DL)⋯⋯⋯⋯⋯⋯⋯⋯⋯⋯⋯⋯⋯(32)9.时间频率计量器具(SP)⋯⋯⋯⋯⋯⋯⋯⋯⋯⋯⋯⋯(35)10.物理化学计量器具(WH)⋯⋯⋯⋯⋯⋯⋯⋯⋯⋯⋯⋯(36)11.专业计量器具(ZY)⋯⋯⋯⋯⋯⋯⋯⋯⋯⋯⋯⋯⋯⋯⋯(40)1、长度计量器具(C)序号计量器具名称准确度等级测量范围收费单位收费标准(元)备注C-001-001量块一等≤100mm块350一等100mm<L≤500mm块630一等500mm<L≤1000mm块790二等≤100mm块170二等100mm<L≤500mm块350二等500mm<L≤1000mm块420三等≤100mm块30三等100mm<L≤500mm块100三等500mm<L≤1000mm块150四等≤100mm块20四等100mm<L≤500mm块60四等500mm<L≤1000mm块120五、六等≤100mm块10五、六等100mm<L≤500mm块60五、六等500mm<L≤1000mm块70C-002-002激光比长仪(含光栅测量装置)±0.2m0~2000mm台2500C-003-003标准玻璃线纹尺二等0~100mm支450二等0~200mm支500一等0~200mm支900标准金属线纹尺(含光栅尺)二等0~1000mm支750100线以上,每条线加0.30元一等0~1000mm支1350100线以上,每条线加0.70元C-004-004基线尺(只检长度)±20m0~24m支1050C-005-005标准钢卷尺5m+5L≤5m支2105m+5L5~200m支2505m以上每米加8.00元钢卷尺10m+5L1~200m支655m以上每米加3.00元C-006-006样板直尺0.5+2m75~500mm支130C-007-007研磨平尺0.2m200mm个230C-008-008卡尺0~300mm支600~500mm支1000~1000mm支1300~2000mm支220光学测齿卡尺支65C-009-009外径千分尺0级、1级0-300mm支601级>300~700mm支1001级>700~1000mm支130序号计量器具名称准确度等级测量范围收费单位收费标准(元)备注C-009-009外径千分尺1级>1000~1500mm支1801级>1500mm支220C-010-010内径千分尺<600mm支90>600~1400mm支120>1400~3000mm支150>3000~5000mm支240C-011-011公法线千分尺0~100mm支30C-012-012螺纹千分尺0~100mm支30C-013-013杠杆千分尺0~100mm支30C-014-014内测千分尺0~100mm支30C-015-015塞尺1级,2级片2C-016-016圆柱角尺0级,1级<500mm支480级,1级>500mm支72C-017-017刀口形直角尺0级,1级<200mm支80C-018-018宽座直角尺1级,2级<200mm支301级,2级>200~500mm支481级,2级>500~1000mm支72C-019-019平尺0级,1级,2级0~1000mm支720级,1级,2级>1000~2000mm支1100级,1级,2级>2000mm支120C-020-020正弦尺支50C-021-021水平尺200~600mm支20C-022-022焊接检验尺支65C-023-023木直尺检定器0~1000mm支70C-024-024直角尺检定仪2μm400~1000mm台200C-025-025内径表5~25μm2~450mm块65C-026-026杠杆表2~15μm0.8~2mm块65C-027-027百分表0级、1级0~5mm支300级、1级0~10mm支360级、1级0~50mm支36千分表0级、1级0~3mm支36C-028-028百分表检定器台110千分表检定器台150C-029-029立式测长仪±(1m+L/100)0~100mm台360卧式测长仪±(1m+L/200)0~450mm台360C-030-030框式水平仪(0.02~0.05)mm/m(150×150)mm~(300×300)mm台90条式水平仪(0.02~0.05)mm/m(150~300)mm台90合象水平仪0.01mm/m+10mm/m台150序号计量器具名称准确度等级测量范围收费单位收费标准(元)备注C-031-031测长机±(0.5m+L/100)0~1000mm台550±(0.5m+L/100)0~2000mm台680±(0.5m+L/100)0~3000mm台770±(0.5m+L/100)0~6000mm台1140C-032-032光学计±0.25m0~180mm台420C-033-033三针0,1级φ:0.118~6.585mm组45C-034-034万能工具显微镜±(1m+L/100)(200×100)mm台630大型工具显微镜±3m(150×50)mm台420小型工具显微镜±3m(75×50)mm台390C-035-035光切显微镜台240干涉显微镜台340测量显微镜±(5m+L/15)0~25mm台340C-036-036水平仪检定器5%1.5mm/m台360C-037-037...

1、当您付费下载文档后,您只拥有了使用权限,并不意味着购买了版权,文档只能用于自身使用,不得用于其他商业用途(如 [转卖]进行直接盈利或[编辑后售卖]进行间接盈利)。
2、本站所有内容均由合作方或网友上传,本站不对文档的完整性、权威性及其观点立场正确性做任何保证或承诺!文档内容仅供研究参考,付费前请自行鉴别。
3、如文档内容存在违规,或者侵犯商业秘密、侵犯著作权等,请点击“违规举报”。

碎片内容

云南计量检定机构计量检定收费标准-云南计量检定

爱的疯狂+ 关注
实名认证
内容提供者

该用户很懒,什么也没介绍

确认删除?
VIP
微信客服
  • 扫码咨询
会员Q群
  • 会员专属群点击这里加入QQ群
客服邮箱
回到顶部