电脑桌面
添加小米粒文库到电脑桌面
安装后可以在桌面快捷访问

云雾山道进口燕尾段连拱隧道施工组织设计VIP免费

云雾山道进口燕尾段连拱隧道施工组织设计_第1页
1/46
云雾山道进口燕尾段连拱隧道施工组织设计_第2页
2/46
云雾山道进口燕尾段连拱隧道施工组织设计_第3页
3/46
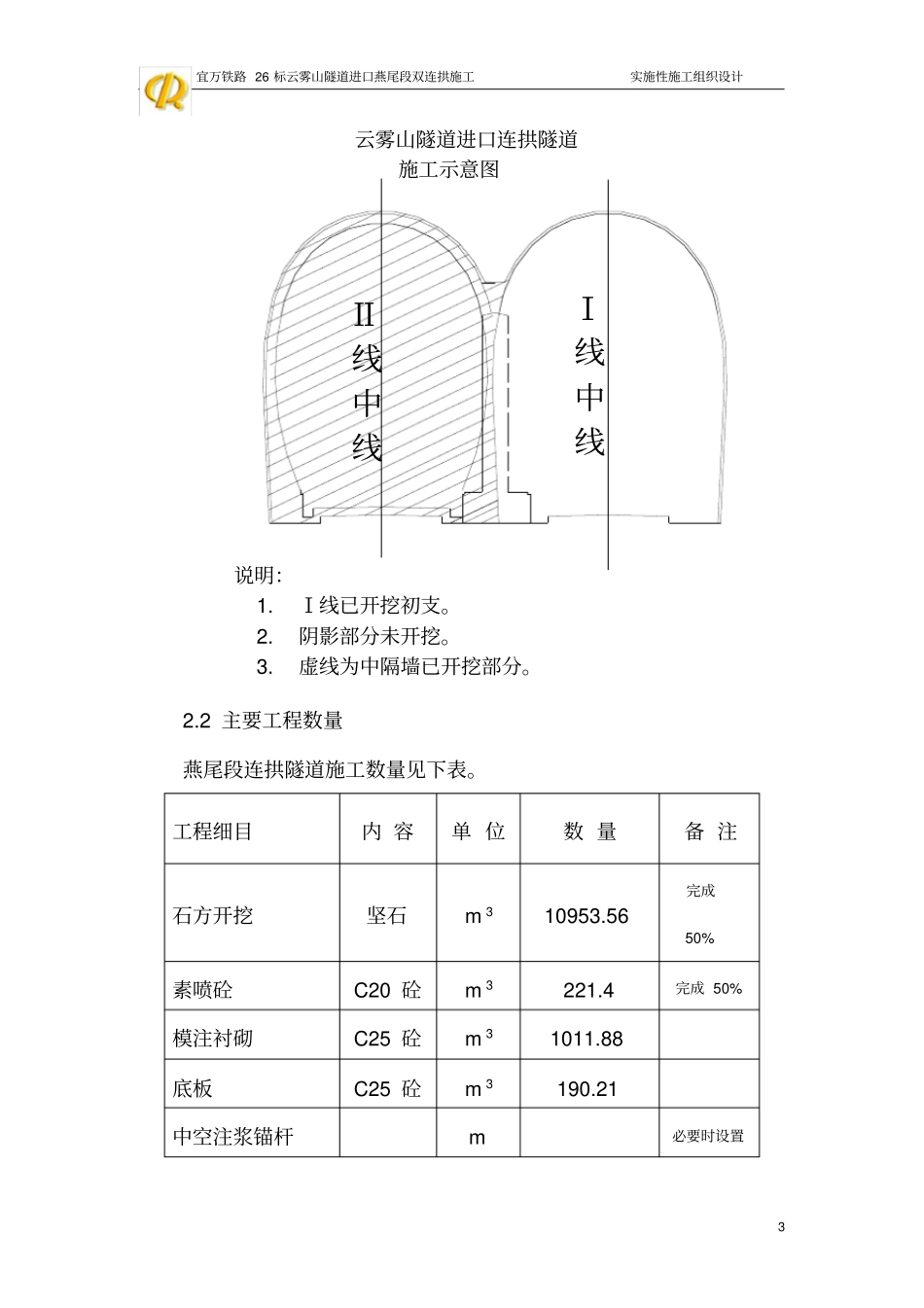
宜万铁路26标云雾山隧道进口燕尾段双连拱施工实施性施工组织设计1云雾山隧道进口燕尾段连拱隧道施工组织设计1、编制依据、原则及范围1.1编制依据(1)、铁道部宜万建设指挥部2月23日在云雾山隧道进口现场会议精神。(2)、国家和铁道部现行有关设计、施工的技术规范及质量检验评定标准等。(3)、本工程招投标文件、施工合同等。(4)、云雾山隧道相关设计图、云雾山隧道实施性施工组织设计。(4)、施工现场调查获取的资料。1.2.编制原则以工程为对象,质量创优为目标,按照“安全生产、文明施工、环保一流”的原则,精心组织,合理部署,结合我单位所具备的生产实力进行施组编制,以指导现场施工。1.3.编制范围按照宜万铁路云雾山隧道设计图和DK242+852溶腔处理I类变更设计施工图,燕尾段连拱隧道段范围为DK242+763~DK242+845(共长82m),按此范围进行施工组织设计的编制。平面图如下:宜万铁路26标云雾山隧道进口燕尾段双连拱施工实施性施工组织设计2I线线路中线II线线路中线2、工程概况2.1工程简介云雾山隧道进口燕尾段双连拱衬砌段原设计里程为DK242+763~DK242+853,共90m,云雾山隧道横洞施工到HDK0+070时,揭示出一特大型溶腔,施工受阻,经四方会商,采取DK242+635横通道移位方案,该处横通道移至DK242+710处提前进入正洞。2004年12月10日,云雾山隧道施工至DK242+852处出露一溶腔,该溶腔与横洞HDK0+070~+027处揭示的溶腔连通。经四方会商后按I线隧道断面掘进,一直通过DK242+763~+853连拱隧道段。目前,该段Ⅰ线单洞开挖支护已完成,二衬未施做,双连拱隧道工法的先行中导洞仅余半边。I类溶腔变更后,双连拱里程段变为DK242+763~DK242+845,仅余82m。该段围岩级别为Ⅱ级。如下图:宜万铁路26标云雾山隧道进口燕尾段双连拱施工实施性施工组织设计3说明:1.Ⅰ线已开挖初支。2.阴影部分未开挖。3.虚线为中隔墙已开挖部分。Ⅰ线中线Ⅱ线中线云雾山隧道进口连拱隧道施工示意图2.2主要工程数量燕尾段连拱隧道施工数量见下表。工程细目内容单位数量备注石方开挖坚石m310953.56完成50%素喷砼C20砼m3221.4完成50%模注衬砌C25砼m31011.88底板C25砼m3190.21中空注浆锚杆m必要时设置宜万铁路26标云雾山隧道进口燕尾段双连拱施工实施性施工组织设计4防水层m22603.5中隔墙C25砼m31231.64中隔墙顶加强筋φ22Kg3787.58临时支护喷素砼m3184.52.3工程地质及水文地质条件寒武系中统光竹岭组之浅灰、灰色厚层微~细晶灰岩、灰岩夹白云岩及白云质灰岩,节理不发育,岩体完整性好,无渗水,围岩基本分级为Ⅱ级,受地质构造影响轻微。该段岩层为不含水岩层,地下水不发育,开挖揭示出的岩面未见渗水,处于干燥状态。3、施工总体方案燕尾段双连拱段施工,本着“安全、优质、稳妥”的原则组织施工,坚持先加固,后开挖,通过结构体系的转换,减小隧道的跨度,在使施工中尽量使结构的受力趋于合理。开挖中导洞,先于Ⅰ线方向对中隔墙顶上开挖范围以外的岩层用长锚杆进行加固,然后对I线进行复喷加固,加固完成后进行开挖;中导洞开挖从小里程至大里程,边挖边支;每开挖一段,中隔墙浇筑一段;中隔墙完成后,施做Ⅰ线隧道双连拱二衬砼;最后完成Ⅱ线隧道的开挖和衬砌。其框图如下:宜万铁路26标云雾山隧道进口燕尾段双连拱施工实施性施工组织设计54、工程难点、特点及采取的措施4.1工程难点、特点双连拱段(DK242+763~DK242+845),前期受溶洞影响已先将Ⅰ线单线隧道开挖支护完成,给后续施工带来一定的难度。中隔墙施工后,由于地基不均匀沉降和砼失水收缩,可能会在中隔墙顶部与二次衬砌接触的水平施工缝间形成裂缝,引起其他部位产生纵向裂缝,影响砼的正常使用。4.1施工采取的措施针对燕尾段双连拱隧道的施工难点、特点,施工前先按照设计资料和现场施工情况对该段工程、水文地质进行详细调查。对中隔墙顶部岩体先进行加强支护,后进行下部施工。对中导洞和复线隧道的开挖,坚持“短进尺、弱爆破、强支护、早封闭、勤量测”的原则进行施工;及时跟进Ⅰ线隧道的二衬砼施工;复线开挖,除进行弱爆破外,还将对中隔墙进行保护(在中隔墙外覆盖木板,设置缓冲层);在中隔墙水平施工缝中预留注浆孔,处理裂隙。加强监控...

1、当您付费下载文档后,您只拥有了使用权限,并不意味着购买了版权,文档只能用于自身使用,不得用于其他商业用途(如 [转卖]进行直接盈利或[编辑后售卖]进行间接盈利)。
2、本站所有内容均由合作方或网友上传,本站不对文档的完整性、权威性及其观点立场正确性做任何保证或承诺!文档内容仅供研究参考,付费前请自行鉴别。
3、如文档内容存在违规,或者侵犯商业秘密、侵犯著作权等,请点击“违规举报”。

碎片内容

云雾山道进口燕尾段连拱隧道施工组织设计

爱的疯狂+ 关注
实名认证
内容提供者

该用户很懒,什么也没介绍

确认删除?
VIP
微信客服
  • 扫码咨询
会员Q群
  • 会员专属群点击这里加入QQ群
客服邮箱
回到顶部