电脑桌面
添加小米粒文库到电脑桌面
安装后可以在桌面快捷访问

互换性与技术测量B带答案VIP免费

互换性与技术测量B带答案_第1页
1/6
互换性与技术测量B带答案_第2页
2/6
互换性与技术测量B带答案_第3页
3/6
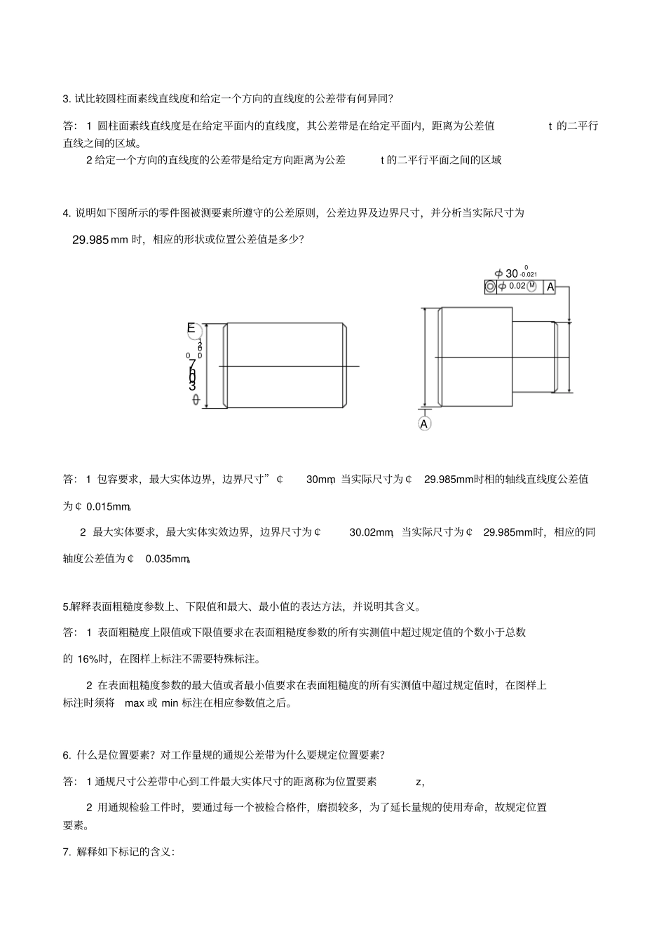
仅供学习参考东北大学继续教育学院互换性与技术测量试卷(作业考核线上)B卷学习中心:山西潞安奥鹏院校学号:姓名(共6页)总分题号一二三四五六七八九十得分一、是非题(正确的在括号中画“√”,错误的画“×”)(每小题1分,共12分)1.(√)不完全互换生产方式仅限于在部件或机器制造厂内部采用。2.(×)优先选用基孔制是因为孔比轴难加工。3.(√)公差带代号是由基本偏差代号和公差等级数字组成。4.×)有相对运动的配合应选用间隙配合,无相对运动的配合均选用过盈配合。5.(×)圆度的公差带形状是一个圆。6.(√)当轴的端面对基准轴线有垂直度要求时,可以用全跳动公差来控制。7.(×)零件尺寸精度要求越低,表面粗糙度数值越小8.(×)轴用光滑极限量规的止规的最小实体尺寸应等于被测轴的最小实体尺寸。9.(×)与滚动轴承内圈内径相配合的轴,和与外圈外径相配合的箱体孔,均应选用基孔制。10.(×)矩形花键的定心方式有三种,即大径定心、小径定心和键侧定心。11.(×)加工误差只有通过测量才能得到,所以加工误差实质上就是测量误差。12.(√)圆度误差实质上就是回转体零件同一正截面轮廓半径变化量的最大值。二、选择题(每小题1分,共10分)1.本课程是从____________角度分析和研究零件和机构。误差;工艺;标准化;保证质量2.比较孔或轴的加工难易程度的高低是根据____________。公差值的大小;公差等级系数的大小;标准公差因子;基本尺寸的大小3.30E8/h8与30E9/h9的____________。最小间隙相同;最大间隙相同;平均间隙相同;间隙变动范围相同4.当相配孔、轴既要求对准中心,又要求装拆方便时,应选用____________。A.间隙配合;过盈配合;过渡配合;间隙配合或过渡配合5.形位公差带的形状决定于____________。公差项目;图样标注方法;被测要素形状;公差项目和图样标注方法。6.孔的内径为1.0050mm,轴心线的直线度公差要求为0.012M,当测得轴心线直线度误差为0.012mm,则孔内径尺寸最小只能为____________才合格。50mm;50.01mm;50.112mm;49.988mm7.测量零件某一表面的粗糙度,规定评定长度包含三个取样长度,在三个取样长度内测量并经计算得到的Rz分别为19.2m、18.4m、19.4m。则该表面的值Rz为。18.4;19.4m;19.2m;19m8.计量器具不确定度约为测量不确定度的____________。0.45倍;0.9倍;1/10;1/3。9.深沟球轴承外圈固定,内圈旋转,主要承受重力和由于安装偏心带来的离心力。在设计图样上该内圈与轴颈的配合采用较紧的配合,它决定于该内圈相对于负荷的方向________。静止;摆动;旋转;摆动和旋转10.单键联接的主要工作尺寸键宽b由___________确定。轮毂宽度;轴的直径;扭矩大小;电机功率三、简答题(每小题4分,共28分)1.完全互换性与不完全互换性之间有什么区别?答:1完全互换性是不经挑选和修配就能实现互换;2不完全互换性是通过选择分组,组内零件实现互换。2.配合分几大类?各类配合中孔和轴公差带的相对位置分别有什么特点?答:根据孔和轴公差带之间的位置关系,配合分三类:1间隙配合中孔的公差带位于轴的公差带之上;2过盈配合中轴的公差带位于孔的公差带之上;3过渡配合中孔的公差带与轴的公差带位置互相交叠。3.试比较圆柱面素线直线度和给定一个方向的直线度的公差带有何异同?答:1圆柱面素线直线度是在给定平面内的直线度,其公差带是在给定平面内,距离为公差值t的二平行直线之间的区域。2给定一个方向的直线度的公差带是给定方向距离为公差t的二平行平面之间的区域4.说明如下图所示的零件图被测要素所遵守的公差原则,公差边界及边界尺寸,并分析当实际尺寸为985.29mm时,相应的形状或位置公差值是多少?答:1包容要求,最大实体边界,边界尺寸”¢30mm,当实际尺寸为¢29.985mm时相的轴线直线度公差值为¢0.015mm。2最大实体要求,最大实体实效边界,边界尺寸为¢30.02mm,当实际尺寸为¢29.985mm时,相应的同轴度公差值为¢0.035mm。5.解释表面粗糙度参数上、下限值和最大、最小值的表达方法,并说明其含义。答:1表面粗糙度上限值或下限值要求在表面粗糙度参数的所有实测值中超过规定值的个数小于总数的16%时,在图样...

1、当您付费下载文档后,您只拥有了使用权限,并不意味着购买了版权,文档只能用于自身使用,不得用于其他商业用途(如 [转卖]进行直接盈利或[编辑后售卖]进行间接盈利)。
2、本站所有内容均由合作方或网友上传,本站不对文档的完整性、权威性及其观点立场正确性做任何保证或承诺!文档内容仅供研究参考,付费前请自行鉴别。
3、如文档内容存在违规,或者侵犯商业秘密、侵犯著作权等,请点击“违规举报”。

碎片内容

互换性与技术测量B带答案

确认删除?
VIP
微信客服
  • 扫码咨询
会员Q群
  • 会员专属群点击这里加入QQ群
客服邮箱
回到顶部