电脑桌面
添加小米粒文库到电脑桌面
安装后可以在桌面快捷访问

互换性与技术测量基础第二版课后答案_胡凤兰主编真正的第二版讲解VIP免费

互换性与技术测量基础第二版课后答案_胡凤兰主编真正的第二版讲解_第1页
1/26
互换性与技术测量基础第二版课后答案_胡凤兰主编真正的第二版讲解_第2页
2/26
互换性与技术测量基础第二版课后答案_胡凤兰主编真正的第二版讲解_第3页
3/26
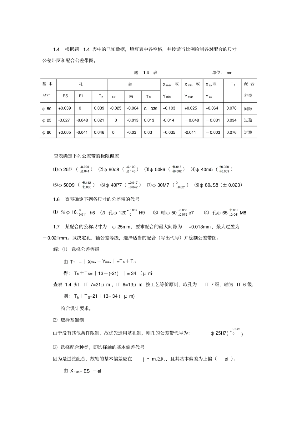
习题11.1判断下列说法是否正确1.一般来说,零件的实际尺寸愈接近公称尺寸愈好。(×)2.公差通常为正,在个别情况下也可以为负或零。(×)3.孔和轴的加工精度愈高,则其配合精度也愈高。(√)(有争议,第一版答案为×)4.过渡配合的孔轴结合,由于有些可能得到间隙,有些可能得到过盈,因此,过渡配合可能是间隙配合,也可能是过盈配合。(×)5.若某配合的最大间隙为15μm,配合公差为41μm,则该配合一定是过渡配合。(√)1.2填空1.国标规定的基本偏差孔、轴各有28个,其中H为基孔制的基本偏差代号,其基本偏差为EI,且偏差值为0;h为基轴制的基本偏差代号,其基本偏差为es,且偏差值为0。2.国标规定有基孔制和基轴制两种配合制度,一般应优先选用基孔制,以减少定尺寸刀具和量具的规格、数量,降低生产成本。3.国标规定的标准公差有20级,其中最高级为IT01,最低级为IT18级,而常用的配合公差等级为IT5_—IT12。4.配合种类分为间隙配合、过渡配合和过盈配合三大类,当相配合的孔轴需有相对运动或需经常拆装时,应选间隙配合。1.3试根据题1.3表中的已知数据,填写表中各空格,并按适当比例绘制各孔、轴的公差带图。题1.3表单位:mm尺寸标注公称尺寸极限尺寸极限偏差公差最大最小上偏差下偏差孔φ12050.0032.0φ1212.05012.032+0.050+0.0320.018轴φ60072.0053.0φ6060.07260.053+0.072+0.0530.019孔φ30041.0062.0φ3029.95929.938-0.041-0.0620.021轴φ50005.0034.0φ5050.00549.966+0.005-0.0340.0391.4根据题1.4表中的已知数据,填写表中各空格,并按适当比例绘制各对配合的尺寸公差带图和配合公差带图。题1.4表单位:mm基本尺寸孔轴Xmax或YminXmin或YmaxXav或YavTf配合种类ESEIThesEiTSφ50+0.03900.039-0.025-0.0640.039+0.103+0.025+0.0640.078间隙φ25-0.027-0.0480.0210-0.0130.013-0.014-0.048-0.0310.034过盈φ80+0.005-0.0410.0460-0.030.03+0.035-0.041-0.0030.076过渡查表确定下列公差带的极限偏差⑴φ25f7(020.0041.0)⑵φ60d8(100.0146.0)⑶φ50k6(018.0002.0)⑷φ40m5(020.0009.0)⑸φ50D9(142.0080.0)⑹φ40P7(017.0042.0)⑺φ30M7(0021.0)⑻φ80JS8(±0.023)1.6查表确定下列各尺寸的公差带的代号⑴轴φ18-0011.0h6⑵孔φ120+087.00H9⑶轴φ50050.0075.0e7⑷孔φ65005.0041.0M81.7某配合的公称尺寸为φ25mm,要求配合的最大间隙为+0.013mm,最大过盈为-0.021mm。试决定孔、轴公差等级,选择适当的配合(写出代号)并绘制公差带图。解:⑴选择公差等级由Tf=|Xmax-Ymax|=Th+TS得:Th+TS=|13-(-21)|=34(μm)查表1.4知:IT7=21μm,IT6=13μm,按工艺等价原则,取孔为IT7级,轴为IT6级,则:Th+TS=21+13=34(μm)符合设计要求。⑵选择基准制由于没有其他条件限制,故优先选用基孔制,则孔的公差带代号为:φ25H7(+021.00)⑶选择配合种类,即选择轴的基本偏差代号因为是过渡配合,故轴的基本偏差应在j~m之间,且其基本偏差为上偏(ei)。由Xmax=ES-ei得:ei=ES-Xmax=21-13=+8(μm)查表1.5选取轴的基本偏差代号为m(ei=+8μm)能保证Xmax的要求,故轴的公差带代号为:φ25m6(021.0008.0)。⑷验算:所选配合为φ25H7/m6,其:Xmax=ES-ei=21-8=+13μmYmin=EI-es=0-21=-21μm在+0.013mm~--0.021mm之间,故所选符合要求。1.8某配合的公称尺寸为φ30mm,按设计要求,配合的过盈应为-0.014~-0.048mm。试决定孔、轴公差等级,按基轴制选定适当的配合(写出代号)。解:⑴选择公差等级由Tf=|Ymin-Ymax|=Th+TS得:Th+TS=|-14-(-48)|=34(μm)查表1.4知:IT7=21μm,IT6=13μm,按工艺等价原则,取孔为IT7级,轴为IT6级,则:Th+TS=21+13=34(μm)符合设计要求。⑵选择基准制要求选用基轴制,则轴的公差带代号为:φ30h6(-0013.0)⑶选择配合种类,即选择孔的基本偏差代号因为是过盈配合,故孔的基本偏差应在P~ZC之间,且其基本偏差为上偏差(ES)。由Ymin=ES-ei得:ES=Ymin+ei=-14-13=-27(μm)查表1.6选取孔的基本偏差代号为S(ES=-27μm)能保证Ymin的要求,故孔的公差带代号为:φ30S7(027.0048.0)。⑷验算:所选...

1、当您付费下载文档后,您只拥有了使用权限,并不意味着购买了版权,文档只能用于自身使用,不得用于其他商业用途(如 [转卖]进行直接盈利或[编辑后售卖]进行间接盈利)。
2、本站所有内容均由合作方或网友上传,本站不对文档的完整性、权威性及其观点立场正确性做任何保证或承诺!文档内容仅供研究参考,付费前请自行鉴别。
3、如文档内容存在违规,或者侵犯商业秘密、侵犯著作权等,请点击“违规举报”。

碎片内容

互换性与技术测量基础第二版课后答案_胡凤兰主编真正的第二版讲解

爱的疯狂+ 关注
实名认证
内容提供者

该用户很懒,什么也没介绍

确认删除?
VIP
微信客服
  • 扫码咨询
会员Q群
  • 会员专属群点击这里加入QQ群
客服邮箱
回到顶部