电脑桌面
添加小米粒文库到电脑桌面
安装后可以在桌面快捷访问

甲醇合成气压缩机操作规程(最新).(DOC)VIP免费

甲醇合成气压缩机操作规程(最新).(DOC)_第1页
1/18
甲醇合成气压缩机操作规程(最新).(DOC)_第2页
2/18
甲醇合成气压缩机操作规程(最新).(DOC)_第3页
3/18
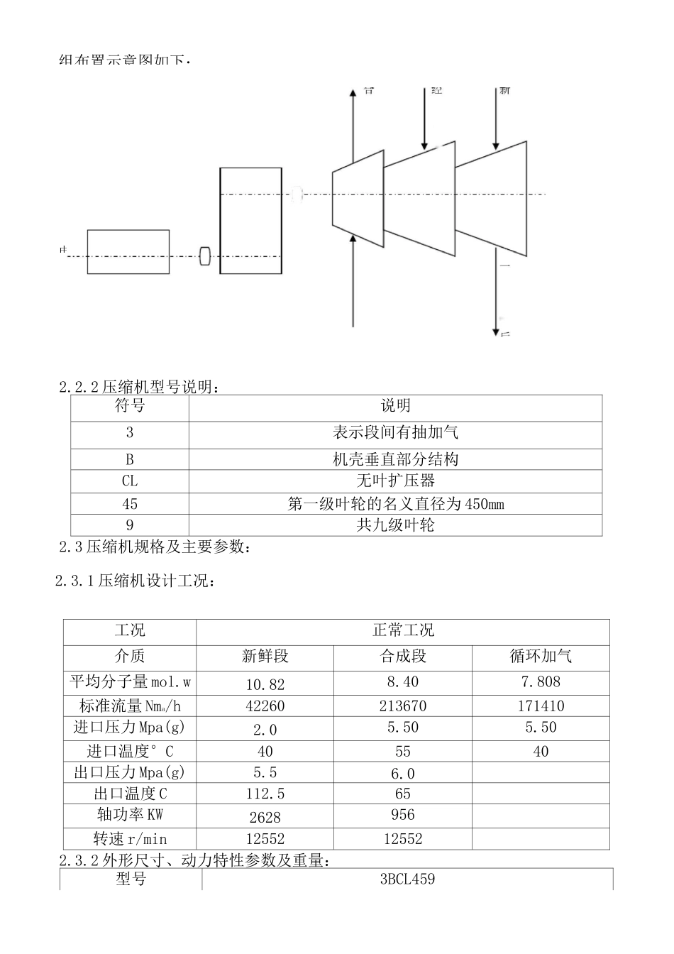
合成气压缩机操作规程1岗位工作的任务及意义1.1主题内容与适用范围本操作法规定了甲醇车间压缩机岗位的任务、工艺流程、主要设备性能、操作指标、开停车及运行过程中常见的事故处理、安全技术要点等有关事项。1.2岗位的任务压缩机岗位的任务是:对从转化来的新鲜气经过压缩机八级叶轮压缩后与甲醇合成系统甲醇分离器(F40003)分离出来的循环气(压力为5.5MPa.温度为40°C)在压缩机缸体内混合并经九级叶轮压缩升压至5.9MPa后送往甲醇合成系统合成甲醇。2工艺过程概述2.1离心式压缩机的工作原理:离心式压缩机的工作原理与输送液体的离心泵类似,气体从中心流入叶轮,在高速旋转的叶轮作用下,随叶轮作高速旋转并沿半径方向甩出来。叶轮在驱动机械作用下对气体作了功。因此,气体在叶轮内的流动过程中,一方面由于受旋转离心力的作用增加了气体本身的压力,另一方面又得到了很大的速度能(动能)。气体离开叶轮后,这部分速度能在通过叶轮后的扩压器、回流器弯道的过程中转变为压力能,进一步使气体的压力得到提高。2.2压缩机的结构及型号概述2.2.1压缩机结构概述3BCL459型离心压缩机由一缸三段九级组成(一段四级,二段四级,循环段一级),压缩机与原动机由膜片联轴器联接,压缩机,变速机和电机安装在同一钢底座上,整个机组采用润滑联合油站供油,压缩机的轴端密封采用天津鼎铭公司的干气密封,原动机采用佳木斯电机厂生产的高压增安型三相异步电动机。机组布置示意图如下:鲜成分离气气后变0速器电机循段环气压缩2.2.2压缩机型号说明:符号说明3表示段间有抽加气B机壳垂直部分结构CL无叶扩压器45第一级叶轮的名义直径为450mm9共九级叶轮2.3压缩机规格及主要参数:2.3.1压缩机设计工况:工况正常工况介质新鲜段合成段循环加气平均分子量mol.w10.828.407.808标准流量Nma/h42260213670171410进口压力Mpa(g)2.05.505.50进口温度°C405540出口压力Mpa(g)5.56.0出口温度C112.565轴功率KW2628956转速r/min12552125522.3.2外形尺寸、动力特性参数及重量:型号3BCL459段号I段II段III段进口法兰尺寸Dg200Dg200Dg250压力等级MPa(A)10.010.010.0结合面型式对焊锻钢法兰对焊锻钢法兰对焊锻钢法兰方向向上向上向下出口法兰尺寸Dg200Dg250压力等级MPa(A)10.010.0结合面型式对焊锻钢法兰对焊锻钢法兰方向向上向下机组外形尺寸:LXBXH=8350X3000X3000扰曲临界转速:第一阶临界转速:4280r/min第二阶临界转速:17121r/min转子重量:511kg最大维修件重量:5884kg压缩机重量:14525kg最小起升高度(从压缩机中分面算起):1.85m2.3.1传动方式:电机变速机、压缩机之间采用叠片挠性联轴器连接传动2.3.2原动机、电动机:型式:异步电机型号:YAKS800-2额定转速:2988r/min输出轴功率(额定):4200Kw2.4压缩机的工艺流程2.4.1气体流程:从转化工段来的新鲜气(温度40°C,压力2.0MPa(A)),进入合成气压缩机(J63001)—段,压缩至约3.5MPa(A),气体温度升至100C左右,经中间气体冷却器(C63001)冷却至40C,再经气液分离器(F63004)分离掉冷凝水后,进入循环段与来自甲醇合成的循环气(温度40C,压力5.5MPa)混合,压缩至6.0MPa(A),压缩机出口合成气送至甲醇合成。根据实际情况,调节新鲜气回路和循环气回路,以防止压缩机的喘振。2.4.2润滑油流程概述:与压缩机配套的润滑油站,设有一主一副两台蜗杆油泵,当油压低于0.15MPa时,辅助油泵自动启动,以保持油压正常。润滑油经过粗过滤器过滤(一开一备)被油泵吸入加压,通过一次油压调节阀PCV63003使其压力达到0.85〜0.90MPa之间,再经过C63003A、B(平时根据油温情况选择使用,长杆指向使用的油冷却器杆水平方向表明两台油冷却器共用)使其冷却到W49C,经过过滤器F63002A(B)过滤后,再通过二次调节阀PCV63006调节使其压力达到0.25〜0.30MPa之间后,送往各个润滑点。最后回到润滑油箱。本系统还设有高位油箱一个,当两台油泵同时发生故障而不能启动时,高位油箱的止回阀会自动打开,通过高位差流到各个润滑点,使机组能有时间停下来。2.4.3干气密封气流程说明:2.4.3.1一级缓冲气机组正常运行时,从出口端引出的经冷却、除液后的气体进入...

1、当您付费下载文档后,您只拥有了使用权限,并不意味着购买了版权,文档只能用于自身使用,不得用于其他商业用途(如 [转卖]进行直接盈利或[编辑后售卖]进行间接盈利)。
2、本站所有内容均由合作方或网友上传,本站不对文档的完整性、权威性及其观点立场正确性做任何保证或承诺!文档内容仅供研究参考,付费前请自行鉴别。
3、如文档内容存在违规,或者侵犯商业秘密、侵犯著作权等,请点击“违规举报”。

碎片内容

甲醇合成气压缩机操作规程(最新).(DOC)

确认删除?
VIP
微信客服
  • 扫码咨询
会员Q群
  • 会员专属群点击这里加入QQ群
客服邮箱
回到顶部