电脑桌面
添加小米粒文库到电脑桌面
安装后可以在桌面快捷访问

风力发电机巡检项目VIP免费

风力发电机巡检项目_第1页
1/7
风力发电机巡检项目_第2页
2/7
风力发电机巡检项目_第3页
3/7
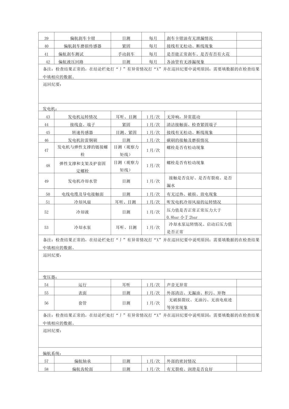
大唐桂冠盘县四格风电有限公司银河风机巡回检查记录号风机序号检查项目(内容)检查方法周期标准要求、参数检查结果叶片部分1叶片表面、叶尖、接收器目测(用望远镜)每月检查是否有积垢、碎片、腐蚀、裂纹2雷电接收每月有无污物、附着物3避雷针每月是否有断裂和腐蚀现象叶片螺栓:4螺栓目测(观察力矩线)每月与轮毂连接是否有松动备注:检查结果正常的,在结论栏处打“丿”有异常情况打“X”并在巡回纪要中说明原因;需要填数据的在检查结果中填相应的数据。巡回纪要:变浆系统:5变桨控制柜的表面情况目测每月有无油迹污染6变桨控制柜内继电器、开关等目测、紧固每月检查继电器和开关是否有损坏、接线是否牢固7控制柜冷却通风装置目测每月是否正常运行8控制柜加热装置目测每月是否正常运行9蓄电池柜目测每月内部是否清洁、接线是否牢固、加热系统是否正常10蓄电池万用表每月目测蓄电池外观是否有膨胀现象、测量电压是否正常(230V)11叶片齿轮目测每月表面是否清洁、有无裂痕、是否缺油12防雷铜刷目测每月有无被雷击现象,安装是否牢固13变桨电机齿轮箱油位目测每月是否缺油14变桨轴承与螺栓与轮毂连接情况目测每月有无松动、断裂现象15油轮目测每月表面清洁、无裂纹、无污染16编码器目测每月表面清洁、无裂纹、无污染、接线无松动17变桨电机齿面目测每月是否缺油、表面清洁、无裂纹、无污染18变桨轴承外部清洁情况目测每月密封是否严密,是否存在油迹19轴承润滑目测每月是否缺油20测试比例阀目测每月各叶片角度是否一致(89°-91°)21电缆红外测温仪每月是否过热、是否有放电痕迹备注:检查结果正常的,在结论栏处打“丿”有异常情况打“X”并在巡回纪要中说明原因;需要填数据的在检查结果中填相应的数据。巡回纪要:轮毂:22照明目测每月是否有异常23变桨轴承与轮毂的连接螺栓目测(观察力矩线)每月螺栓有无松动、脱落现象24轮毂零部件目测每月轮毂零部件有无松动现象25导流罩与轮毂的连接螺栓紧固每月用扳手检查连接螺栓是否存在松动现象26分配器接线情况目测每月有无松动、脱落、漏油现象27油泵目测每月是否缺油滑环:28滑环目测每月检查滑环内部有无污物2+滑环插座目测每月接触是否良好30拉杆目测每月检查拉杆有无损坏、变形备注:检查结果正常的,在结论栏处打“丿”有异常情况打“X”并在巡回纪要中说明原因;需要填数据的在检查结果中填相应的数据。巡回纪要:刹车系统:31主轴刹车片目测每月刹车片厚度及其表面有无裂痕,刹车盘间隙是否正常。间隙为:0・3mm-0.5mm刹车片磨损:<19mm32主轴刹车盘表面目测每月是否清洁,无油、油脂33主轴刹车卡钳目测每月刹车卡钳油有无泄漏情况34主轴刹车磨损传感器紧固每月接线有无松动、断线现象35主轴刹车测试手动刹车每月是否能正常刹车、是否有否有火花36主轴刹车液压回路目测每月各油管有无渗漏现象37偏航刹车片目测每月刹车片厚度及其表面有无裂痕,刹车盘间隙是否正常。间隙为:0・3mm-0.5mm刹车片磨损:<19mm38偏航刹车盘表面目测每月是否清洁,无油、油脂39偏航刹车卡钳目测每月刹车卡钳油有无泄漏情况40偏航刹车磨损传感器紧固每月接线有无松动、断线现象41偏航刹车测试手动刹车每月是否能正常刹车、是否有否有火花42偏航液压回路目测每月各油管有无渗漏现象备注:检查结果正常的,在结论栏处打“丿”有异常情况打“X”并在巡回纪要中说明原因;需要填数据的在检查结果中填相应的数据。巡回纪要:发电机:43发电机运转情况耳听、目测1月/次无异响,异常震动44接线盒、端子紧固1月/次清洁接触面、检查紧固端子45转速传感器目测、紧固1月/次接线有无松动、断线现象46发电机防雷铜刷目测1月/次碳刷的接触及磨损情况47发电机与弹性支撑的链接螺栓目测(观察力矩线)1月/次螺栓是否有松动现象48弹性支撑和支架及护套固定螺栓目测(观察力矩线)1月/次螺栓是否有松动现象49发电机冷却水管目测1月/次接触是否良好、是否有裂痕、是否漏水50电线电缆及导电接触面目测1月/次有无过热、破损、放电现象51冷却风扇耳听、目测1月/次听发电机冷却风扇的运转情况52冷却液目测1月/次压力值是否正常正常压力大于0.8bar小于2bar53冷却水泵...

1、当您付费下载文档后,您只拥有了使用权限,并不意味着购买了版权,文档只能用于自身使用,不得用于其他商业用途(如 [转卖]进行直接盈利或[编辑后售卖]进行间接盈利)。
2、本站所有内容均由合作方或网友上传,本站不对文档的完整性、权威性及其观点立场正确性做任何保证或承诺!文档内容仅供研究参考,付费前请自行鉴别。
3、如文档内容存在违规,或者侵犯商业秘密、侵犯著作权等,请点击“违规举报”。

碎片内容

风力发电机巡检项目

您可能关注的文档

确认删除?
VIP
微信客服
  • 扫码咨询
会员Q群
  • 会员专属群点击这里加入QQ群
客服邮箱
回到顶部