电脑桌面
添加小米粒文库到电脑桌面
安装后可以在桌面快捷访问

电工工作流程及电工工作表单VIP免费

电工工作流程及电工工作表单_第1页
1/10
电工工作流程及电工工作表单_第2页
2/10
电工工作流程及电工工作表单_第3页
3/10
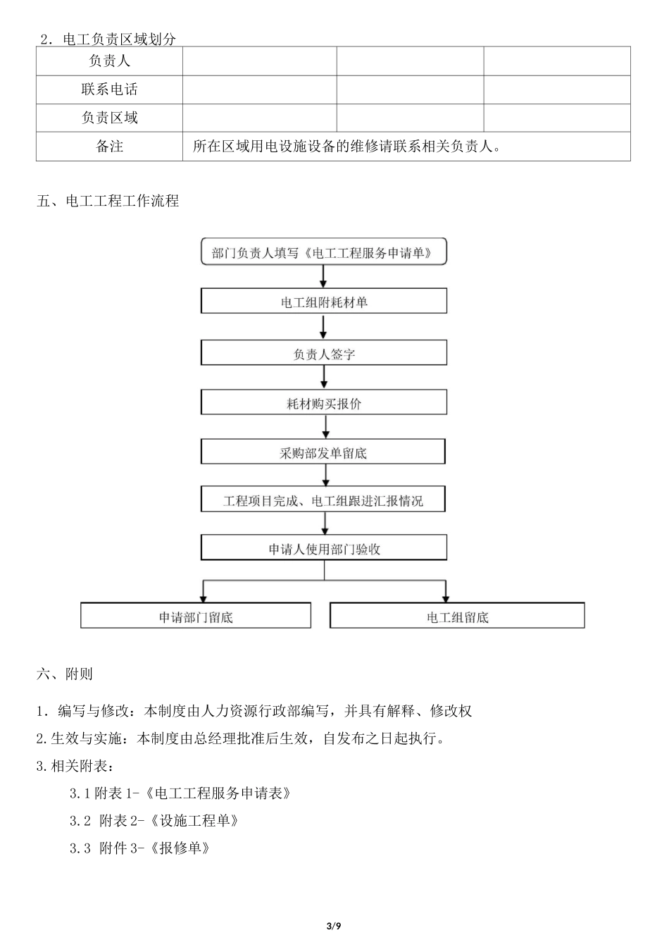
1/9关于公司用电设施设备的管理规定一、总则1.目的:为加强公司用电设施设备的安装、维护和维修管理,规范电器设备的使用,特制定本规定。2.适用范围:****公司。3.用电设施设备管理部门和职责3.1使用部门是用电设施设备的直接负责人,其主要职责包括:3.1.1用电设施设备的用电报装;3.1.2用电设施设备的正常操作,并进行操作记录;3.1.3用电设施设备的日常维护;3.1.4用电设施设备的报修。3.2人力资源行政部电工组是用电设施设备的,其主要职责包括:3.2.1用电设施设备报装中对与电有关的事项进行审核并给予相关建议和指导;3.2.2定期检查设施设备的运行情况,并做相关记录;3.2.3用电设施设备的维护指导和基础维修工作;3.2.4跟进各项工程进度和检查工程质量,定期汇报;3.2.5厂区用电安全巡查。二、用电报装1.使用部门在报装用电设施设备前,为了物料准备等相关材料的安排,至少需提前5个工作日填写《电工工程服务申请表》和详细的工程内容和标准提交至人力资源行政部。在没有提申请知的情况下,人力资源行政部不受理任何用电报装要求。2.人力资源行政部在接到使用部门的申请后,电工组于1个工作日内对工程项目进行评估,提出用电布局及安装建议和计划。对于工程中不合理的用电安装要求,电工有权进行建议和修改用电方案。3.若工程项目较大或涉及费用较大,需经会议决定后报总经办审批。工程项目审批后,电工组需在计划时间内完成用电安装,并对工程项目的整体进程进行跟进,确保用电等符合工程项目要求。4.用电设施设备安装完成后,使用部门需将用电设施设备的使用说明书等,施工图等给到人2/9力资源行政部进行备份。5.因工程申请部门未提供相关工程说明书和施工图影响电工组在后续的跟踪和维修维护工作造成的损失,则由申请部门承担相关责任。三、用电设施设备的使用、维护和报修1.使用部门应指定专人按照规程操作用电设施设备,使用前需进行正规操作和日常维护培训2.操作人员在使用过程中,应严格按照操作规程进行,不得违规操作。3.操作人员应注重日常保养,发现异常及时填写《报修单》交至人力资源行政部进行检查和维修。4.电工组接到《报修单》当日,应立即进行初步检查,确定维修完成时间。如需购买相关工具和设备进行维修或外部维修,立即申请采购或申请外部单位维修。5.如遇紧急情况,直接联系所在区域负责电工。四、电工的工作职责和负责区域划分1.电工职责1.1每日上班前巡视厂区内用电设备的运行情况,并填写每日点检表。1.2及时通报维修情况,对发现的问题立即处理;如遇紧急情况,立即组织人员及时处理确保设备正常运行。1.3对各车间的工程进度进行监管,对各维修情况进行跟踪;每天发放当天的工程派单,根据相应的负责人对工程的材料、工程的进度的汇报进行核实,并及时对申购材料及配件,如工程需重大支援另行调整安排。1.4对于重大的设备的维护、管理跟踪;当出现或已经出现的故障应及时排除,并通知相应的厂家进行保养和维修并做记录。1.5不定时对各区域进行检查,如工程进度、工程质量、维修保养记录等。1.6每月进行一次全面的保养排查,对各种派送单及点检表、保养维修记录进行归档保存并做相应的记录1.7重大工程及事件及时向领导汇报,并提供一些合理参考数据供高层参考,得到方案后及时落实和安排工作。1.8外来施工协助进度跟踪。3/92.电工负责区域划分负责人联系电话负责区域备注所在区域用电设施设备的维修请联系相关负责人。五、电工工程工作流程六、附则1.编写与修改:本制度由人力资源行政部编写,并具有解释、修改权2.生效与实施:本制度由总经理批准后生效,自发布之日起执行。3.相关附表:3.1附表1-《电工工程服务申请表》3.2附表2-《设施工程单》3.3附件3-《报修单》4/93.3附表3-《电工工作点检表》5/9****公司电工工程服务申请表电工组编号申请部门工程名称工程内容及项目:注:请详细提供工程内容及项目需要达到的标准和要求并提供所需的位置图纸。申请人:联系方式:要求开工日期:批准人:日期:要求完工日期:申请部门代码:使用部门代码:费用归属:若工程项目较大或费用较大的情况下需经会议决定后签呈:批准人:人力资源行政部接单人...

1、当您付费下载文档后,您只拥有了使用权限,并不意味着购买了版权,文档只能用于自身使用,不得用于其他商业用途(如 [转卖]进行直接盈利或[编辑后售卖]进行间接盈利)。
2、本站所有内容均由合作方或网友上传,本站不对文档的完整性、权威性及其观点立场正确性做任何保证或承诺!文档内容仅供研究参考,付费前请自行鉴别。
3、如文档内容存在违规,或者侵犯商业秘密、侵犯著作权等,请点击“违规举报”。

碎片内容

电工工作流程及电工工作表单

您可能关注的文档

确认删除?
VIP
微信客服
  • 扫码咨询
会员Q群
  • 会员专属群点击这里加入QQ群
客服邮箱
回到顶部