电脑桌面
添加小米粒文库到电脑桌面
安装后可以在桌面快捷访问

室内排水技术交底VIP免费

室内排水技术交底_第1页
1/12
室内排水技术交底_第2页
2/12
室内排水技术交底_第3页
3/12
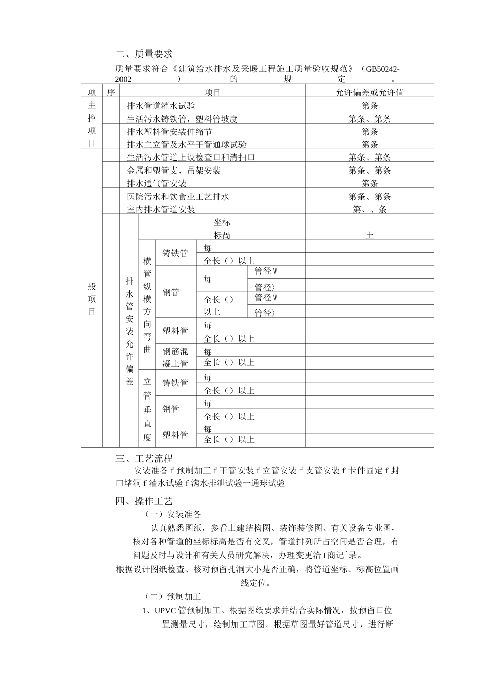
交底部室内排水管道安装工程分项工程质量技术交底卡日期年施工准备(一)作业条件UPVC埋设管道,应开挖沟槽,沟槽要平直,必须有坡度,沟底夯实。地下铸铁排水管道的铺设必须在基础达到或接近土O.OO标高,房心回填到管底或稍高的高度,房心内沿管线位置无堆积物,且管线穿过建筑基础处,己按设计要求预留管洞。暗装管道(包括设备层、竖井、吊顶内的管道)首先应核对各种管道的标高、坐标的排列有无矛盾。预留孔洞、预埋件巳完成。土建支模巳拆除,操作场地清理干净,安装高度超过3.5m应搭脚手,并做好安全防护。室内明装管道要与结构进度相隔二层的条件下进行安装。室内地平线应弹好,粗装修抹灰工程已完成。安装场地无障碍物。(二)材料要求1.硬质聚氯乙烯(UPVC)管材、管件、支架、粘接剂应是管材厂家配套产品。管道规格尺寸应与卫生洁具连接适宜,并有产品质量合格证、相关检验报告及说明书。管材内外表层应光滑,无气泡、裂纹,管壁厚度均匀,色泽一致。直管段挠度不大于1%。管件造型应规矩、光滑,无毛刺。承口应有梢度,并与插口配套。码放时地面要平,如果上架应多设几个支点防止管子变形。冬季防止冻坏,夏季防止太阳晒。用到的其他材料有:粘接剂、型钢、圆钢、卡件、螺栓、螺母、肥皂、铅笔等。2.铸铁排水管道及管件品种、规格应符合设计要求。灰口铸铁的管壁应厚度均匀,内外光滑整洁,无浮砂、包砂、粘砂,更不允许有砂眼、裂纹、飞刺和疙瘩。承插口的内外径及管件造型规矩,法兰接口平正光洁严密,地漏和返水弯的扣距必须一致,不得有偏扣、乱扣、方扣、丝扣不全等现象。青麻、油麻要整齐,不允许有腐朽现象。沥青漆、防锈漆、调和漆和银粉必须有产品合格证。水泥一般采用强度等级P.O32.5的普通水泥,必须有产品合格证、出厂检测报告及进场复验报告。用到的其他材料有:汽油、机油、胶皮布、电气、焊条、型钢、螺栓、螺母、铅丝等。3.不得使用国家限制使用和淘汰落后的建材产品。4.主要设备、器具应有安装使用说明书。(三)主要机具1、UPVC管道。施工单位工程名称分部工程机具:手电钻、冲击钻、手锯、铣口器、钢刮板、活扳手、手锤、套丝扳等。其他:水平尺、线坠、钢卷尺、小线、毛刷、棉布等。2、铸铁管道。机具:套丝机、电焊机、台钻、冲击钻、电锤、砂轮机等。工具:套丝扳、手锤、大锤、手锯、断管器、凿子、捻凿、麻钎、压力案、台虎钳、管钳、小车等。其他:水平尺、线坠、钢卷尺、小线等。二、质量要求质量要求符合《建筑给水排水及采暖工程施工质量验收规范》(GB50242-2002)的规定。项序项目允许偏差或允许值主控项目排水管道灌水试验第条生活污水铸铁管,塑料管坡度第条、第条排水塑料管安装伸缩节第条排水主立管及水平干管通球试验第条般项目生活污水管道上设检查口和清扫口第条、第条金属和塑管支、吊架安装第条、第条排水通气管安装第条医院污水和饮食业工艺排水第条、第条室内排水管道安装第、、条排水管安装允许偏差坐标标咼土横管纵横方向弯曲铸铁管每全长()以上钢管每管径W管径〉全长()以上管径W管径〉塑料管每全长()以上钢筋混凝土管每全长()以上立管垂直度铸铁管每全长()以上钢管每全长()以上塑料管每全长()以上三、工艺流程安装准备f预制加工f干管安装f立管安装f支管安装f卡件固定f封口堵洞f灌水试验f满水排泄试验一通球试验四、操作工艺(一)安装准备认真熟悉图纸,参看土建结构图、装饰装修图、有关设备专业图,核对各种管道的坐标标高是否有交叉,管道排列所占空间是否合理,有问题及时与设计和有关人员研究解决,办理变更洽I商记^录。根据设计图纸检查、核对预留孔洞大小是否正确,将管道坐标、标高位置画线定位。(二)预制加工1、UPVC管预制加工。根据图纸要求并结合实际情况,按预留口位置测量尺寸,绘制加工草图。根据草图量好管道尺寸,进行断管。断口要平齐,用铣刀或刮刀除掉断口内外飞刺,外棱铣出15°角。粘接前应对承插口先插入试验,不得全部插入,一般为承口的3/4深度。试插合格后,用棉布将承插口需粘接部分的水分、灰尘擦拭干净。如有油污需用丙酮除掉。用毛刷涂抹粘接剂,先涂抹承口后涂抹插口,随即...

1、当您付费下载文档后,您只拥有了使用权限,并不意味着购买了版权,文档只能用于自身使用,不得用于其他商业用途(如 [转卖]进行直接盈利或[编辑后售卖]进行间接盈利)。
2、本站所有内容均由合作方或网友上传,本站不对文档的完整性、权威性及其观点立场正确性做任何保证或承诺!文档内容仅供研究参考,付费前请自行鉴别。
3、如文档内容存在违规,或者侵犯商业秘密、侵犯著作权等,请点击“违规举报”。

碎片内容

室内排水技术交底

您可能关注的文档

wxg+ 关注
实名认证
内容提供者

该用户很懒,什么也没介绍

确认删除?
VIP
微信客服
  • 扫码咨询
会员Q群
  • 会员专属群点击这里加入QQ群
客服邮箱
回到顶部