电脑桌面
添加小米粒文库到电脑桌面
安装后可以在桌面快捷访问

交叉口展宽设置规范VIP免费

交叉口展宽设置规范_第1页
1/3
交叉口展宽设置规范_第2页
2/3
交叉口展宽设置规范_第3页
3/3
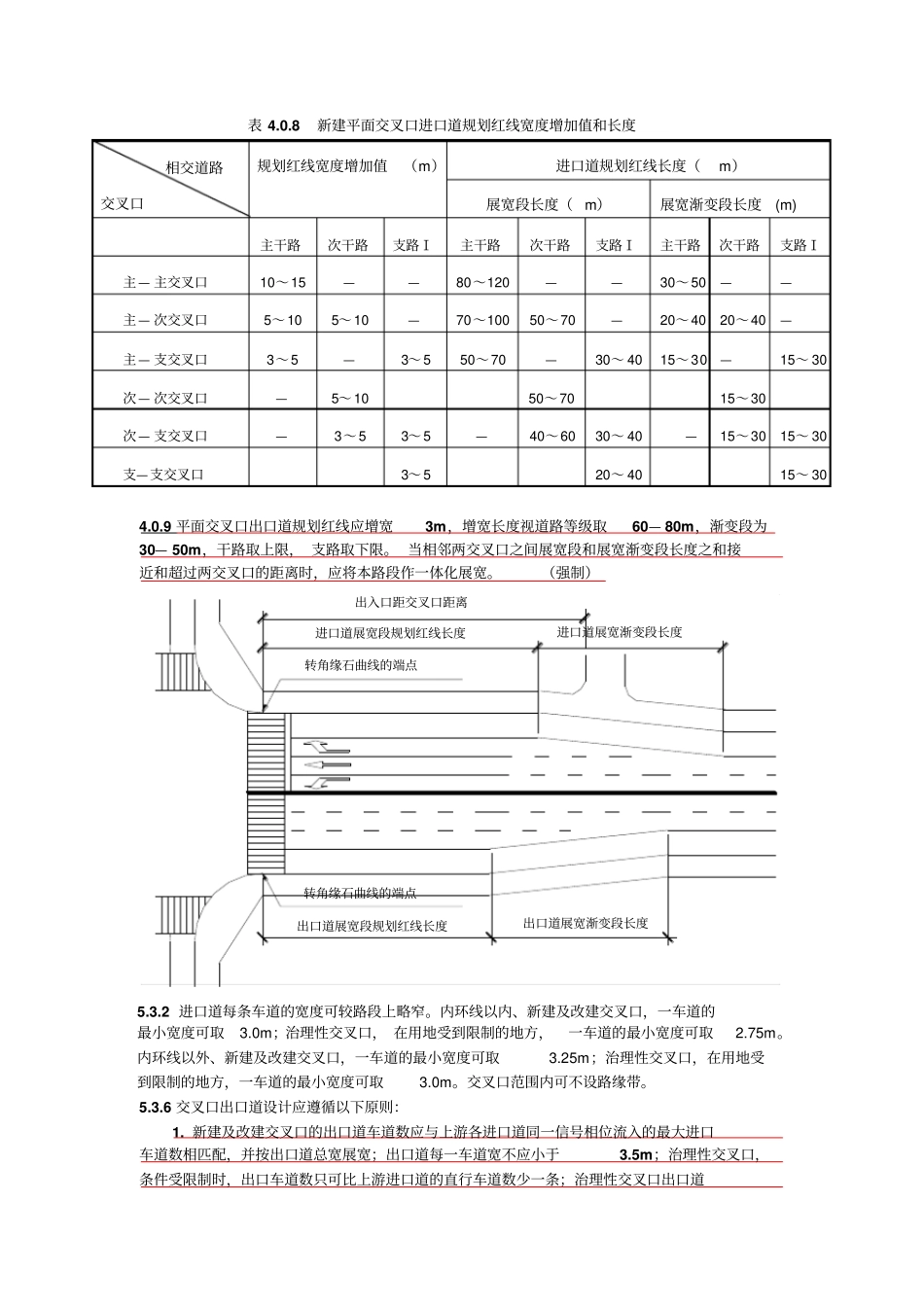
表4.0.8新建平面交叉口进口道规划红线宽度增加值和长度相交道路交叉口规划红线宽度增加值(m)进口道规划红线长度(m)展宽段长度(m)展宽渐变段长度(m)主干路次干路支路Ⅰ主干路次干路支路Ⅰ主干路次干路支路Ⅰ主—主交叉口10~15——80~120——30~50——主—次交叉口5~105~10—70~10050~70—20~4020~40—主—支交叉口3~5—3~550~70—30~4015~30—15~30次—次交叉口—5~1050~7015~30次—支交叉口—3~53~5—40~6030~40—15~3015~30支—支交叉口3~520~4015~304.0.9平面交叉口出口道规划红线应增宽3m,增宽长度视道路等级取60—80m,渐变段为30—50m,干路取上限,支路取下限。当相邻两交叉口之间展宽段和展宽渐变段长度之和接近和超过两交叉口的距离时,应将本路段作一体化展宽。(强制)转角缘石曲线的端点进口道展宽段规划红线长度进口道展宽渐变段长度出入口距交叉口距离出口道展宽渐变段长度出口道展宽段规划红线长度转角缘石曲线的端点5.3.2进口道每条车道的宽度可较路段上略窄。内环线以内、新建及改建交叉口,一车道的最小宽度可取3.0m;治理性交叉口,在用地受到限制的地方,一车道的最小宽度可取2.75m。内环线以外、新建及改建交叉口,一车道的最小宽度可取3.25m;治理性交叉口,在用地受到限制的地方,一车道的最小宽度可取3.0m。交叉口范围内可不设路缘带。5.3.6交叉口出口道设计应遵循以下原则:1.新建及改建交叉口的出口道车道数应与上游各进口道同一信号相位流入的最大进口车道数相匹配,并按出口道总宽展宽;出口道每一车道宽不应小于3.5m;治理性交叉口,条件受限制时,出口车道数只可比上游进口道的直行车道数少一条;治理性交叉口出口道每一车道的宽度不应小于3.25m;(强制)2.出口道为干路,相邻进口道有右转专用车道时,出口道必须设置展宽段;(强制)3.出口道设有公交停靠站时,按港湾停靠站要求设置展宽段;在设置展宽的出口道上设置公交停靠站时,应利用展宽段的延伸段设置港湾式公交停靠站;4.出口道的总长度由出口道展宽段和展宽渐变段组成。出口道展宽段长度由缘石转弯曲线的端点向下游方向计算,不设公交停靠站时,长度为60~80m;设置停靠站时,再加上公交停靠站所需长度,并须满足视距三角形的要求。条件受限制时,不应小于30m。5.4.8公交港湾式停靠站类型:⑴机非混行道路或机动车专用道路,可沿人行道设置港湾式公交停靠站,见图(5.4.8-1)所示;图5.4.8-1沿人行道设置的港湾式停靠站⑵机非混行道路,利用人行道多余宽度在机动车道与非机动车道间设置港湾式公交停靠站,见图(5.4.8-2)所示;图5.4.8-2在机动车道与非机动车道间设置的港湾式停靠站⑶沿机非分隔带设置公交停靠站,在分隔带宽度≥4m时,港湾式停靠站设置方法见图(5.4.8-3)所示;在分隔带宽度<4m而人行道有多余宽度时,港湾式停靠站设置方法见图(5.4.8-4)所示;图5.4.8-3沿机非分隔带设置的港湾式停靠站形式一图5.4.8-4沿机非分隔带设置的港湾式停靠站形式二5.4.9公交港湾式停靠站的几何尺寸见图5.4.9:图5.4.9港湾式公交停靠站的设计尺寸

1、当您付费下载文档后,您只拥有了使用权限,并不意味着购买了版权,文档只能用于自身使用,不得用于其他商业用途(如 [转卖]进行直接盈利或[编辑后售卖]进行间接盈利)。
2、本站所有内容均由合作方或网友上传,本站不对文档的完整性、权威性及其观点立场正确性做任何保证或承诺!文档内容仅供研究参考,付费前请自行鉴别。
3、如文档内容存在违规,或者侵犯商业秘密、侵犯著作权等,请点击“违规举报”。

碎片内容

交叉口展宽设置规范

爱的疯狂+ 关注
实名认证
内容提供者

该用户很懒,什么也没介绍

确认删除?
VIP
微信客服
  • 扫码咨询
会员Q群
  • 会员专属群点击这里加入QQ群
客服邮箱
回到顶部