电脑桌面
添加小米粒文库到电脑桌面
安装后可以在桌面快捷访问

交流电压测量——4VIP免费

交流电压测量——4_第1页
1/3
交流电压测量——4_第2页
2/3
交流电压测量——4_第3页
3/3
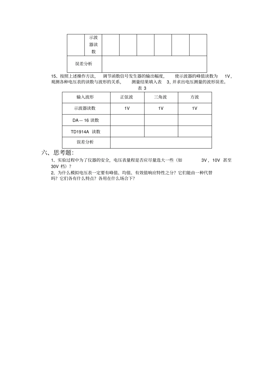
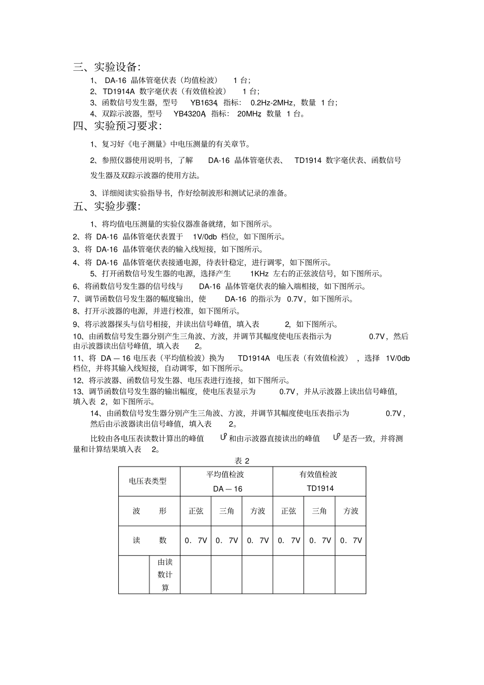
交流电压测量(常规仪器方式)一、实验目的:了解交流电压测量的基本原理,分析几种典型电压波形对不同检波特性电压表的响应,以及它们之间的换算关系,并对测量结果做误差分析。二、实验原理:一个交流电压的大小,可以用峰值U?,平均值U,有效值U,以及波形因数KF,波峰因数KP等表征,若被测电压的瞬时值为)(tu,则全波平均值为有效值为波形因数为UUKF波峰因数为UUKP?而用来测量电压的指针式电压表中的检波器有多种形式,一般来说,具有不同检波特性的电压表都是以正弦电压的有效值来定度的,但是,除有效值电压表外,电压表的示值本身并不直接代表任意波形被测电压的有效值。因此,如何利用不同检波特性的电压表的示值(即读数)来正确求出被测电压的均值U,峰值U?,有效值U,这便是一个十分值得注意的问题。根据理论分析,不同波形的电压加至不同检波特性的电压表时,要由电压表读数确定被测电压的U?、U、U,一般可根据表1的关系计算。从表1可知,用具有有效值响应的电压表和平均值响应的电压表分别对各种波形的电压测量时,若读数相同,只分别表示不同波形的被测电压有效值U相同和平均值U相同,而其余的并不一定相同。表1电压表类型平均值检波有效值检波波形正弦锯齿三角方波正弦锯齿三角方波读数A1A2A3A4A1A2A3A42A124A224A322A42A13A23A3A4A1324A2324A322A4A1A2A3A422A122A222A322A422A123A223A3A4三、实验设备:1、DA-16晶体管毫伏表(均值检波)1台;2、TD1914A数字毫伏表(有效值检波)1台;3、函数信号发生器,型号YB1634,指标:0.2Hz-2MHz,数量1台;4、双踪示波器,型号YB4320A,指标:20MHz,数量1台。四、实验预习要求:1、复习好《电子测量》中电压测量的有关章节。2、参照仪器使用说明书,了解DA-16晶体管毫伏表、TD1914数字毫伏表、函数信号发生器及双踪示波器的使用方法。3、详细阅读实验指导书,作好绘制波形和测试记录的准备。五、实验步骤:1、将均值电压测量的实验仪器准备就绪,如下图所示。2、将DA-16晶体管毫伏表置于1V/0db档位,如下图所示。3、将DA-16晶体管毫伏表的输入线短接,如下图所示。4、将DA-16晶体管毫伏表接通电源,待表针稳定,进行调零,如下图所示。5、打开函数信号发生器的电源,选择产生1KHz左右的正弦波信号,如下图所示。6、将函数信号发生器的信号线与DA-16晶体管毫伏表的输入端相接,如下图所示。7、调节函数信号发生器的幅度输出,使DA-16的指示为0.7V,如下图所示。8、打开示波器的电源,并进行校准,如下图所示。9、将示波器探头与信号相接,并读出信号峰值,填入表2,如下图所示。10、由函数信号发生器分别产生三角波、方波,并调节其幅度使电压表指示为0.7V,然后由示波器读出信号峰值,填入表2。11、将DA—16电压表(平均值检波)换为TD1914A电压表(有效值检波),选择1V/0db档位,并将其输入线短接,自动调零,如下图所示。12、将示波器、函数信号发生器、电压表进行连接,如下图所示。13、调节函数信号发生器的输出幅度,使电压表显示为0.7V,并从示波器上读出信号峰值,填入表2,如下图所示。14、由函数信号发生器分别产生三角波、方波,并调节其幅度使电压表指示为0.7V,然后由示波器读出信号峰值,填入表2。比较由各电压表读数计算出的峰值U?和由示波器直接读出的峰值U?是否一致,并将测量和计算结果填入表2。表2电压表类型平均值检波DA—16有效值检波TD1914波形正弦三角方波正弦三角方波读数0.7V0.7V0.7V0.7V0.7V0.7V由读数计算示波器读数误差分析15、按照上述操作方法,调节函数信号发生器的输出幅度,使示波器的峰值读数为1V,观测各种电压表的读数与波形的关系,测量结果填入表3,并求出电压测量的波形误差。表3输入波形正弦波三角波方波示波器读数1V1V1VDA—16读数TD1914A读数误差分析六、思考题:1、实验过程中为了仪器的安全,电压表量程是否应尽量选大一些(如3V,10V甚至30V档)?2、为什么模拟电压表一定要有峰值、均值、有效值响应特性之分?它们能由一种代替吗?它们各有什么特点?各用在什么场合下?

1、当您付费下载文档后,您只拥有了使用权限,并不意味着购买了版权,文档只能用于自身使用,不得用于其他商业用途(如 [转卖]进行直接盈利或[编辑后售卖]进行间接盈利)。
2、本站所有内容均由合作方或网友上传,本站不对文档的完整性、权威性及其观点立场正确性做任何保证或承诺!文档内容仅供研究参考,付费前请自行鉴别。
3、如文档内容存在违规,或者侵犯商业秘密、侵犯著作权等,请点击“违规举报”。

碎片内容

交流电压测量——4

确认删除?
VIP
微信客服
  • 扫码咨询
会员Q群
  • 会员专属群点击这里加入QQ群
客服邮箱
回到顶部