电脑桌面
添加小米粒文库到电脑桌面
安装后可以在桌面快捷访问

冷库安装施工标准VIP免费

冷库安装施工标准_第1页
1/9
冷库安装施工标准_第2页
2/9
冷库安装施工标准_第3页
3/9
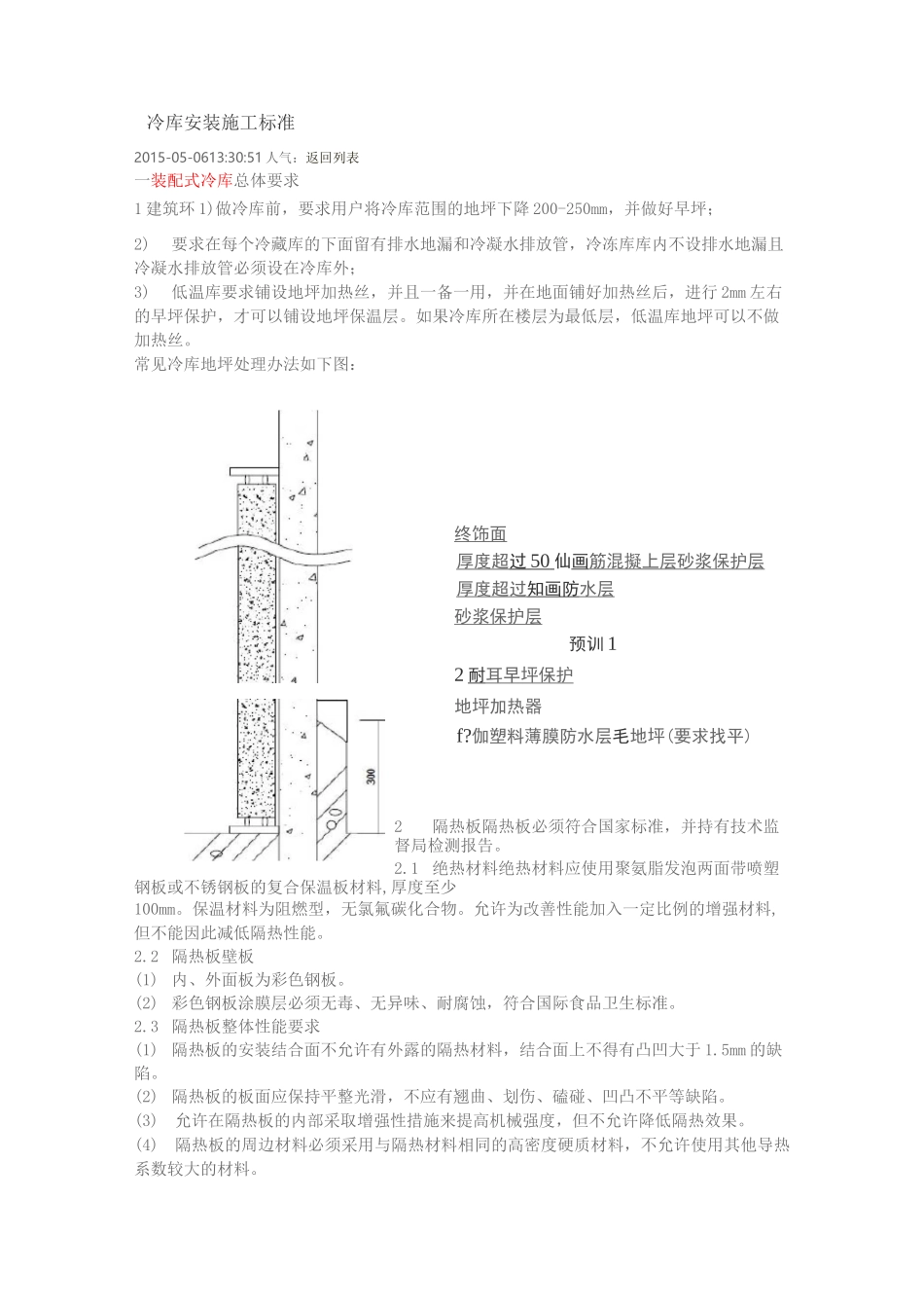
冷库安装施工标准2015-05-0613:30:51人气:返回列表一装配式冷库总体要求1建筑环1)做冷库前,要求用户将冷库范围的地坪下降200-250mm,并做好早坪;2)要求在每个冷藏库的下面留有排水地漏和冷凝水排放管,冷冻库库内不设排水地漏且冷凝水排放管必须设在冷库外;3)低温库要求铺设地坪加热丝,并且一备一用,并在地面铺好加热丝后,进行2mm左右的早坪保护,才可以铺设地坪保温层。如果冷库所在楼层为最低层,低温库地坪可以不做加热丝。常见冷库地坪处理办法如下图:终饰面厚度超过50仙画筋混擬上层砂浆保护层厚度超过知画防水层砂浆保护层预训12耐耳早坪保护地坪加热器f?伽塑料薄膜防水层毛地坪(要求找平)2隔热板隔热板必须符合国家标准,并持有技术监督局检测报告。2.1绝热材料绝热材料应使用聚氨脂发泡两面带喷塑钢板或不锈钢板的复合保温板材料,厚度至少100mm。保温材料为阻燃型,无氯氟碳化合物。允许为改善性能加入一定比例的增强材料,但不能因此减低隔热性能。2.2隔热板壁板(1)内、外面板为彩色钢板。(2)彩色钢板涂膜层必须无毒、无异味、耐腐蚀,符合国际食品卫生标准。2.3隔热板整体性能要求(1)隔热板的安装结合面不允许有外露的隔热材料,结合面上不得有凸凹大于1.5mm的缺陷。(2)隔热板的板面应保持平整光滑,不应有翘曲、划伤、磕碰、凹凸不平等缺陷。(3)允许在隔热板的内部采取增强性措施来提高机械强度,但不允许降低隔热效果。(4)隔热板的周边材料必须采用与隔热材料相同的高密度硬质材料,不允许使用其他导热系数较大的材料。■.■■■(5)隔热墙板与地面相接处应有防止冷桥的措施。(6)隔热板之间的板缝处须采用玻璃胶或其他无毒、无异味、无有害物质挥发、符合食品卫生要求并且密封性良好的胶性材料密封。(7)隔热板之间的联接结构应保证接缝之间的压力和接缝处连接牢固。2.4隔热板安装要求库板和库板之间的接缝必须密封良好,两库板之间的拼接缝要求小于1.5mm,同时在结构上要求牢固可靠。库体拼接完后,所有库板接缝应涂连续均匀的密封胶。下面对各种接缝的断面结构进行说明:当顶板跨度超过4m或冷库顶板要载重时,必须对冷库顶板进行吊装。螺栓位置要选择库板中点,为使库板受力尽可能均匀,必须按照图示使用铝合金角钢或蘑菇帽。2.5库体隔热板接缝的密封性要求(1)应保证墙板与地面结合处墙板的隔热材料与地坪中的隔热材料密切相接,有可靠的密封、防潮处理。(2)隔热板的接缝若采用现场灌注发泡方式密封结合,首先应保证使两块隔热板的隔热材料能够紧密相贴,然后使用密封胶布贴匀结合面,消除空隙,确保隔热材料粘合牢固。(3)隔热板接缝处的密封材料本身应抗老化、耐腐蚀、无毒、无异味、无有害物质挥发、符合食品卫生要求并且密封性良好。接缝处的密封材料不得有偏移、离位保证接缝处的密封严实、均匀。(4)若采用密封胶条密封隔热板的接缝,接缝尺寸不得大于3mm。(5)组成库体的隔热板沿其高度方向必须是整体的,无水平的中间接缝。(6)冷库地坪隔热层的厚度应三100mm。(7)库体顶棚的吊点结构必须采取措施减低“冷桥”效应,吊点的孔洞处应予以密封处理。(8)与库板相连的吊点材料的导热系数应较小,库的内表面也应采用同样材料的罩帽将吊点遮盖。3装配式冷库库门要求1)装配式冷库配置3种门:铰链门,自动单侧滑动门,单侧滑动门。2)冷库门厚度、面层和绝热性能要求与库板相同,门框及门的结构不应有冷桥。3)所有低温冷库门门框内应埋设防止门的密封条被冻结的电加热或介质加热装置,当采用电加热时需提供电热保护装置和安全措施。4)小型冷藏库、冷冻库库门为手动平开门,门的表面要求同隔热板面板,库门把手及库门结构不应有“冷桥”,库门开度>90度。5)冷库库门带有门锁,门锁具有安全脱锁功能。6)所有库门都必须开关灵活、轻便,门框及门本身的密封接触平面必须光滑、平整,不得有翘曲、毛剌或螺丝端头歪斜、外露而产生刮、擦现象,保证密封胶条能够贴实门框周边。4库体附件1)低温冷库(库温V-5°C=地面下须配置电热防冻装置及其温度自动调控装置,以有效防止库板底面的冻结变形。2)库内装设防潮、防爆的荧光照明灯,能在-25C条件下正常工作,灯罩应防潮、防腐、防...

1、当您付费下载文档后,您只拥有了使用权限,并不意味着购买了版权,文档只能用于自身使用,不得用于其他商业用途(如 [转卖]进行直接盈利或[编辑后售卖]进行间接盈利)。
2、本站所有内容均由合作方或网友上传,本站不对文档的完整性、权威性及其观点立场正确性做任何保证或承诺!文档内容仅供研究参考,付费前请自行鉴别。
3、如文档内容存在违规,或者侵犯商业秘密、侵犯著作权等,请点击“违规举报”。

碎片内容

冷库安装施工标准

您可能关注的文档

wxg+ 关注
实名认证
内容提供者

该用户很懒,什么也没介绍

确认删除?
VIP
微信客服
  • 扫码咨询
会员Q群
  • 会员专属群点击这里加入QQ群
客服邮箱
回到顶部