电脑桌面
添加小米粒文库到电脑桌面
安装后可以在桌面快捷访问

铁路:检测项目、频率VIP免费

铁路:检测项目、频率_第1页
1/21
铁路:检测项目、频率_第2页
2/21
铁路:检测项目、频率_第3页
3/21
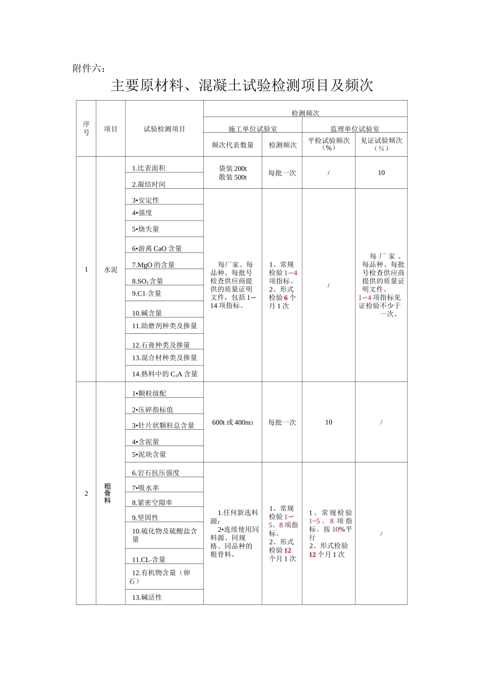
附件六:主要原材料、混凝土试验检测项目及频次序号项目试验检测项目检测频次施工单位试验室监理单位试验室频次代表数量检测频次平检试验频次(%)见证试验频次(%)1水泥1.比表面积袋装200t散装500t每批一次/102.凝结时间3•安定性每厂家、每品种、每批号检查供应商提供的质量证明文件,包括1〜14项指标。1、常规检验1〜4项指标。2、形式检验6个月1次/每厂家、每品种、每批号检查供应商提供的质量证明文件。1〜4项指标见证检验不少于一次。4•强度5•烧失量6•游离CaO含量7.MgO的含量8.SO3含量9.C1-含量10.碱含量11.助磨剂种类及掺量12.石膏种类及掺量13.混合材种类及掺量14.熟料中的C3A含量2粗骨料1•颗粒级配600t或400m3每批一次10/2•压碎指标值3•针片状颗粒总含量4•含泥量5•泥块含量6.岩石抗压强度1.任何新选料源;2•连续使用同料源、同规格、同品种的粗骨料。1、常规检验1〜5、8项指标。2、形式检验12个月1次1、常规检验1~5、8项指标。按10%平行2、形式检验12个月1次/7•吸水率8.紧密空隙率9.坚固性10.硫化物及硫酸盐含量11.CL-含量12.有机物含量(卵石)13.碱活性序号目项次频测检监量频T3细骨料00次一批每量泥含2量含块量含云量含料同、骨选用格田何续同处任连、无1.;2;源品。源料同料检项有泪检个规-80(个。式2次常1标忙R形111>验指机1?2>验月验。验匚险标行松次规指平式1常项0%形『、讥厶"11拒1/量含物机有A7砂工人zt'标指碎压量含粉石率吸量量含-C2速凝剂终凝初zt'结凝}n凝源、种货家品选厂同新同一、』何用号口口任使批产142同的检项检月规~3式个常1。形6欠1>验指2>验17标测。旨磴次扌一仃一项刊厅3%」10不ad、822量固含、34混凝土外加剂聚羧酸系减水剂或其他类型减水剂率c5次一批每O/量气含33比检5。检月规~标式个常11指形6次1>验项2>验176验标。佥黑行圍欠助5汗式17常y0%形^1>112>个/落坍量含醛甲8量含钠酸硫量含-量含碱匕缩收序号项目试验检测项目检测频次施工单位试验室监理单位试验室频次代表数量检测频次平检试验频次(%)见证试验频次(%)引气剂1•减水率5t每批一次10/2•含气量每品种、每厂家1、常规检验1〜5、8、9项指标。2、形式检验6个月1次1、常规检验1〜5、8、9项指标10%平行。2、形式检验6个月1次/3•泌水率比4.1h含气量经时变化5.抗压强度比6.凝结时间差7•收缩率比8.相对耐久性指数(200次)9.28d硬化混凝土气泡间距系数5拌合用水1.PH值同一水源的涨水季节一次/102•不溶物含量3•可溶物含量1.新水源;2•同水源1、常规检验1〜6项指标。2、形式检验12个月1次/1〜6项指标见证不少于1次。4•氯化物含量5•硫酸盐含量6.碱含量7.抗压强度比(28d)8.凝结时间差6混凝土外掺料粉煤灰1•细度200t每批一次10/2•需水量比每厂家、每编号1、常规检验1〜3项指标。2、形式检验6个月1次1、常规检验1〜3项指标10%平行2、形式检验6个月1次/3•烧失量4•游离CaO含量5.SO3含量6.CaO含量7.C1-含量8•含水量磨细矿渣粉1•密度200t每批一次10/2.比表面积每厂家、每编号1、常规检验1〜4项指标。2、形式检验6个月1次1、常规检验1〜4项指标10%平行。2、形式检验6个月1次3•流动度比4•烧失量5.MgO含量6.SO3含量7.C1-含量8•含水量序号项目试验检测项目检测频次施工单位试验室监理单位试验室频次代表数量检测频次平检试验频次(%)见证试验频次(%)9.活性指数(7d、28d)硅灰1•烧失量30t每批一次10/2.比表面积检查供应商提供的质量证明文件。1.任何新选货源;2•使用同厂家、同编号的产品1、常规检验1〜4项指标。2、形式检验6个月1次1、常规检验1〜4项指标10%平行。2、形式检验6个月1次3•需水量比4.28d活性指数5.C1-含量6.SiO2含量7.含水率7喷砼配合比Id、28d抗压强度相同原材料、施工工艺每一次/检查试验报告8砼结构配合比1•坍落度或维勃稠度基本检测项目每一次/检查试验报告2.泌水率3.凝结时间4•抗压强度5.电通量6•含气量7•弹性模量仅对预应力混凝土或当设计有要求时每一次8.抗冻等级仅对处于冻融破坏环境的混凝土或对耐久性有特殊要求的混凝土9.气泡间距系数仅对处于冻融破坏、盐类结晶破坏环境的混凝土的混凝土10.氯离子扩散系数仅对处于氯盐环境11.56d抗硫...

1、当您付费下载文档后,您只拥有了使用权限,并不意味着购买了版权,文档只能用于自身使用,不得用于其他商业用途(如 [转卖]进行直接盈利或[编辑后售卖]进行间接盈利)。
2、本站所有内容均由合作方或网友上传,本站不对文档的完整性、权威性及其观点立场正确性做任何保证或承诺!文档内容仅供研究参考,付费前请自行鉴别。
3、如文档内容存在违规,或者侵犯商业秘密、侵犯著作权等,请点击“违规举报”。

碎片内容

铁路:检测项目、频率

确认删除?
VIP
微信客服
  • 扫码咨询
会员Q群
  • 会员专属群点击这里加入QQ群
客服邮箱
回到顶部