电脑桌面
添加小米粒文库到电脑桌面
安装后可以在桌面快捷访问

人工挖孔灌注桩一桩一表VIP免费

人工挖孔灌注桩一桩一表_第1页
1/50
人工挖孔灌注桩一桩一表_第2页
2/50
人工挖孔灌注桩一桩一表_第3页
3/50
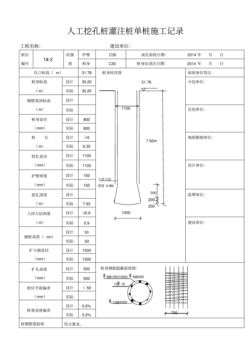
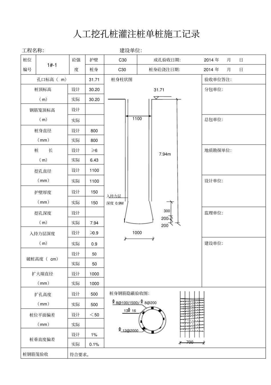
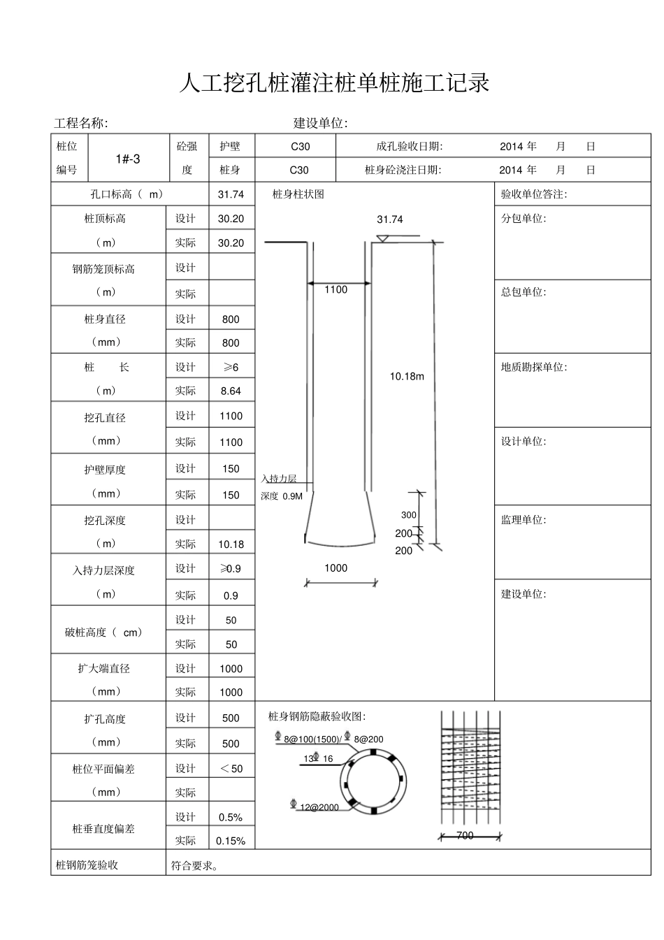
人工挖孔桩灌注桩单桩施工记录工程名称:建设单位:桩位编号1#-1砼强度护壁C30成孔验收日期:2014年月日桩身C30桩身砼浇注日期:2014年月日孔口标高(m)31.71桩身柱状图31.7111007.94m入持力层深度0.9M3002002001000验收单位答注:桩顶标高(m)设计30.20分包单位:实际30.20钢筋笼顶标高(m)设计实际总包单位:桩身直径(mm)设计800实际800桩长(m)设计≥6地质勘探单位:实际6.43挖孔直径(mm)设计1100实际1100设计单位:护壁厚度(mm)设计150实际150挖孔深度(m)设计监理单位:实际7.94入持力层深度(m)设计≥0.9实际0.9建设单位:破桩高度(cm)设计50实际50扩大端直径(mm)设计1000实际1000扩孔高度(mm)设计500桩身钢筋隐蔽验收图:700实际500桩位平面偏差(mm)设计<50实际桩垂直度偏差设计1%实际0.1%桩钢筋笼验收符合要求。8@100(1500)/8@200131612@2000人工挖孔桩灌注桩单桩施工记录工程名称:建设单位:桩位编号1#-2砼强度护壁C30成孔验收日期:2014年月日桩身C30桩身砼浇注日期:2014年月日孔口标高(m)31.78桩身柱状图31.7811007.93m入持力层深度0.9M3002002001000验收单位答注:桩顶标高(m)设计30.20分包单位:实际30.20钢筋笼顶标高(m)设计实际总包单位:桩身直径(mm)设计800实际800桩长(m)设计≥6地质勘探单位:实际6.35挖孔直径(mm)设计1100实际1100设计单位:护壁厚度(mm)设计150实际150挖孔深度(m)设计监理单位:实际7.93入持力层深度(m)设计≥0.9实际0.9建设单位:破桩高度(cm)设计50实际50扩大端直径(mm)设计1000实际1000扩孔高度(mm)设计500桩身钢筋隐蔽验收图:700实际500桩位平面偏差(mm)设计<50实际桩垂直度偏差设计0.5%实际0.2%桩钢筋笼验收符合要求。8@100(1500)/8@200131612@2000人工挖孔桩灌注桩单桩施工记录工程名称:建设单位:桩位编号1#-3砼强度护壁C30成孔验收日期:2014年月日桩身C30桩身砼浇注日期:2014年月日孔口标高(m)31.74桩身柱状图31.74110010.18m入持力层深度0.9M3002002001000验收单位答注:桩顶标高(m)设计30.20分包单位:实际30.20钢筋笼顶标高(m)设计实际总包单位:桩身直径(mm)设计800实际800桩长(m)设计≥6地质勘探单位:实际8.64挖孔直径(mm)设计1100实际1100设计单位:护壁厚度(mm)设计150实际150挖孔深度(m)设计监理单位:实际10.18入持力层深度(m)设计≥0.9实际0.9建设单位:破桩高度(cm)设计50实际50扩大端直径(mm)设计1000实际1000扩孔高度(mm)设计500桩身钢筋隐蔽验收图:700实际500桩位平面偏差(mm)设计<50实际桩垂直度偏差设计0.5%实际0.15%桩钢筋笼验收符合要求。8@100(1500)/8@200131612@2000人工挖孔桩灌注桩单桩施工记录工程名称:建设单位:桩位编号1#-4砼强度护壁C30成孔验收日期:2014年月日桩身C30桩身砼浇注日期:2014年月日孔口标高(m)31.82桩身柱状图31.82110010.11m入持力层深度0.9M3002002001000验收单位答注:桩顶标高(m)设计30.20分包单位:实际30.20钢筋笼顶标高(m)设计实际总包单位:桩身直径(mm)设计800实际800桩长(m)设计≥6地质勘探单位:实际8.49挖孔直径(mm)设计1100实际1100设计单位:护壁厚度(mm)设计150实际150挖孔深度(m)设计监理单位:实际10.11入持力层深度(m)设计≥0.9实际0.9建设单位:破桩高度(cm)设计50实际50扩大端直径(mm)设计1000实际1000扩孔高度(mm)设计500桩身钢筋隐蔽验收图:700实际500桩位平面偏差(mm)设计<50实际桩垂直度偏差设计0.5%实际0.1%桩钢筋笼验收符合要求。8@100(1500)/8@200131612@2000人工挖孔桩灌注桩单桩施工记录工程名称:建设单位:桩位编号1#-5砼强度护壁C30成孔验收日期:2014年月日桩身C30桩身砼浇注日期:2014年月日孔口标高(m)31.96桩身柱状图31.96110010.68m入持力层深度0.9M3002002001000验收单位答注:桩顶标高(m)设计30.20分包单位:实际30.20钢筋笼顶标高(m)设计实际总包单位:桩身直径(mm)设计800实际800桩长(m)设计≥6地质勘探单位:实际8.92挖孔直径(mm)设计1100实际1100设计单位:护壁厚度(mm)设计150实际150挖孔深度(m)设计监理...

1、当您付费下载文档后,您只拥有了使用权限,并不意味着购买了版权,文档只能用于自身使用,不得用于其他商业用途(如 [转卖]进行直接盈利或[编辑后售卖]进行间接盈利)。
2、本站所有内容均由合作方或网友上传,本站不对文档的完整性、权威性及其观点立场正确性做任何保证或承诺!文档内容仅供研究参考,付费前请自行鉴别。
3、如文档内容存在违规,或者侵犯商业秘密、侵犯著作权等,请点击“违规举报”。

碎片内容

人工挖孔灌注桩一桩一表

您可能关注的文档

爱的疯狂+ 关注
实名认证
内容提供者

该用户很懒,什么也没介绍

确认删除?
VIP
微信客服
  • 扫码咨询
会员Q群
  • 会员专属群点击这里加入QQ群
客服邮箱
回到顶部