电脑桌面
添加小米粒文库到电脑桌面
安装后可以在桌面快捷访问

桥梁施工质量控制要点VIP免费

桥梁施工质量控制要点_第1页
1/35
桥梁施工质量控制要点_第2页
2/35
桥梁施工质量控制要点_第3页
3/35
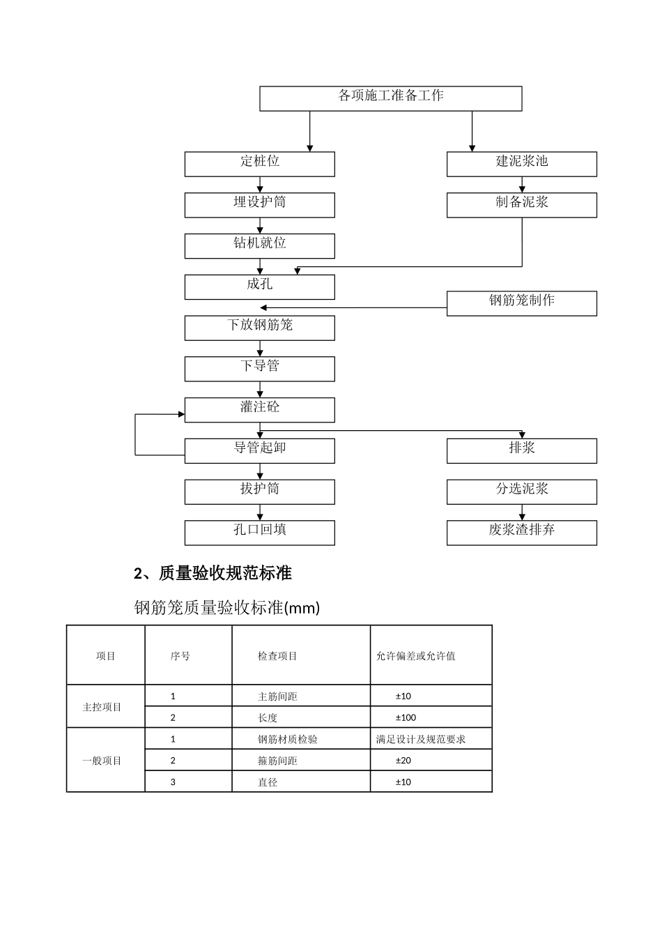
桥梁施工质量控制要点桥梁工程作为路桥工程项目,其特点是点多线长,施工工序比较复杂,现场的管理难度较大但是又极其重要,完善的桥梁工程施工质量控制一方面可以保证工桥梁工程在业主要求的工期内完成,另一方面可以保证工程的质量经得起检验,再投入使用中不会不断地翻修,影响工程的使用寿命。下面就各工序的施工质量控制要点做一简单讲解。一、桩基施工1、工艺流程图2、质量验收规范标准钢筋笼质量验收标准(mm)项目序号检查项目允许偏差或允许值主控项目1主筋间距±102长度±100一般项目1钢筋材质检验满足设计及规范要求2箍筋间距±203直径±10各项施工准备工作定桩位埋设护筒钻机就位成孔下放钢筋笼下导管灌注砼导管起卸拔护筒排浆孔口回填分选泥浆废浆渣排弃建泥浆池钢筋笼制作制备泥浆混凝土灌注桩质量验收标准(mm)项目序号检查项目允许偏差或允许值主控项目1桩位1002孔深比设计孔深大50以上3桩体质量检验根据基桩检测技术规范4混凝土强度满足设计要求5承载力根据基桩检测技术规范一般项目1垂直度<1%2桩径不小于设计桩径3清孔后泥浆比重1.03-1.14沉渣厚度≤505混凝土塌落度180-2206钢筋笼安装深度±1007混凝土充盈系数大于1,小于1.38桩顶标高±503、工序质量控制要点及要求①埋设护筒质量控制:埋设护筒时,护筒中心轴线对正测定的桩位中心,严格保持护筒的垂直度。护筒固定在正确位置后,护筒周边进行夯实,以保证其垂直度及防止泥浆流失及位移、掉落。护筒上口应绑扎木方对称吊紧,防止下窜。所用钢护筒大小要求至少比设计桩径大20cm才可进行施钻,冲击钻钢护筒至少比设计桩径大40cm,钢护筒偏差在10cm范围内才可钻进。②钻机就位质量控制:钻机就位前,须将路基垫平填实,钻机按指定位置就位,并须在技术人员指导下,调整钻杆的角度。钻机安装就位之后,应精心调平,确保施工中不发生倾斜、移位。③钻进成孔过程质量控制:在施工不同区段的第一根桩时,钻机要慢速运转,掌握地层对钻机的影响情况,以确定在该地层条件下的钻进参数。在钻进过程中,不可进尺太快,由于采取泥浆护壁,因此,要给一定的护壁时间。在钻进过程中,一定要保持泥浆面,不得低于护筒顶40cm。在提钻时,须及时向孔内补浆,以保证泥浆高度。在钻进过程中,要经常检查钻斗尺寸。(可根据试钻情况决定其大小)。施工过程中如发现地质情况与原钻探资料不符应立即通知技术部门及时处理。泥浆池根据现场实际条件设置,泥浆性能参数如下表:土层性能粘性土砂土卵石泥浆比重1.051.101.15粘度(s)15-1616-1818-25含砂量<2%<2%<2%PH>8>8>8配比:水:膨润土:碱:CMC100:6:3:0.8100:10:1.8:0.8100:15:1.8:0.8注:施工时根据具体地层条件而定,钻孔深度比设计深度超深不小于5cm、桩基嵌岩深度和岩层必须符合设计图纸要求才可终孔。④钢筋笼制作与安装质量控制:根据设计,计算好箍筋用料长度、主筋分布段长度,将盘条钢筋调直后再用圆盘制作螺旋箍筋。将支撑架按2~3m的间距摆放在同一水平面上对准中心线,然后将配好定长的主筋平直摆放在焊接支撑架上。将加强箍筋按设计要求套入主筋并保持与主筋垂直,进行焊接。加强箍筋与主筋焊好后,将螺旋箍筋按规定间距绕于其上并间隔点焊固定。制作好的钢筋笼稳固垫高放置在平整的地面上,防止变形。吊放钢筋笼入孔时应对准孔位,保持垂直,轻放、慢放入孔,不得左右旋转。若遇阻碍应停止下放,查明原因进行处理。严禁高提猛落和强制下入。下放钢筋笼时,要求有技术人员在场,记录好测护筒顶标高,准确计算吊筋长度,以控制钢筋笼的桩顶标高。钢筋笼制作和安装的质量严格按照设计图纸施作,主筋间距、箍筋间距、外径、保护层厚度、中心平面位置、顶端高程、底面高程应符合规范验收标准,钢筋接头搭接焊满足单面焊10d,双面焊5d,焊接要饱满、平顺、焊渣及时清理干净的要求。声测管安装位置和长度必须符合设计图纸要求,接头连接必须紧固,管内灌水必须采用清水。⑤下导管清孔灌注水下砼质量控制:成孔和清孔质量检验合格后,开始灌注混凝土。导管下入长度和实际孔深必须做严格丈量,使导管底口与孔底的距离能保持在0.3~0.5m左右。导管下入必须居中。灌注混凝土,首浇混...

1、当您付费下载文档后,您只拥有了使用权限,并不意味着购买了版权,文档只能用于自身使用,不得用于其他商业用途(如 [转卖]进行直接盈利或[编辑后售卖]进行间接盈利)。
2、本站所有内容均由合作方或网友上传,本站不对文档的完整性、权威性及其观点立场正确性做任何保证或承诺!文档内容仅供研究参考,付费前请自行鉴别。
3、如文档内容存在违规,或者侵犯商业秘密、侵犯著作权等,请点击“违规举报”。

碎片内容

桥梁施工质量控制要点

您可能关注的文档

一米阳光+ 关注
实名认证
内容提供者

爱好英语教学和互联网行业,热爱教育事业,兢兢业业

确认删除?
VIP
微信客服
  • 扫码咨询
会员Q群
  • 会员专属群点击这里加入QQ群
客服邮箱
回到顶部