电脑桌面
添加小米粒文库到电脑桌面
安装后可以在桌面快捷访问

桥梁深基坑专项施工方案VIP免费

桥梁深基坑专项施工方案_第1页
1/21
桥梁深基坑专项施工方案_第2页
2/21
桥梁深基坑专项施工方案_第3页
3/21
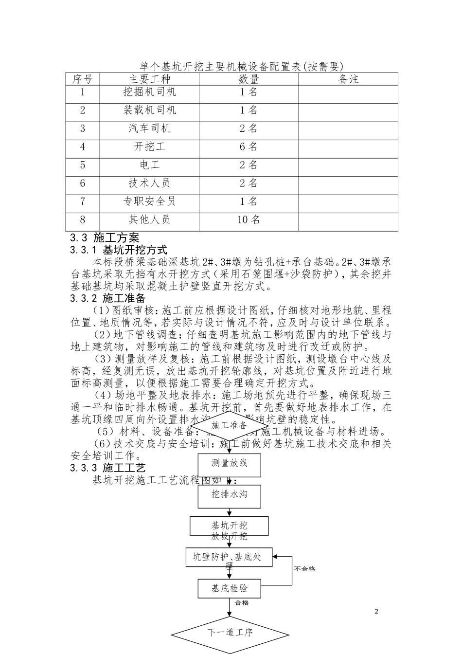
白沙河大桥深基坑专项施工方案1工程概况1.1工程简介白沙河双线大桥位于峨边县新林镇卷木村。该桥设计3墩2台,跨径为3×24+1×32m简支T梁,桥台采用双线T台,1号桥墩采用双线圆端形实体桥墩,其余桥墩采用圆端形空心桥墩。1.2线路资料白沙河双线大桥全长116.076m,起讫里程为DK217+430.820~DK217+546.896。本桥位于曲线上。设计行车速度160Km/h,桥梁位于3‰、12‰的上坡。铁路等级:Ⅰ级;正线数目:双线,线间距4.494~4.461m;旅客列车设计行车速度:160km/h;牵引种类:电力牵引质量:4000t设计活载:中-活载;闭塞类型:自动闭塞;轨道结构类型:有砟轨道,跨区间无缝线路。1.3工程地质情况桥址区范围地层主要为<5-10-1>卵石土,<8-1>粉质黏土,<16-2>页岩夹砂岩及煤,<16-3>玄武岩,测区内不良地质为危岩落石,无特殊岩土。1.4水文地质特征及评价本桥地表水主要为白沙河,为常年流水,水量较大,受季节影响变化大,主要受大气降水及地表各冲沟径流补给。1.5气象资料根据气象资料显示,该地区年平均气温16.7℃,极端最高气温37.6℃,极端最低气温-3.4℃,最大月平均气温25.3℃,最小月平均气温6.9℃;年平均降雨量803.9mm,年最大降雨量1093.3mm,月最大降雨量408.8mm,日最大降雨量172.2mm;年平均湿度77.0%,年最小湿度14.0%;年平均蒸发量1255.1mm,年平均风速1.6m/s,最大风速13.3m/s。1.6交通条件既有公路:沿线主要干线公路有X149县道、沙新路,本桥梁位于沙新路旁。主要材料从X149县道及沙新路局部扩宽来满足施工运输需要。1.7工程特点(1)国道、省道蜿蜒曲折,工点距离国道、省道距离远。交通运输条件差。(2)本桥墩身高、承台混凝土体积大,施工难度大。(3)本桥横跨白沙河,且1号墩位于道路旁,2号、3号墩位河流中,安全风险大。2编制依据及目的2.1编制依据(1)国家相关法律、法规,国家有关部门、中国铁路总公司相关技术标准、规范、指南,中国铁路总公司相关规章制度;(2)《客货共线铁路桥涵工程施工技术指南》(TZ203-2008);(3)《铁路桥涵工程施工质量验收标准》(TB10415-2003,J286-2004);(4)《改建铁路成都至昆明线峨眉至米易段扩能工程DK217+526白沙河大桥施工图》;(5)改建铁路成都至昆明线峨眉至米易段扩能工程EMZQ-4标桥梁参考图;2.2编制目的为保证管段内桥梁基础施工安全管理可控,特编制此方案。2.3使用范围本方案适用于中铁五局成昆峨米段扩能工程管段内的桥梁基础深基坑施工。3施工计划3.1主要机械设备配置(1)桥梁基础基坑施工机械配备表单个基坑开挖主要机械设备配置表(按需要)序号机械设备单位数量1挖掘机台12装载机台13自卸汽车台24空压机(3.5m3)台25风动凿岩机台26风镐台47喷浆机台1890KW振拔桩锤台29全站仪台110水准仪台1(2)辅助设备与机具1)手推车、铁锹、镐等生产用小型工具。2)全站仪、水准仪、动力触探仪等测量检测工具。3.2主要人员配置1单个基坑开挖主要机械设备配置表(按需要)序号主要工种数量备注1挖掘机司机1名2装载机司机1名3汽车司机2名4开挖工6名5电工2名6技术人员2名7专职安全员1名8其他人员10名3.3施工方案3.3.1基坑开挖方式本标段桥梁基础深基坑2#、3#墩为钻孔桩+承台基础。2#、3#墩承台基坑采取无挡有水开挖方式(采用石笼围堰+沙袋防护),其余挖井基础基坑均采取混凝土护壁竖直开挖方式。3.3.2施工准备(1)图纸审核:施工前应根据设计图纸,仔细核对地形地貌、里程位置、地质情况等,若实际与设计情况不符,应及时与设计单位联系。(2)地下管线调查:仔细查明基坑施工影响范围内的地下管线与地上建筑物,对影响施工的管线和建筑物及时进行改迁或防护。(3)测量放样及复核:施工前根据设计图纸,测设墩台中心线及标高,经复测无误,放出基坑开挖轮廓线,对基坑位置及附近进行地面标高测量,以便根据施工需要合理确定开挖方式。(4)场地平整及地表排水:施工场地预先进行平整,确保现场三通一平和临时排水畅通。基坑开挖前,首先要做好地表排水工作,在基坑顶缘四周向外设置排水沟,以免影响坑壁的稳定性。(5)材料、设备准备:施工前做好施工机械设备与材料进场。(6)技术交底与安全培训:施工前...

1、当您付费下载文档后,您只拥有了使用权限,并不意味着购买了版权,文档只能用于自身使用,不得用于其他商业用途(如 [转卖]进行直接盈利或[编辑后售卖]进行间接盈利)。
2、本站所有内容均由合作方或网友上传,本站不对文档的完整性、权威性及其观点立场正确性做任何保证或承诺!文档内容仅供研究参考,付费前请自行鉴别。
3、如文档内容存在违规,或者侵犯商业秘密、侵犯著作权等,请点击“违规举报”。

碎片内容

桥梁深基坑专项施工方案

您可能关注的文档

确认删除?
VIP
微信客服
  • 扫码咨询
会员Q群
  • 会员专属群点击这里加入QQ群
客服邮箱
回到顶部