电脑桌面
添加小米粒文库到电脑桌面
安装后可以在桌面快捷访问

山西新地标目录 建筑工程施工资料分类VIP免费

山西新地标目录 建筑工程施工资料分类_第1页
1/55
山西新地标目录 建筑工程施工资料分类_第2页
2/55
山西新地标目录 建筑工程施工资料分类_第3页
3/55
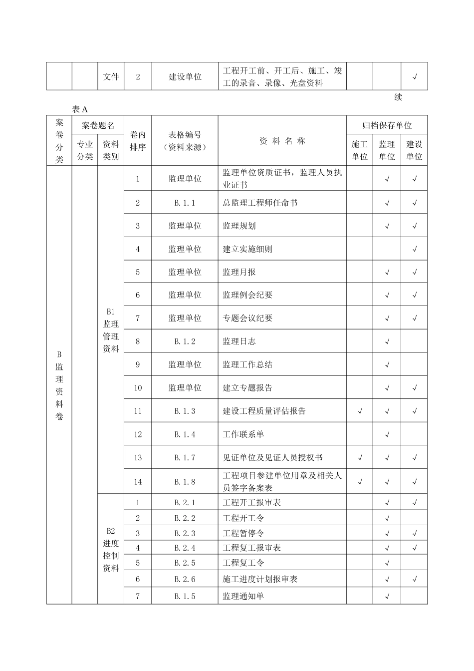
附录A建筑工程施工资料分类、归档顺序、组卷参照表案卷分类案卷题名卷内排序表格编号(资料来源)资料名称归档保存单位专业分类资料类别施工单位监理单位建设单位A工程准备阶段和竣工验收文件卷A1建设用地文件1规划部门建设用地规划许可证√2土地管理部门国有土地使用证√A2勘察设计文件1勘察单位工程地质勘察报告√√2勘察单位水文地质勘察报告√√3审查机构施工图设计审查文件(包括消防、人防、节能审查)√√4设计单位施工图设计及说明√√√A3招投标文件与合同文件1勘察、建设单位勘察招投标文件√2设计、建设单位设计招投标文件√3施工、建设单位施工招投标文件√√4监理、建设单位监理招投标文件√√5勘察、建设单位勘察合同√6设计、建设单位设计合同√7施工、建设单位施工合同√√8监理、建设单位监理合同√√A4工程开工文件1建设行政主管部门建设项目年度计划的申报、批复文件√2规划部门建设工程规划许可证及附件√3建设行政主管部门建设工程施工许可证√√√续表A案卷分类案卷题名卷内排序表格编号(资料来源)资料名称归档保存单位专业分类资料类别施工单位监理单位建设单位A工程准备阶段和竣工验收文件卷A5工程质量监督文件15.5.1建设工程质量监督注册申报书√25.5.2建设工程质量监督注册证书√√35.5.3建设工程质量监督计划√√4B.1.7见证单位及见证人授权书√√A6工程竣工验收备案文件15.6.1山西省工程竣工验收备案表√√√25.6.2建设工程竣工验收报告√√√35.6.3建设工程设计文件质量检查报告√45.6.4建设工程勘察文件质量检查报告√5B.1.3建设工程质量评估报告√6C.1.1-3建设工程施工竣工报告√7规划部门规划验收批准文件√8消防部门消防验收批准文件√9环保部门环保验收批准文件√10相关部门其他专项验收合格文件√11建设、施工单位《房屋建筑工程质量保修书》√√√12建设单位《住宅质量保证书》、《住宅使用说明书》√A7其他1建设单位5.7.1工程竣工总结(包括建设工程概况表)√文件2建设单位工程开工前、开工后、施工、竣工的录音、录像、光盘资料√续表A案卷分类案卷题名卷内排序表格编号(资料来源)资料名称归档保存单位专业分类资料类别施工单位监理单位建设单位B监理资料卷B1监理管理资料1监理单位监理单位资质证书,监理人员执业证书√√2B.1.1总监理工程师任命书√√3监理单位监理规划√√4监理单位建立实施细则√5监理单位监理月报√√6监理单位监理例会纪要√√7监理单位专题会议纪要√√8B.1.2监理日志√9监理单位监理工作总结√10监理单位建立专题报告√√11B.1.3建设工程质量评估报告√√√12B.1.4工作联系单√13B.1.7见证单位及见证人员授权书√√√14B.1.8工程项目参建单位用章及相关人员签字备案表√√√B2进度控制资料1B.2.1工程开工报审表√√2B.2.2工程开工令√3B.2.3工程暂停令√√4B.2.4工程复工报审表√√5B.2.5工程复工令√6B.2.6施工进度计划报审表√√7B.1.5监理通知单√8B.1.6监理通知回复单√续表A案卷分类案卷题名卷内排序表格编号(资料来源)资料名称归档保存单位专业名称资料类别施工单位监理单位建设单位B监理资料卷B3质量控制资料1B.3.1施工组织设计(方案)报审表√√2B.3.2工程材料、构配件、设备报验表√3B.3.3施工控制测量成果报验表√4B.3.4报审/报验表√5B.3.5分部工程报验表√6B.3.6单位工程竣工验收报审表√7B.3.7见证取样记录表√8B.3.8混凝土浇灌申请书√9B.3.9工程质量问题(事故)报告单√√√10B.3.10工程质量整改通知单√√√11B.3.11工程质量事故处理方案报审表√√√12B.1.5监理通知单√13B.1.6监理通知回复单√14B.3.12旁站记录√15B.3.13监理巡查记录√16监理单位检验批、分项工程质量验收抽查记录表√17B.3.14施工试验见证取样汇总表√B4造价控制资料1B.4.1工程款支付报审表√√2B.4.2工程款支付证书√√√3监理单位工程竣工结算审核意见书√√√4B.1.5监理通知单√5B.1.6监理通知回复单√续表A案卷分类案卷题名卷内排序表格编号(资料来源)资料名称归档保存单位专业名称资料类别施工单位监理单位建设单位B监理资料卷B5合同管理资料1B.5.1工程临时/最终延期报审表√√√2B.5.2工程变更单√√√3B.5....

1、当您付费下载文档后,您只拥有了使用权限,并不意味着购买了版权,文档只能用于自身使用,不得用于其他商业用途(如 [转卖]进行直接盈利或[编辑后售卖]进行间接盈利)。
2、本站所有内容均由合作方或网友上传,本站不对文档的完整性、权威性及其观点立场正确性做任何保证或承诺!文档内容仅供研究参考,付费前请自行鉴别。
3、如文档内容存在违规,或者侵犯商业秘密、侵犯著作权等,请点击“违规举报”。

碎片内容

山西新地标目录 建筑工程施工资料分类

您可能关注的文档

确认删除?
VIP
微信客服
  • 扫码咨询
会员Q群
  • 会员专属群点击这里加入QQ群
客服邮箱
回到顶部