电脑桌面
添加小米粒文库到电脑桌面
安装后可以在桌面快捷访问

项目建设管理流程图VIP免费

项目建设管理流程图_第1页
1/14
项目建设管理流程图_第2页
2/14
项目建设管理流程图_第3页
3/14
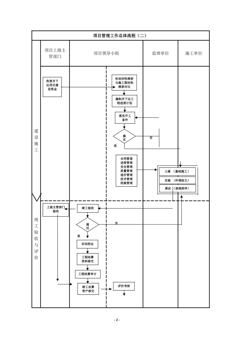
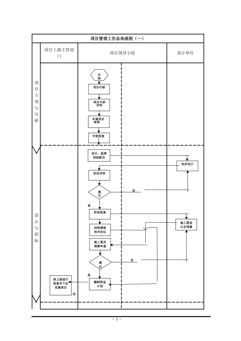
项目管理工作总体流程(一)项目立项与可研设计与招标项目上级主管部门项目领导小组设计单位是是否否-1-项目可研可研批复项目可研评审申请项目核准设计、监理招标配合初步设计初设评审通过初设批复材料清册技术协议施工图设计及预算施工图及预算审查通过开始编制资金计划报上级进行批复并下达实施项目项目管理工作总体流程(二)建设施工竣工验收与评价项目上级主管部门项目领导小组监理单位施工单位是否是否-2-初设材料清册与施工图材料清册对比批复并下达项目建设资金编制并下达工程进度计划落实开工条件满足土建(基础施工)调试(架线附件)安装(杆塔组立)合同管理进度管理安全管理质量管理造价管理技术管理档案管理竣工验收通过启动投运工程结算资料移交工程结算审计竣工决算资产移交评价考核上级主管部门验收-3-施工协调管理流程图项目领导小组监理单位施工单位否是条件满足工程竣工后办理开工手续开始组织编写工程开工报审表组织工程开工结束召开工程例会,解决相关施工出现的问题审批工程开工报审表负责落实解决影响工程施工的相关事项确认整改完成后提出复工申请参加启动工作下达工程暂停令审核工程开工报审表提出相关需要施工单位解决的施工问题是否下达工程暂停令配合协调解决问题审批复工申请-4-工程建设月报上报流程图项目领导小组监理单位施工单位审查施工月报,并编制监理月报,每月27日前报工程部编制月报(包括各个专业本月工作情况,存在的困难和问题以及相应对策,下月进度计划),每月23日前报监理单位开始汇总物资、施工、监理月报,编制《电网建设月报》,每月5日前报工程指挥部汇总物资、施工、监理工程建设情况,报上级有关部门项目安全管理工作总体流程(一)-5-档案信息管理流程图项目领导小组监理单位施工单位项目竣工收集自身负责的所有相关文档案及影像资料开始做好纸质文档的收发保管工作,每月整理影像资料审核工程竣工档案提出档案管理的目标计划及要求确认工程档案管理目标、档案范围及要求审核相关文档按要求对文件资料进行归档工作经施工单位审核后上报验竣工资料工程竣工档案移交结束审查工程竣工档案确认工程竣工档案移交接受工程竣工档案移交工程竣工档案移交至公司档案室项目前期及施工准备阶段安监员项目领导小组参建单位是是否否-6-监督检查工程安全管理体的建立和运行监理项目部编制安全监理工作方案建立安全管理台账施工项目部编制安全文明施工实施细则方案及危险点预控措施,建立安全管理台账修改完善监理项目部审核安措费使用情况,对现场安全文明施工条件及措施落实情况进行把关施工项目部开工前,落实安全文明措施落实安全会议精神和风险、应急、分包等管理措施整改完善开始建立安全管理网络符合要求建立安全管理制度和安全管理台账督促、检查参建单位编制安全管理制度、台账及危险点预控措施审批参建单位的安全文明施工策划开工前,召开第一次安全会议达到安全文明施工开工条件条件A项目安全管理工作总体流程(二)项目施工及竣工阶段安监员项目领导小组参建单位否是-7-全过程安全管理监督检查指导监理项目部监督检查项目施工现场安全文明状况,对重要工序、危险点、特殊作业实施旁站,协调交叉作业和工序交接中安全文明施工问题继续整顿符合要求组织实施全过程安全管理组织月度和随机安全检查定期开展危险点预控管理分包管理A检查指导项目安全管理组织开展各类安全检查定期召开安全会议组织开展安全管理活动落实季度及专项安全大检查评价,总结上报总结并制定安全管理改进计划监督改进落实情况并提出预防措施监督指导项目问题整改施工项目部每月开展安全教育,开展安全检查活动,落实安全会议决定和安评、危险点、应急和分包管理制度和措施,实行隐患整改闭环管理,保持安全文明施工环境对检查和评价中存在的隐患进行整改闭环持续动态改进保持良好按文明施工环境分析总结评价结果总结上报结束项目质量管理工作总体流程(一)工程实施阶段上级主管部门项目领导小组参建单位-8-设计单位保证供图进度和质量;派驻工地代表;及时答复参建各方提出的设计问题;参加歌唱质量检查歌唱质量事故调查等工作建立质量管理体系及规章制度施工...

1、当您付费下载文档后,您只拥有了使用权限,并不意味着购买了版权,文档只能用于自身使用,不得用于其他商业用途(如 [转卖]进行直接盈利或[编辑后售卖]进行间接盈利)。
2、本站所有内容均由合作方或网友上传,本站不对文档的完整性、权威性及其观点立场正确性做任何保证或承诺!文档内容仅供研究参考,付费前请自行鉴别。
3、如文档内容存在违规,或者侵犯商业秘密、侵犯著作权等,请点击“违规举报”。

碎片内容

项目建设管理流程图

您可能关注的文档

确认删除?
VIP
微信客服
  • 扫码咨询
会员Q群
  • 会员专属群点击这里加入QQ群
客服邮箱
回到顶部