电脑桌面
添加小米粒文库到电脑桌面
安装后可以在桌面快捷访问

温度测量练习题题VIP专享VIP免费

温度测量练习题题_第1页
1/9
温度测量练习题题_第2页
2/9
温度测量练习题题_第3页
3/9
温度训练题1、有一支用过后未甩的体温计,其示数为39℃。用这支体温计先后去测两个体温分别是38℃和40℃的病人的体温,体温计显示的示数分别是()A.38℃,39℃B.39℃,40℃C.38℃,40℃D.39℃,39℃2、已知水银、煤油、酒精的熔点分别为-39℃、-30℃、-117℃,要测量零下80摄氏度的温度,应该选用的温度计是()A.煤油温度计B.酒精温度计C.水银温度计D.煤油温度计或水银温度计3、根据右表所提供的数据,在标准大气压下,以下判断正确的是()A.80℃的酒精是液态B.气温接近-50℃时,应选用水银温度计C.铅的凝固点是-328℃D.-39℃的水银吸热,温度可能不变4、在同一环境中对温度计进行了如下操作,温度计的示数下降最快的是()5、图为小明同学在某地观察日全食发生前后(9:13分开始9:17分结束)当地气温变化的情况,通过记录绘制出来的温度----时间图象。下列说法正确的是()A.日全食前后当地气温下降约1.40CB.日全食前后当地气温下降约300CC.9:13分当地气温为30.60CD.该温度图象应为直线6、有两支用后没有甩过的体温计读数都是37.2℃,再用它分别测甲、乙二人的体温,结果甲的体温计示数为37.2℃,乙的示数为37.4℃,那么这二人的体温()A.甲的体温一定是37.2℃;乙的体温是37.4℃B.甲的体温小于37.2℃,乙的体温小于37.4℃C.甲的体温可能小于37.2℃,乙的体温是37.4℃D.二人的体温都无法确定7、关于体温计和实验室用温度计的异同点,下面哪种说法不正确?A.体温计示数的准确程度比实验室用温度计要高B.体温计玻璃管的内径有一弯曲处特别细,实验室用温度计没有C.体温计可以离开被测物体测量,实验室用温度计也可以离开被测物体测量D.体温计可以用力甩动使水银回到玻璃泡中,实验室用温度计不能用力甩8、一杯热水放在桌上越来越凉。一列图象中能表示其温度T随时间t变化关系的是9、小明的爸爸随南极科考队赴南极进行科学考察。临行前,小明想为爸爸带一只温度计以便测量南极的气温。听爸爸说南极的最低气温可达-94.5℃,下表是小明搜集的一部分资料,请你根据表中数据帮他选则一支合适的温度计物质固态水银固态酒精固态煤油熔点-38.8℃-117℃-30℃A.水银温度计B.酒精温度计C.煤油温度计D.三种温度计都可以10、寒冷的冬天室外气温是-25℃,河面结了一层厚冰,那么冰层的上表面温度和下表面温度及深水处的温度分别是:A.-25℃,-25℃,-25℃;B.都低于-25℃;C.-25℃,0℃,0℃;D.-25℃,0℃,4℃.11、两只已消毒的体温计,一只水银柱已被甩回玻璃泡,另一只示数仍为37.8℃。若甲同时用这两只体温计测体温,得出示数分别为37.6℃和37.8℃,而乙同时用这两只体温计测体温,得出38.1℃的相同温度,则下列说法正确的是:A.甲体温为37.6℃,乙体温为38.1℃;B.甲体温为37.8℃,乙体温为38.1℃;C.无法得出两人的体温;D.以上说法均不正确.12、为了探究常用温度计的工作原理,某同学取来一只墨水瓶装满带红色的煤油,用橡皮塞塞紧瓶口,再将两端开口的空圆珠笔芯,穿过橡皮塞插入煤油中,这就制成了一个简单温度计。他选定早晨、中午和傍晚的三个时刻,观察细管中液柱的高度,并在管上画出记号,如图,请你指出中午所对应的刻线是,此温度计的原理是。如果要使该自制温度计的准确程度提高,写出一条改进方法。13、按照温度计的使用步骤,将下面的叙述(用字母代替)依次排列为A.选取适当的温度计B.估计被测液体的温度C.让温度计与被测液体接触几分钟D.让温度计的玻璃泡浸入液面以下一定深度E.取出温度计F.读出温度计的示数14、关于温度计,请你填写以下空格。(1)温度计是根据液体的________________的性质制成的。(2)图3是体温计和寒暑表的一部分,其中图是体温计,甲、乙两温度计的示数分别为℃和℃。3、某同学有一支温度计,读数不准但刻度是均匀的,该同学将这支温度计放入冰水混合物中时读数是5℃,将这支温度计放入沸水中时读数是95℃(气压为1个标准大气压).他用这支温度计测量当时的气温读数是32℃,由上述可知,当时实际气温为A.29℃B.32℃C.30℃D.35.5℃4、(10·枣庄)6、7、8、用一支示数不准确的温度计测量冰水混合物的温度,示...

1、当您付费下载文档后,您只拥有了使用权限,并不意味着购买了版权,文档只能用于自身使用,不得用于其他商业用途(如 [转卖]进行直接盈利或[编辑后售卖]进行间接盈利)。
2、本站所有内容均由合作方或网友上传,本站不对文档的完整性、权威性及其观点立场正确性做任何保证或承诺!文档内容仅供研究参考,付费前请自行鉴别。
3、如文档内容存在违规,或者侵犯商业秘密、侵犯著作权等,请点击“违规举报”。

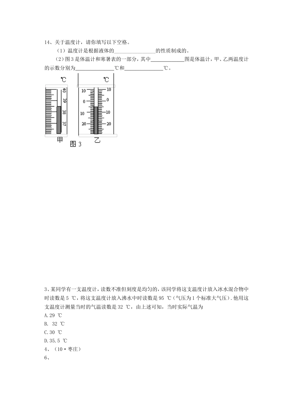
碎片内容

温度测量练习题题

确认删除?
VIP
微信客服
  • 扫码咨询
会员Q群
  • 会员专属群点击这里加入QQ群
客服邮箱
回到顶部