电脑桌面
添加小米粒文库到电脑桌面
安装后可以在桌面快捷访问

箱涵专项安全施工方案VIP免费

箱涵专项安全施工方案_第1页
1/6
箱涵专项安全施工方案_第2页
2/6
箱涵专项安全施工方案_第3页
3/6
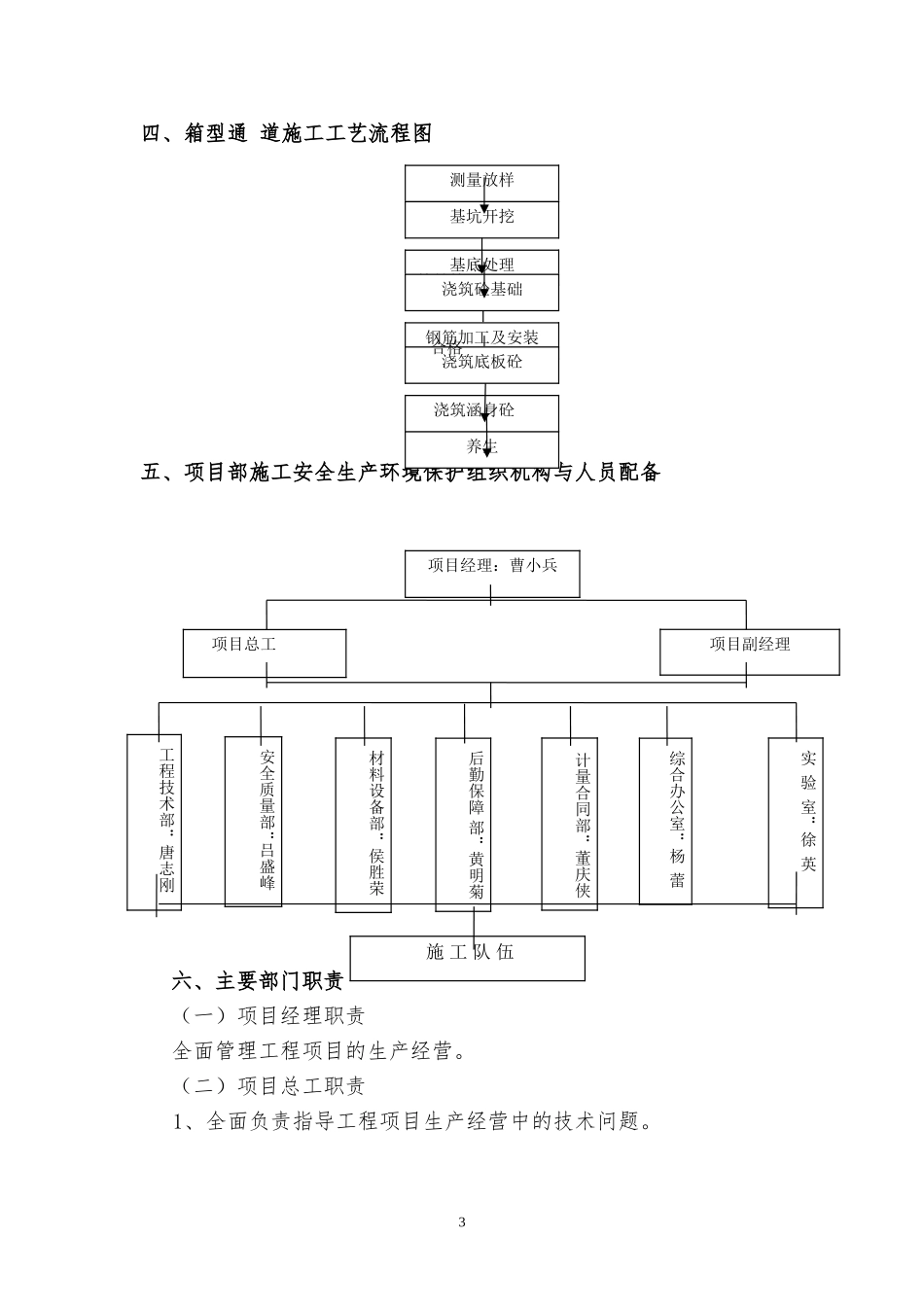
1石青崖桥箱型通道专项安全施工方案济南市二环南路建设工程(东段)第一标段2一、编制目的通过编制并实施本安全专项方案,能够有针对性的加强现场安全施工体系建设与管理工作,对墩柱施工中存在的危险源有预测、有预警、有预防,确保事前防范充分,事故发生时能果断有效地应对,保证对各类事故的预防和处置能力。项目部和相关人员应依据本方案对墩柱安全施工进行有效管理,最大程度地预防和减少安全事故及其造成的损害,实现下列四个目标:(1)避免或最大限度减少人员伤亡;(2)避免或最大限度减少财产损失;(3)避免或最大程度减轻环境污染或生态破坏;(4)避免或最大限度减轻对公司的社会声誉和公众形象的负面影响。二、编制依据1、济南市二环南路建设工程(东段)第一标段施工图纸及施工现场现状;2、《中华人民共和国安全生产法》(中华人民共和国主席令第70号)3、《建设工程安全生产条例》(国务院令第393号)4、招标文件中关于安全标准工地和文明施工的有关规定。7、济南市市政重点工程质量安全监督管理实施细则8、施工组织总设计三、工程概况二环南路建设工程(东段)西起舜耕路以东60米,与在建二环南路建设工程(西段)衔接,东至搬倒井立交,全长约4.85公里,规划红线60~80m。全线共有石青崖河道、兴济河、兴济河支河三条河道横穿二环南路,本桥为石青崖桥,位于K1+475.00处,石青崖河穿二环南路段规划河道为复式河槽,底宽12米,上口宽32米,桥位处河底高程为130.05米。规划100年一遇防洪流量为80.7立方/秒。原桥为拱桥,由于桥台下沉等原因,2011年改造为两孔箱涵,桥宽50m,与二环南路交角90度。根据本次二环南路道路建设的要求,红线宽度增加。新建桥梁在原桥位置两侧加宽,南北两侧各加宽15.5米,结构同原桥,为两孔箱涵,每孔净宽为5.65米,净高为8.1米。3四、箱型通道施工工艺流程图五、项目部施工安全生产环境保护组织机构与人员配备六、主要部门职责(一)项目经理职责全面管理工程项目的生产经营。(二)项目总工职责1、全面负责指导工程项目生产经营中的技术问题。浇筑涵身砼测量放样基坑开挖基底处理检抽检浇筑砼基础钢筋加工及安装浇筑底板砼合格养生项目经理:曹小兵项目总工项目副经理工程技术部:唐志刚安全质量部:吕盛峰材料设备部:侯胜荣后勤保障部:黄明菊计量合同部:董庆侠综合办公室:杨蕾实验室:徐英施工队伍42、参加或组织编制施工组织设计,编制、审查施工方案时,要提出、制定、审查安全技术措施并保证与现场实际具有可行行、针对性,负责检查、监督、落实。(三)项目副经理职责1、协助项目经理做好生产经营职责。2、管理材料设备的采购、使用。(四)安全质量部职责1、督促员工执行企业的安全管理制度。2、监督员工遵守岗位安全技术操作规程,制止和纠正违章作业行为。3、协助项目负责人做好岗位人员、外来用工的安全教育工作,提出安全管理建议。4、负责现场安全检查,协助项目负责人做好现场安全管理,对现场的用电、安全防护设施、警示标志等承担安全管理责任。5、负责建立健全项目的安全资料管理。(五)综合办公室职责熟悉项目部各项工作环节,做好项目经理安排的各项工作(六)施工队伍职责1、具体负责执行项目工程施工技术管理和质量管理工作。2、认真实施经审批的施工组织设计,并按施工方案要求合理组织施工,在保证工程质量的前提下,确保施工进度。七、施工准备(一)、组织管理及作业人员进行安全教育及培训1、施工人员培训施工人员的培训:组织有关各专业人员学习施工理论、规范、规定和施工技术。2、安全管理施工应遵守安全法规和规程,并结合如下内容进行安全管理。(1)安全教育5①须对全体职工定期进行技术安全教育。结合工程任务前做好安全技术交底。配备好安全防护用品。②对工人必须进行安全教育和操作规程的教育:对变换工种及临时参加生产劳动的人员,也要进行安全教育和安全交底。③采用新设备、新机具。新工艺应对操作人员进行机械性能、操作方法等安全技术交底。(2)现场安全管理①现场内的各种材料、乙炔瓶、氧气等存放场地都要符合安全要求,并加强管理、②加强季节性劳动保护工作。八、施工过程(一)...

1、当您付费下载文档后,您只拥有了使用权限,并不意味着购买了版权,文档只能用于自身使用,不得用于其他商业用途(如 [转卖]进行直接盈利或[编辑后售卖]进行间接盈利)。
2、本站所有内容均由合作方或网友上传,本站不对文档的完整性、权威性及其观点立场正确性做任何保证或承诺!文档内容仅供研究参考,付费前请自行鉴别。
3、如文档内容存在违规,或者侵犯商业秘密、侵犯著作权等,请点击“违规举报”。

碎片内容

箱涵专项安全施工方案

确认删除?
VIP
微信客服
  • 扫码咨询
会员Q群
  • 会员专属群点击这里加入QQ群
客服邮箱
回到顶部