电脑桌面
添加小米粒文库到电脑桌面
安装后可以在桌面快捷访问

提高外墙抹灰一次施工合格率:QC成果VIP免费

提高外墙抹灰一次施工合格率:QC成果_第1页
1/13
提高外墙抹灰一次施工合格率:QC成果_第2页
2/13
提高外墙抹灰一次施工合格率:QC成果_第3页
3/13
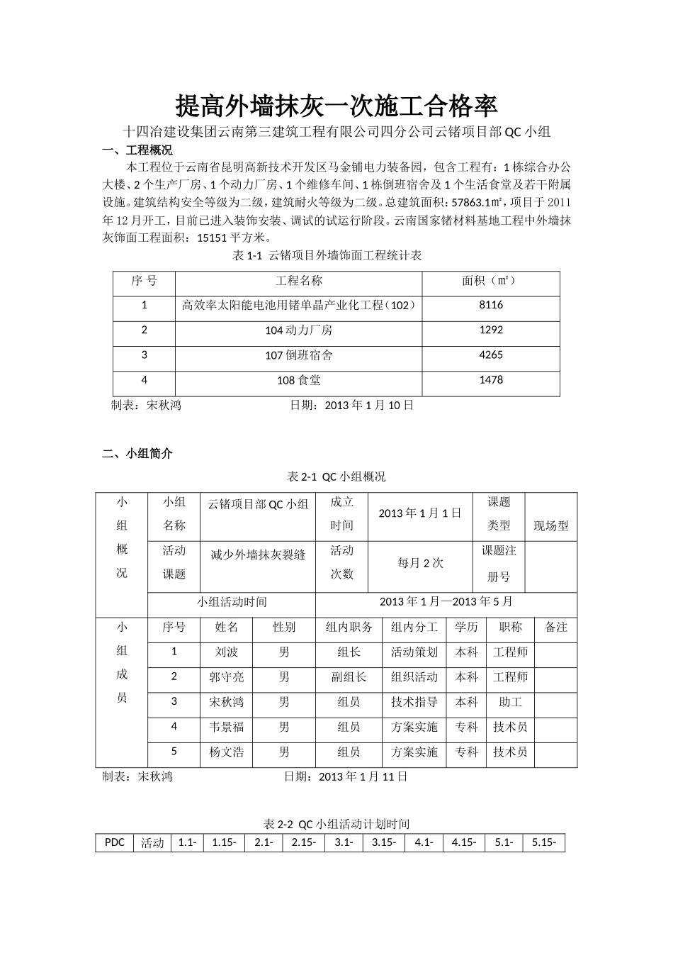
提高外墙抹灰一次施工合格率十四冶建设集团云南第三建筑工程有限公司四分公司云锗项目部QC小组一、工程概况本工程位于云南省昆明高新技术开发区马金铺电力装备园,包含工程有:1栋综合办公大楼、2个生产厂房、1个动力厂房、1个维修车间、1栋倒班宿舍及1个生活食堂及若干附属设施。建筑结构安全等级为二级,建筑耐火等级为二级。总建筑面积:57863.1㎡,项目于2011年12月开工,目前已进入装饰安装、调试的试运行阶段。云南国家锗材料基地工程中外墙抹灰饰面工程面积:15151平方米。表1-1云锗项目外墙饰面工程统计表序号工程名称面积(㎡)1高效率太阳能电池用锗单晶产业化工程(102)81162104动力厂房12923107倒班宿舍42654108食堂1478制表:宋秋鸿日期:2013年1月10日二、小组简介表2-1QC小组概况小组概况小组名称云锗项目部QC小组成立时间2013年1月1日课题类型现场型活动课题减少外墙抹灰裂缝活动次数每月2次课题注册号小组活动时间2013年1月—2013年5月小组成员序号姓名性别组内职务组内分工学历职称备注1刘波男组长活动策划本科工程师2郭守亮男副组长组织活动本科工程师3宋秋鸿男组员技术指导本科助工4韦景福男组员方案实施专科技术员5杨文浩男组员方案实施专科技术员制表:宋秋鸿日期:2013年1月11日表2-2QC小组活动计划时间PDC活动1.1-1.15-2.1-2.15-3.1-3.15-4.1-4.15-5.1-5.15-A计划1.151.302.152.303.153.304.154.30.155.30P选择课题现状调查设定目标分析原因确定主要原因制定对策D按对策实施C检查效果A制定巩固措施总结和下一步打算计划线:实施线:制表:宋秋鸿日期:2013年1月11日三、选择课题1、业主要求裂缝的出现不但影响建筑立面美观,还会引起雨水渗透到室内,造成内墙面及靠墙的木家具发霉,严重的甚至会引起持久强度的降低,影响结构完整、使用安全和使用寿命等。业主要求外墙抹灰一次施工合格率达到90%。表3-1102、104号厂房外墙抹灰一次施工合格率统计表统计项目建筑面积(㎡)抽检点数(个)一次合格数(个)一次合格率(%)102号厂房8116433376.7104号动力厂房1292151173.3制表:宋秋鸿日期:2013年1月14日2、本项目部现在状况:在102、104号厂房墙面抹灰施工时,发现多处墙面开裂,下雨天伴有渗水现象,无法达到规范要求。3、小组的选择:针对这项难题,我们小组把“提高外墙抹灰一次施工合格率”作为现场型课题。四、现状调查小组收集了我项目部在云锗项目外墙抹灰一次施工合格率的数据,统计出一次施工合格率为:表4-1102、104号建筑外墙抹灰一次施工合格率统计表统计项目建筑面积(㎡)抽查点数(个)一次不合格数(个)一次合格数(个)一次合格率(%)不合格率(%)102号厂房811643103376.723.3104动力厂房12921541173.326.7总数940858144415050制表:宋秋鸿日期:2013年1月18日根据上图对外墙抹灰一次不合格数进行统计分类:表4-2102、104号建筑外墙抹灰一次施工不合格点分类统计表序号项目名称不合格点不合格率(%)1温差引起的伸缩裂缝214.42地基不均匀沉降引起的裂缝173结构不合理引起的裂缝174材料原因引起的裂缝321.65施工不当引起的裂缝750合计14100制表:宋秋鸿日期:2013年1月18日根据分类统计表,统计外墙抹灰一次施工不合格点频数:表4-3102、104号建筑外墙抹灰一次施工不合格点频率表序号项目名称频次(次)累计频次频率累计(%)1温差引起的伸缩裂缝2214.42地基不均匀沉降引起的裂缝1321.43结构不合理引起的裂缝1428.44材料原因引起的裂缝37505施工不当引起的裂缝714100合计14制表:宋秋鸿日期:2013年1月18日小组成员通过调查、统计、分析。发现材料原因和施工不当占了外墙抹灰一次施工合格率缺陷的71.6%,属主要症结。五、设定目标1、目标确定QC小组找到主要改进项目后,经小组全体成员讨论,确定小组活动的目标值:将外墙抹灰一次施工合格率提高到90%。图5-1外墙抹灰一次施工合格率目标图制图:宋秋鸿日期:2013年2月4日2、可行性分析为确保外墙抹灰一次施工合格率质量,QC小组成员对近几年先后已施工完成的云南白药颐明园、昆明烟厂、金江小区项目中外墙抹灰一次施工合格率进行了整理统计:表5-1外墙抹灰一次施工合格率统计表项目名...

1、当您付费下载文档后,您只拥有了使用权限,并不意味着购买了版权,文档只能用于自身使用,不得用于其他商业用途(如 [转卖]进行直接盈利或[编辑后售卖]进行间接盈利)。
2、本站所有内容均由合作方或网友上传,本站不对文档的完整性、权威性及其观点立场正确性做任何保证或承诺!文档内容仅供研究参考,付费前请自行鉴别。
3、如文档内容存在违规,或者侵犯商业秘密、侵犯著作权等,请点击“违规举报”。

碎片内容

提高外墙抹灰一次施工合格率:QC成果

您可能关注的文档

确认删除?
VIP
微信客服
  • 扫码咨询
会员Q群
  • 会员专属群点击这里加入QQ群
客服邮箱
回到顶部