电脑桌面
添加小米粒文库到电脑桌面
安装后可以在桌面快捷访问

各种配电箱接线系统图VIP免费

各种配电箱接线系统图_第1页
1/6
各种配电箱接线系统图_第2页
2/6
各种配电箱接线系统图_第3页
3/6
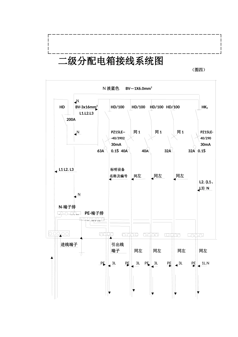
一#--一级配电总柜(图二)PI=135,4KWKX=0.70GDM101-100/330COSe=0.853L.N.PE63AVV22---5X35---(2#)Ij=160AGDM101-100/3303L.N.PE100AVV22---5X35---(3#)塔吊GDM101-100/3303L.N.PE40AVV22---5X25---(1#)HD17S—400/3p250/5ACMIL-225/430030mA0.1S225AGDM101-100/3303L.N.PE63AVV22---5X25----(6#)钢筋GDM101-100/330N3L.N.PE40AVV22---5X16-------(照明)(RZd<=4欧姆)PEGDM101-100/330(PE:RPd<=1欧姆)3L.N.PE32A(备用)AKK二#--一级配电总柜(图三)PI=135,4KWKX=0.70GDM101-100/330COSe=0.853L.N.PE63AVV22---5X35---(5#)Ij=160AGDM101-100/3303L.N.PE100AVV22---5X35---(4#)塔吊GD101-100/3303L.N.PE40AVV22---5X25-----流动HD17S—400/3p250/5ACMIL-225/430030mA0.1S225AGDM101-100/3303L.N.PE63AVV22---5X25----备用GDM101-100/330N3L.N.PE40AVV22---5X16--------照明(RZd<=4欧姆)PEGD101-100/330(PE:RPd<=1欧姆)3L.N.PE32A(备用)AKa二级分配电箱接线系统图(图四)N淡蓝色BV—1X6.0mm2NHDBV-3x16mm2HD/100HD/100HD/100HD/100HK2L1.L2.L3200ANPZ15LE--同1同1同1PZ15LE--40/390240/29030mA30mA63A0.1S40A40A32A32A0.1SL1L2.L3标明设备名称及编号同左同左同左L2.(L1、L3)NNN-端子排N------端子排PE-端子排PE-端子排进线端子引出线端子同左同左同左同左PE3LPE3LPE3LPE3LPE1L.N12345二级分配电塔吊专用箱(图)N—BV—1X6.0mm2NHDBV-3X25mm2HD10020HK280A32AFQ-200PZ15LE30MA40/290N0.1S30mA0.1SN-端子排PE—端子排PE3LPE1L.N进线端子出线端子3LNPE开关箱接线系统图(图七)PZ15LE-40APZ-40/390240AHD-2030mA(振动器)15mA)0.1S3LPE—端子排进线端子出线端子箱内用保持器固定进出入线PEPE.3L3L三相四线供电时局部TN-S接零保护系统零线N、PE引出示意图(引出线形成三相五线制TN—S接零保护系统)(图八)L1L2L3N重复接地接地极L50X5PE(接地极L50X5热镀锌角钢=2.5m不少于3处)DK接地极L50X5RCD接地极L50X5L1L2L3NPE接地极L50X5

1、当您付费下载文档后,您只拥有了使用权限,并不意味着购买了版权,文档只能用于自身使用,不得用于其他商业用途(如 [转卖]进行直接盈利或[编辑后售卖]进行间接盈利)。
2、本站所有内容均由合作方或网友上传,本站不对文档的完整性、权威性及其观点立场正确性做任何保证或承诺!文档内容仅供研究参考,付费前请自行鉴别。
3、如文档内容存在违规,或者侵犯商业秘密、侵犯著作权等,请点击“违规举报”。

碎片内容

各种配电箱接线系统图

您可能关注的文档

确认删除?
VIP
微信客服
  • 扫码咨询
会员Q群
  • 会员专属群点击这里加入QQ群
客服邮箱
回到顶部