电脑桌面
添加小米粒文库到电脑桌面
安装后可以在桌面快捷访问

无人机应用技术专业 人才培养方案VIP免费

无人机应用技术专业 人才培养方案_第1页
1/7
无人机应用技术专业 人才培养方案_第2页
2/7
无人机应用技术专业 人才培养方案_第3页
3/7
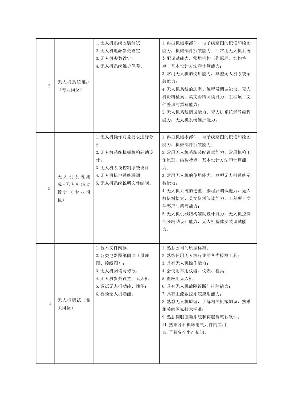
无人机应用技术专业人才培养方案一、人才培养目标本专业面向能在各个无人机的研发、生产、应用、教学、训练等单位进行从事无人机的研发、生产、安装、调试、维修、营销、飞行、应用、后期处理、地勤、教员、训练、表演等岗位工作。主要是培养掌握无人机基本知识、基本原理、低空无人机飞行技术、熟练掌握无人机的安装、调试、操控、维护维修技能;并可以通过各种航空设备、地面站系统等进行航拍、巡查以及其他方面等应用技能的高素质技能型人才。二、人才培养模式本专业根据行业岗位能力要求和职业发展要求,按学生的认知规律和能力培养规律,充分利用校内校外的教学资源,对课程进行系统开发,采用“2+1”校企融合的人才培养模式。三、人才培养规格要求(一)职业能力要求1.具有必要的人文、社会科学知识、法律知识、计算机知识和外语知识;2.熟悉必备的数理基础知识;3.专业知识及岗位要求(见下表)序号专业工作岗位及相关工作岗位岗位描述职业能力要求与素质1无人机示教编程(专业岗位)1.无人机程序示教;2.无人机程序验证;3.无人机离线编程;4.无人机系统维护计划制定;5.无人机常规维护保养。1.典型机械零部件、电子线路图的识读和绘图能力,机械部件拆装能力;2.常用无人机系统装配调试能力,常用机构工作原理、结构特点、基本设计方法和计算能力;3.常用无人机的使用能力,典型无人机系统示教能力;4.无人机系统的选型、编程及调试能力,无人机资料检索、英文资料阅读能力,工程项目文件整理与撰写能力;5.无人机系统离线编程能力,无人机系统维护能力。2无人机系统维护(专业岗位)1.无人机系统安装调试;2.无人机电源参数设定;3.无人机参数设定;4.无人机系统维护保养。1.典型机械零部件、电子线路图的识读和绘图能力,机械部件拆装能力;2.常用无人机系统装配调试能力,常用机构工作原理、结构特点、基本设计方法和计算能力;3.常用无人机的使用能力,典型无人机系统示教能力;4.无人机系统的选型、编程及调试能力,无人机资料检索、英文资料阅读能力,工程项目文件整理与撰写能力;5.无人机系统调试能力,无人机系统示教编程能力,无人机系统维护能力。3无人机系统集成-无人机辅助设计(专业岗位)1.无人机操作对象要求进行分析;2.无人机系统机械机构辅助设计;3.无人机系统控制系统设计;4.无人机机电系统联调;5.无人机系统说明文件编制。1.典型机械零部件、电子线路图的识读和绘图能力,机械部件拆装能力;2.常用无人机系统装配调试能力,常用机构工作原理、结构特点、基本设计方法和计算能力;3.常用无人机的使用能力,典型无人机系统示教能力;4.无人机系统的选型、编程及调试能力,无人机资料检索、英文资料阅读能力,工程项目文件整理与撰写能力;5.无人机机械结构辅助设计能力,无人机控制部分辅助设计能力,无人机整体安装调试能力。4无人机调试(相关岗位)1.技术文件阅读;2.各类电器图纸阅读(原理图、接线图);3.无人机阅读与修改;4.无人机参数设置;无人机;5.调试无人机功能、性能;6.检验无人机功能。1.熟悉公司的质量标准;2.熟练使用无人机行业的各类检测工具;3.具有无人机操作能力;4.会使用常用仪器、仪表、检具;5.能应用无人机;6.具有无人机故障诊断与排除能力;7.具有主流数控系统应用能力;8.熟悉无人机原理,了解相关机械知识,熟悉相关的国家技术标准;9.熟悉伺服驱动系统和伺服调整软软件;11.熟悉各种机床电气元件的应用;12.了解安全生产知识。5设备维护维修(专业岗位)1.技术文件阅读;2.各类电器图纸阅读(原理图、接线图);3.无人机阅读与修改;4.无人机参数设置;无人机5.调试无人机功能、性能;6.检验无人机功能。7.填写维修记录。1.熟悉公司的质量标准;2.熟练使用无人机行业的各类检测工具;3.具有无人机操作能力;4.会使用常用仪器、仪表、检具;5.能应用无人机;6.具有无人机故障诊断与排除能力;7.具有主流数控系统应用能力;8.熟悉无人机原理,了解相关机械知识9.熟悉相关的国家技术标准;10.熟悉伺服驱动系统和伺服调整软件;11.熟悉各种无人机电气元件的应用;12.了解安全生产知识。6无人机航拍(专业岗位)1....

1、当您付费下载文档后,您只拥有了使用权限,并不意味着购买了版权,文档只能用于自身使用,不得用于其他商业用途(如 [转卖]进行直接盈利或[编辑后售卖]进行间接盈利)。
2、本站所有内容均由合作方或网友上传,本站不对文档的完整性、权威性及其观点立场正确性做任何保证或承诺!文档内容仅供研究参考,付费前请自行鉴别。
3、如文档内容存在违规,或者侵犯商业秘密、侵犯著作权等,请点击“违规举报”。

碎片内容

无人机应用技术专业 人才培养方案

状元书阁+ 关注
实名认证
内容提供者

爱好英语教学和互联网行业,热爱教育事业,兢兢业业

确认删除?
VIP
微信客服
  • 扫码咨询
会员Q群
  • 会员专属群点击这里加入QQ群
客服邮箱
回到顶部