电脑桌面
添加小米粒文库到电脑桌面
安装后可以在桌面快捷访问

项目pc深化设计任务书VIP免费

项目pc深化设计任务书_第1页
1/13
项目pc深化设计任务书_第2页
2/13
项目pc深化设计任务书_第3页
3/13
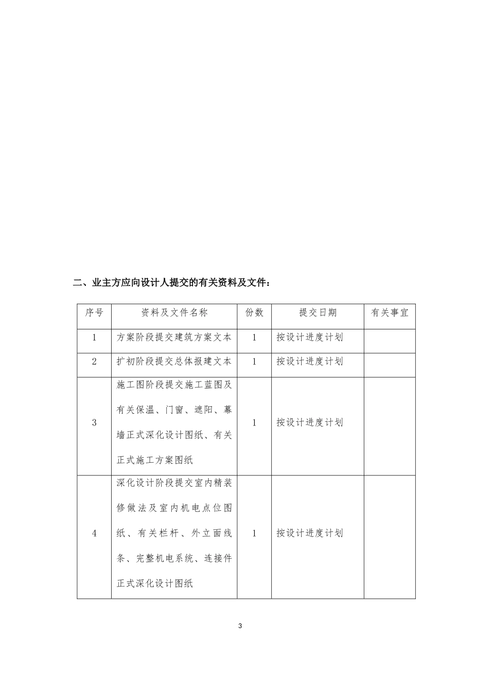
XX项目装配式混凝土建筑深化设计任务书编制人:罗朝华1一、项目概况:1.1项目名称:1.2项目四至:1.3产品类型:1.4项目用地面积为平方米,实用地面积平方米,计容建筑面积约为平方米,总建筑面积约为平方米(以建设用地规划许可证、建设工程规划许可证为准)。1.5装配指标要求:2二、业主方应向设计人提交的有关资料及文件:序号资料及文件名称份数提交日期有关事宜1方案阶段提交建筑方案文本1按设计进度计划2扩初阶段提交总体报建文本1按设计进度计划3施工图阶段提交施工蓝图及有关保温、门窗、遮阳、幕墙正式深化设计图纸、有关正式施工方案图纸1按设计进度计划4深化设计阶段提交室内精装修做法及室内机电点位图纸、有关栏杆、外立面线条、完整机电系统、连接件正式深化设计图纸1按设计进度计划3三、沟通管理篇3.1本项目甲方设计管理团队及职责如下:姓名:职务:项目设计经理手机:工作邮箱:职责:姓名:职务:结构设计经理手机:工作邮箱:职责:姓名:职务:机电设计经理手机:工作邮箱:职责:3.2本项目主要合作单位简介如下:3.2.1建筑方案设计方:联系人:手机:工作邮箱:3.2.2建筑施工图设计方:联系人:手机:工作邮箱:3.2.3批量精装施工图设计方:联系人:手机:工作邮箱:4注明:其余有关合作单位联系方式待确定后以邮件方式后补。3.3业主有关管理制度要求3.3.1双向沟通制度3.3.1.1自接本设计任务书之日起,设计方应在5个工作日内将本项目的设计计划日程表及设计人员配置表(各专业负责人及工作组主要人员应标明资历及工作年限)、联系方式(办公电话及手机号码)书面提交至我方。3.3.1.2双方所有正式沟通内容必须以书面文件形式和邮件形式落实,如果业主聘请第三方顾问单位,设计方发给业主的设计文件还应抄送优化单位。正式图纸成果接收人对于业主来说为项目设计经理,但正式图纸成果前的沟通应分专业单项充分沟通确认。3.3.1.3严厉禁止设计方主动与施工单位或者业主方除对口设计主管部门以外任何部门人员进行业务来往;由此带来的后果自负。如果有关单位或业主方有关部门主动与设计方沟通有关工作,设计方必须尽快告知业主方设计主管部门相应管理人员并征得同意后方可接洽处理有关工作事宜。3.3.1.4设计方应配合业主方完成审图沟通工作,在此送审结束之后并应配合业主方严格按照业主方有关设计变更管理流程做好设计变更提交及汇总工作,必要时尚需配合业主方完成重要设计变更报建工作。3.3.2设计团队成员考评制度。我方设计管理团队会定期根据设计团队成员在项目开展中的实际行为对设计团队成员综合能力进行综合考评,不合格人员会书面告知5进行替换。项目结束后我司会对设计团队进行综合评估并录入我司数据库,以作为今后项目招投标的重要依据。3.3.3会议纪要制度设计开始后应定期召开项目设计例会。所有设计过程中两个及以上合作单位参加的会议必须要有正式书面会议纪要,且会议纪要必须在会议结束后2个工作日内邮件或其他书面形式发送给会议相关人员并抄送给业主相关人员。3.3.4设计过程中各专业专项评审制度设计院在设计过程中应主动推动各项工作(具体内容详见后面第四节)的开展。专项评审会议涉及的内容没有得到沟通确认之前不得提交设计成果,不得以设计进度为由违反专项评审制度。3.3.5图纸质量内审制度对于设计方的重大节点图纸提资,业主设计管理团队会对正式图纸成果质量及进度进行评估,评估结果与合同最终付款及付款进度产生关联。3.3.6图纸提交管理制度3.3.6.1图纸规格:图纸深度要求详见业主图纸样板。应保证一个独立PC构件对应一张独立的图纸,不得参照其余图纸。确保生产效率。规格尽量统一。图面要求:图纸中各种做法、标注清晰明确,不同种类的标注字体需相对一致,其中包括图纸目录、图签部分、图纸的主要内容部分。正式图纸份数按照22套考虑。63.3.6.2设计方按照设计合同向业主方提交的cad图纸电子档必须整洁、清晰且按照图层管理;不得直接将未作整理的图纸电子档直接提交业主方;必须以autocad2004以下格式保存,不得牵涉到用天正软件或其他软件打开图纸,不得加密处理,外部引用必须作松绑处理。提交图纸电子档时应一并提交设计字体等相关内...

1、当您付费下载文档后,您只拥有了使用权限,并不意味着购买了版权,文档只能用于自身使用,不得用于其他商业用途(如 [转卖]进行直接盈利或[编辑后售卖]进行间接盈利)。
2、本站所有内容均由合作方或网友上传,本站不对文档的完整性、权威性及其观点立场正确性做任何保证或承诺!文档内容仅供研究参考,付费前请自行鉴别。
3、如文档内容存在违规,或者侵犯商业秘密、侵犯著作权等,请点击“违规举报”。

碎片内容

项目pc深化设计任务书

确认删除?
VIP
微信客服
  • 扫码咨询
会员Q群
  • 会员专属群点击这里加入QQ群
客服邮箱
回到顶部