电脑桌面
添加小米粒文库到电脑桌面
安装后可以在桌面快捷访问

食品添加剂使用卫生标准VIP免费

食品添加剂使用卫生标准_第1页
1/60
食品添加剂使用卫生标准_第2页
2/60
食品添加剂使用卫生标准_第3页
3/60
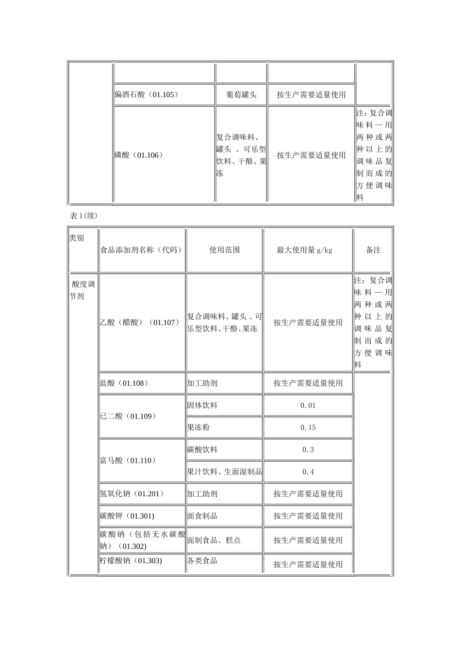
食品添加剂使用卫生标准【GB2760—1996】前言本标准代替GB2760—86《食品添加剂使用卫生标准》及GB2760—86《食品添加剂使用卫生标准(1988年、1989年、1990年的增补品种)》。在修订GB2760—86时,食品添加剂的类别是采用了GB12493—90《食品添加剂分类和代码》及GB/T14156—93《食品用香料分类与编码》的分类及代码、编码,并增加美国香味料和萃取物制造者协会(FEMA)编号,按英文字母次序排列。原标准中许多食品名称不统一,现根据有关国家标准及术语进行了修改。本标准于1977年首次发布,1996年12月进行第三次修订。本标准自实施之日起,同时代替2760—86。本标准的附录A、附录B、附录C都是标准的附录;本标准的附录D是提示的附录。本标准由全国食品添加剂标准化技术委员会提出。本标准由卫生部食品卫生监督检验所负责起草。本标准主要起草人高鹤娟、陈瑶君、郑鹏然、戴滢、袁亦丞、周树南、戴寅。本标准由卫生部委托技术归口单位卫生部食品卫生监督检验所负责解释。1范围本标准规定了食品添加剂的品种、使用范围及最大使用量。本标准适用于所有使用食品添加剂的生产经营者。2引用标准下列标准所包含的条文,通过在本标准中引用而构成为本标准的条文。本标准出版时,所示版本均为有效。所有标准都会被修订,使用本标准的各方应探讨使用下列标准最新版本的可能性。GB12493—90食品添加剂分类和代码GB/T14156—93食品用香料分类与编码GB14880—94食品营养强化剂使用卫生标准3食品添加剂品种、使用范围、最大使用量食品添加剂品种、使用范围、最大使用量应符合表1规定。*下表已经根据GB2760-1996《食品添加剂使用卫生标准》第1号修改单进行了修改。该修改单经国家质量技术监督局于1999年11月15日以质技监标函[1999]189号文批准,自2000年2月1日起实施。表1类别食品添加剂名称(代码)使用范围最大使用量g/kg备注酸度调节剂柠檬酸(01.101)各类食品按生产需要适量使用乳酸(01.102)各类食品按生产需要适量使用酒石酸(01.103)各类食品按生产需要适量使用苹果酸(01.104)各类食品按生产需要适量使用偏酒石酸(01.105)葡萄罐头按生产需要适量使用磷酸(01.106)复合调味料、罐头、可乐型饮料、干酪、果冻按生产需要适量使用注:复合调味料—用两种或两种以上的调味品复制而成的方便调味料表1(续)类别食品添加剂名称(代码)使用范围最大使用量g/kg备注酸度调节剂乙酸(醋酸)(01.107)复合调味料、罐头、可乐型饮料、干酪、果冻按生产需要适量使用注:复合调味料—用两种或两种以上的调味品复制而成的方便调味料盐酸(01.108)加工助剂按生产需要适量使用已二酸(01.109)固体饮料0.01果冻粉0.15富马酸(01.110)碳酸饮料0.3果汁饮料、生面湿制品0.4氢氧化钠(01.201)加工助剂按生产需要适量使用碳酸钾(01.301)面食制品按生产需要适量使用碳酸钠(包括无水碳酸钠)(01.302)面制食品、糕点按生产需要适量使用柠檬酸钠(01.303)各类食品按生产需要适量使用柠檬酸钾(01.304)各类食品按生产需要适量使用碳酸氢三钠(倍半碳酸钠)(01.305)饼干、糕点、羊奶、乳制品按生产需要适量使用柠檬酸一钠(01.306)各类食品按生产需要适量使用抗结剂亚铁氰化钾(02.001)食盐0.01以亚铁氰根计硅铝酸钠(02.002)植物性粉末5.0磷酸三钙(02.003)小麦粉0.03(面粉中)固体饮料8.0二氧化硅(矽)(02.004)蛋粉、奶粉、可可粉、可可脂、糖粉、植脂性粉末、速溶咖啡、粉状汤料15粉末香精80微品纤维素(02.005)植脂性粉末、稀奶油20.0冰淇淋40.0高纤维食品、面包50.0表1(续)类别食品添加剂名称(代码)使用范围最大使用量g/kg备注消泡剂乳化硅油(03.001)发酵工艺用0.2高碳醇脂肪酸酯复合物DSA-5(03.002)酿造工艺用1.0豆制品工艺用1.6制糖工艺用3.0聚氧乙烯聚氧丙烯季戊四醇醚(PPE)(03.003)发酵工艺用按生产需要适量作用聚氧乙烯聚丙醇胺醚(BAPE)(03.004)聚氧丙烯甘油醚(03.005)聚氧丙烯氧化乙烯甘油醚(03.006)抗氧化剂丁基羟基茴香醚(BHA)(04.001)食用油脂、油炸食品、干鱼制品、饼干、方便面、速煮米、果仁罐头、腌腊肉制品0.2抗氧化剂BHA敢讲BHT混合使用时,总量不得超过0.2...

1、当您付费下载文档后,您只拥有了使用权限,并不意味着购买了版权,文档只能用于自身使用,不得用于其他商业用途(如 [转卖]进行直接盈利或[编辑后售卖]进行间接盈利)。
2、本站所有内容均由合作方或网友上传,本站不对文档的完整性、权威性及其观点立场正确性做任何保证或承诺!文档内容仅供研究参考,付费前请自行鉴别。
3、如文档内容存在违规,或者侵犯商业秘密、侵犯著作权等,请点击“违规举报”。

碎片内容

食品添加剂使用卫生标准

您可能关注的文档

确认删除?
VIP
微信客服
  • 扫码咨询
会员Q群
  • 会员专属群点击这里加入QQ群
客服邮箱
回到顶部