电脑桌面
添加小米粒文库到电脑桌面
安装后可以在桌面快捷访问

事故风险告知书 (2)VIP免费

事故风险告知书 (2)_第1页
1/3
事故风险告知书 (2)_第2页
2/3
事故风险告知书 (2)_第3页
3/3
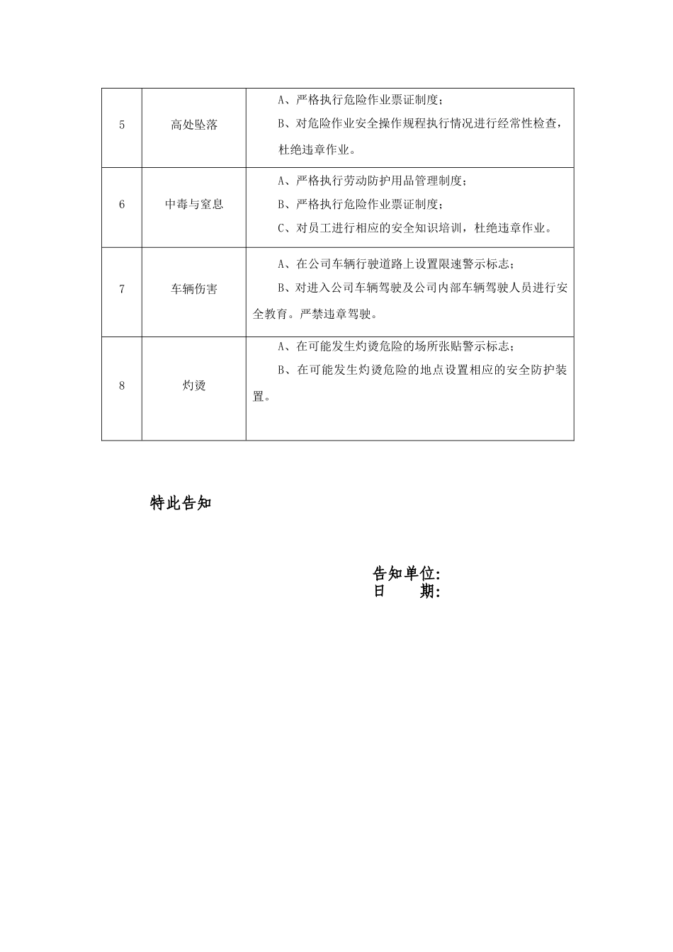
事故风险告知书各周边企业:根据《生产安全事故应急预案管理办法》(安监总局令2016第88号)第四十五条规定,我公司已开展了安全风险评估,现将事故风险的性质、影响范围和应急防范措施等(详见下表)告知贵周边单位,请知晓。一、事故风险种类、发生的可能性、严重程度及影响范围序号事故风险种类发生的可能性严重程度影响范围1火灾有可能发生人员伤亡,财产损失生产车间、仓库、办公场所等。2触电有可能发生人员伤亡所有用电场所。3机械伤害有可能发生人员伤亡生产车间。4物体打击不大可能发生人员伤亡产品堆放场所。5高处坠落不大可能发生人员伤亡登高作业场所。6中毒与窒息有可能发生人员伤亡仓库、化学品使用场所、及其他受限空间。7车辆伤害不大可能发生人员伤亡停车场所、行车道路及等作业场所。8灼烫有可能发生人员伤亡高温设备等作业场所。二、事故风险应急防范措施序号事故风险种类防控措施1火灾A、生产中化学品存放处所有电气设备、线路采取安全措施,确保其电气设备、线路切实做到整体防爆;B、生产中化学品存放处所有金属架等金属部件作消静电接地处理,确保其接地可靠;C、生产中使用化学品临时存放处采取可靠的防渗漏措施;D、加强安全管理,定期开展安全检查;E、易燃易爆危险物品规范存放,禁止混放;F、操作人员严格执行安全操作规程,杜绝“三违”;G、动火作业必须按照动火作业安全规程严格办理;H、配备必要的消防设施,职工要会使用相应的消防器材。I、易燃易爆场所严禁烟火、火种等。2触电A、机械设备采取“一机一闸一漏保”措施;B、用电设备金属外壳采取可靠接地保护;C、电缆线走线槽或穿管保护;D、电缆线槽、沟加装盖板;E、所有窗、孔、洞加装防护网。3机械伤害A、对机械设备安全防护装置进行日常检查,确保所有机械设备安全防护装置完好可靠;B、制定机械设备安全操作规程,并对员工进行相关安全教育培训;C、对安全操作规程执行情况进行经常性检查,杜绝违章操作。4物体打击A、对仓库货物对放情况进行经常性检查,严禁违章堆放;B、对货物搬运等作业进行经常性检查,杜绝违章作业。C、在有可能发生物体打击场所张贴“当心落物”等警示标志。5高处坠落A、严格执行危险作业票证制度;B、对危险作业安全操作规程执行情况进行经常性检查,杜绝违章作业。6中毒与窒息A、严格执行劳动防护用品管理制度;B、严格执行危险作业票证制度;C、对员工进行相应的安全知识培训,杜绝违章作业。7车辆伤害A、在公司车辆行驶道路上设置限速警示标志;B、对进入公司车辆驾驶及公司内部车辆驾驶人员进行安全教育。严禁违章驾驶。8灼烫A、在可能发生灼烫危险的场所张贴警示标志;B、在可能发生灼烫危险的地点设置相应的安全防护装置。特此告知告知单位:日期:

1、当您付费下载文档后,您只拥有了使用权限,并不意味着购买了版权,文档只能用于自身使用,不得用于其他商业用途(如 [转卖]进行直接盈利或[编辑后售卖]进行间接盈利)。
2、本站所有内容均由合作方或网友上传,本站不对文档的完整性、权威性及其观点立场正确性做任何保证或承诺!文档内容仅供研究参考,付费前请自行鉴别。
3、如文档内容存在违规,或者侵犯商业秘密、侵犯著作权等,请点击“违规举报”。

碎片内容

事故风险告知书 (2)

您可能关注的文档

确认删除?
VIP
微信客服
  • 扫码咨询
会员Q群
  • 会员专属群点击这里加入QQ群
客服邮箱
回到顶部