电脑桌面
添加小米粒文库到电脑桌面
安装后可以在桌面快捷访问

公路工程技术标VIP免费

公路工程技术标_第1页
1/44
公路工程技术标_第2页
2/44
公路工程技术标_第3页
3/44
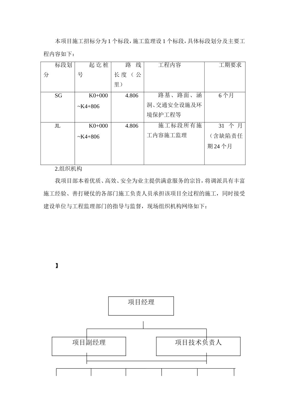
目录一、编制依据和范围二、工程概况及总体施工组织布置及规划三、主要工程项目的施工方案、方法及技术措施四、工期的保证体系和保证措施五、工程质量的管理体系以及保证措施六、安全生产管理体系及保证措施七、环境保护、水土保持保证体系及保证措施八、文明施工、文物保护保证体系及保护措施九、项目风险预测与防范,事故应急预案十、其他应说明事项附表一施工总体计划便附表二分项工程进度率计划(斜率图)附表三工程管理曲线附表四分项工程生产率和施工周期表附表五施工总平面图附表六劳动力计划表附表七临时占地计划表附表八外供电力需求计划表附表九合同用款估算表第一章编制依据和范围本施工组织设计的主要编制依据为下列文件、规范:业主提供的工程施工图纸;2.国家现行有关施工及验收规范(规程);2.1《城市道路路基工程施工及验收规范》(CJJ44-91);2.2《粉煤灰石灰类道路基层施工及验收规程》(CJJ4-97);2.3《给排水管道工程施工及验收规范》(GB50268-97);2.4《市政道路工程质量检验评定标准》(CJJ1-90);2.5《给排水管道工程质量检验评定标准》(GB50268-97);2.6《公路路基路面现场测试规程》(JTJ059-95);2.7《公路软土地基路堤设计与施工规范》(TJT017-96);2.8施工现场临时用电安全技术规范;3.有关安全生产、文明施工的规范、规程。编制范围:本施工组织设计为一份具有技术先进性、内容全面性、科学合理性、经济适用性、操作简易性的施工方案。在施工中,我项目部将严格按照本施工组织设计操作规程,认真细化各分部、分项工程施工中的细节问题,精心组织,合理安排,科学施工,在施工全过程中接受业主及现场监理工程师的监督、指导和审查。我项目部将严格按照本施工组织设计中的各项措施和承诺,做好施工前的前期准备和现场总平面布置,落实各项方案和措施,建立完善的组织机构,落实严格的岗位责任制,通过对劳动力、设备、材料、技术、方法和信息的优化处置,实现工期、质量及社会信誉的预期目标。第二章工程概况及总体施工组织布置及规划1.工程概况1.1本工程为位于×××工程起点位于×××。按四级公路标准建设,路基宽6.5米路面宽6米,路面为沥青混凝土和水泥混凝土,1.2招标范围本项目施工招标分为1个标段,施工监理设1个标段,具体标段划分及主要工程内容如下:标段划分起讫桩号路线长度(公里)工程内容工期要求SGK0+000~K4+8064.806路基、路面、涵洞、交通安全设施及环境保护工程等6个月JLK0+000~K4+8064.806施工标段所有施工内容施工监理31个月(含缺陷责任期24个月2.组织机构我项目部本着优质、高效、安全为业主提供满意服务的宗旨,将调派具有丰富施工经验、善打硬仗的各部门施工负责人员承担该项目全过程的施工,同时接受建设单位与工程监理部门的指导与监督,现场组织机构网络如下:】项目经理项目副经理项目技术负责人3.施工段划分结合本工程施工工期紧、质量要求高等特点,我项目部精心挑选多支具有丰富施工经验的作业班组,加大人员投入,将本工程分为一个施工段进行施工:3.施工程序本工程按以下程序进行施工:4.保证施工程序的措施为了有效地确保各道工序按照进度计划的要求保质保量地完成,要求各级管理人员和施工作业人员在作业前做好以下各项施工工作:4.1各专业管理人员在施工前,充分熟悉设计图纸及有关资料、规范,按照项目质量保证计划的要求,做好各项内业工作;4.2材料物资供应部门,按照材料计划,根据进度计划安排好各项施工材料、周转工具的备置工作,特别注意落实特殊材料的购置准备;4.3半成品加工和供应,按进度计划要求提前做好加工或订购联系落实工作,确保现场需要;测量员实验员材料员安全员资料员施工队长各作业班组旧路面拆除路床土方开挖、处理软土地基处理沥青砼面层边沟、截水沟、急流槽、挡土墙砌筑后期养护路基填筑4.4现场各类机械设备及水、电供应,应随时保持良好状态及正常供应,若发生特殊情况应及时采取检修和应急措施;4.5现场各工种按计划要求确保作业人员素质要求,严格按照计划制定的节点控制进度完成;4.6现场进度应随时保持在有效控制范围内,对于关键线路,若前一节点产生拖拉现象,...

1、当您付费下载文档后,您只拥有了使用权限,并不意味着购买了版权,文档只能用于自身使用,不得用于其他商业用途(如 [转卖]进行直接盈利或[编辑后售卖]进行间接盈利)。
2、本站所有内容均由合作方或网友上传,本站不对文档的完整性、权威性及其观点立场正确性做任何保证或承诺!文档内容仅供研究参考,付费前请自行鉴别。
3、如文档内容存在违规,或者侵犯商业秘密、侵犯著作权等,请点击“违规举报”。

碎片内容

公路工程技术标

您可能关注的文档

学海无涯书城+ 关注
实名认证
内容提供者

热爱教育事业,爱好互联网行业

确认删除?
VIP
微信客服
  • 扫码咨询
会员Q群
  • 会员专属群点击这里加入QQ群
客服邮箱
回到顶部