电脑桌面
添加小米粒文库到电脑桌面
安装后可以在桌面快捷访问

污水处理厂模板专项施工方案VIP免费

污水处理厂模板专项施工方案_第1页
1/14
污水处理厂模板专项施工方案_第2页
2/14
污水处理厂模板专项施工方案_第3页
3/14
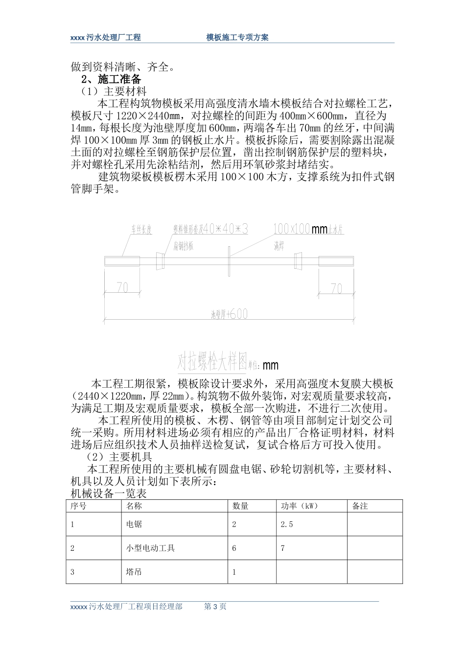
xxxx污水处理厂工程模板施工专项方案目录一、工程概况.......................................................2二、编制依据........................................................2三、施工准备........................................................21、组织准备.........................................................22、施工准备.........................................................43、技术准备.........................................................5四、模板设计........................................................61、承载力荷载计算...................................................6五、模板施工.......................................................141、模板施工工艺....................................................142、配模原则........................................................143、模板安装........................................................144、模板配置、安装一般规程..........................................155、模板安装支设要点................................................166、模板验收........................................................177、模板拆除........................................................19六、环境、职业健康安全措施.........................................20七、事故应急救援预案措施...........................................211、模板架体脚手架坍塌..............................................21xxxx污水处理厂工程模板施工专项方案一、工程概况xxxx污水处理厂工程建设规模1万吨/日,采用A²/0工艺,出水水质达到一级A标准。厂址位于xx市以北,xx河南岸,xx区xx乡,xxx相邻。场地形状呈弓形,占地面积xx公顷。服务范围为xxxxxxxxxxxxxxxxxxxxxxxx区域的生活污水。二、编制依据(1)实施性施工图纸;xxxxx污水处理厂工程项目经理部第1页xxxx污水处理厂工程模板施工专项方案(2)国家有关施工规范、规程和行业标准:《混凝土结构工程施工及验收规范》(GB50204-92)《建筑工程施工现场安全管理标准》《建筑施工扣件式钢管脚手架安全技术规范》(JGJ162-2008)《建筑施工手册》《建筑施工计算手册》三、施工准备1、组织准备(1)建立项目管理体系按设定工期,确保工程优质、高效和生产安全,公司组织高效、精干且具有丰富人工挖孔施工经验的管理和施工人员对该项目进行管理和施工。项目组织管理体系如下:(2)项目部各部门岗位职责项目经理:主持项目部全部工作,对本工程的质量、进度、安全、文明生产负责。施工负责:施工组织与协调,工作计划编制、安排与落实;调度指挥机械设备和劳动力进行作业;施工场地生产安全检查与监督。技术负责:主要负责技术质量的管理工作与技术交底,组织质检员对工程质量检验、检查、报验,收集整理施工过程中行成的一切资料,对关键工序质量亲自把关;组织竣工报告编写,对项目经理负责。施工员:按施工图纸及施工计划,指导各施工班组施工、处理施工中相关技术问题;办理与业主、监理需联系的有关事宜;编制施工进度报表,做好施工记录。质检员:制定各分项工程质量管理目标、措施以及各工序质量标准,负责对工程质量进行全面控制检查,组织对各施工工序质量自检和配合监理、业主对工程质量检查验收,编制相关质量报表。材料员:负责工程施工所需材料、设备易损配件的采购、保管与发放、设备的维修、保养,建立领用制度,做好台帐。安全员:按各类安全生产制度,进行安全生产监督、检查,负责工地周边公共关系、工地治安及文明施工等工作。资料员:按市安质站及档案馆资料归档要求,搜集、整理、归档,xxxxx污水处理厂工程项目经理部第2页项目经理xxx施工负责:xxx技术负责:xxx施工员:xxxx安全员:xxx质检员:xxx材料员:xxx测量员:xxx成孔组灌注组钢筋组土方组机电组xxxx污水处理厂工程模板施工专项方案做到资料清晰、齐全。2、施工准备(1)主要材料本工程构筑物模板采用高强度清水墙木模板结...

1、当您付费下载文档后,您只拥有了使用权限,并不意味着购买了版权,文档只能用于自身使用,不得用于其他商业用途(如 [转卖]进行直接盈利或[编辑后售卖]进行间接盈利)。
2、本站所有内容均由合作方或网友上传,本站不对文档的完整性、权威性及其观点立场正确性做任何保证或承诺!文档内容仅供研究参考,付费前请自行鉴别。
3、如文档内容存在违规,或者侵犯商业秘密、侵犯著作权等,请点击“违规举报”。

碎片内容

污水处理厂模板专项施工方案

您可能关注的文档

学海无涯书城+ 关注
实名认证
内容提供者

热爱教育事业,爱好互联网行业

确认删除?
VIP
微信客服
  • 扫码咨询
会员Q群
  • 会员专属群点击这里加入QQ群
客服邮箱
回到顶部