电脑桌面
添加小米粒文库到电脑桌面
安装后可以在桌面快捷访问

工 程 现 场 签 证 单VIP专享VIP免费

工 程 现 场 签 证 单_第1页
1/29
工 程 现 场 签 证 单_第2页
2/29
工 程 现 场 签 证 单_第3页
3/29
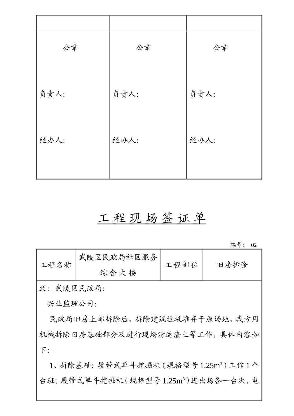
工程现场签证单编号:01工程名称武陵区民政局社区服务综合大楼工程部位场地平整及现场排障致:武陵区民政局:兴业监理公司:根据甲乙双方签定的施工合同第二条第5.1条规定,甲方负责提供“三通一平”,即施工场地红线以外的电通、水通、道路通,红线以内场地平。我施工方进场时场地堆满已拆旧房垃圾、长满杂草,末达到场地平整条件,为能使施工正常进行,我施工方组织劳动力砍草、烧草、采用机械挖土,运渣土等,具体工作内容如下:1、现场运渣土65车,5m3/车,数量65×5=325m3,用挖掘机挖渣土,自卸汽车运土,运输距离3km(三类土)。2、履带式单斗挖掘机(规格型号1.25m3)进出场各一台次;履带式单斗挖掘机(规格型号1.25m3)工作台班:5小时/8小时合0.625台班。3、除草用工:6个。以上项目,请予签认!2002年9月10日建设单位监理单位施工单位公章负责人:经办人:公章负责人:经办人:公章负责人:经办人:工程现场签证单编号:02工程名称武陵区民政局社区服务综合大楼工程部位旧房拆除致:武陵区民政局:兴业监理公司:民政局旧房上部拆除后,拆除建筑垃圾堆弃于原场地,我方用机械拆除旧房基础部分及进行现场清运渣土等工作,具体内容如下:1、拆除基础:履带式单斗挖掘机(规格型号1.25m3)工作1个台班;履带式单斗挖掘机(规格型号1.25m3)进出场各一台次。电动空气压缩机(排气量20m3/min)工作5个台班。2、自卸汽车运渣土80车(5m3/车),运距3km。3、门面修水管人工费、材料费包括水泥、砂、卵石合计用300元。以上项目,请予签认!2002年9月25日建设单位监理单位施工单位公章负责人:经办人:公章负责人:经办人:公章负责人:经办人:工程现场签证单编号:03工程名称武陵区民政局社区服务工程部位老办公楼维修综合大楼致:武陵区民政局:兴业监理公司:老办公楼维修具体工作内容如下:1、封砌窗户洞口6个,宽1.5米,高1.8米,做法用MU10机制红砖,M7.5水泥砂浆砌1砖墙。2、老办公楼外墙粉刷水泥粗砂灰二遍、分格嵌条,面积为:150m2(高15米,宽10米)。搭设外架150m2。以上项目,请予签认!2002年10月15日建设单位监理单位施工单位公章负责人:公章负责人:公章负责人:经办人:经办人:经办人:工程现场签证单编号:04工程名称武陵区民政局社区服务综合大楼工程内容土方二次转运及买土回填致:武陵区民政局:兴业监理公司:根据该工程设计要求,基坑土方须采取大开挖施工方案,但因施工场地窄小无弃土处,故大部分土方必须外运才能施工。现实际外运土方122车,(5m3/车)数量122×5=610m3,外运土方用挖掘机挖土,自卸汽车运土,运输距离3km。办渣土证800元,交卫生费,保洁费2000元,因办证原因使挖机误工,为挖机补误工费1000元。合计3800元(叁仟捌佰圆整)。回填买土方110车,买土单价30元/车,(5m3/车)运输采用挖掘机挖土,自卸汽车运土,运输距离3km。以上项目,请予签认!2002年12月18日建设单位监理单位施工单位公章负责人:经办人:公章负责人:经办人:公章负责人:经办人:工程现场签证单编号:08工程名称武陵区民政局社区服务综合大楼工程部位污水管及检查井致:武陵区民政局:兴业监理公司:根据建设方要求,基础施工时留设污水管,为今后排水考虑。具体位置及相对尺寸附后图示。请予签认!常德宏城建筑工程有限责任公司2002年9月10日建设单位监理单位施工单位公章负责人:经办人:公章负责人:经办人:公章负责人:经办人:工程现场签证单编号:05工程名称武陵区民政局社区服务综合大楼工程部位基础工程致:武陵区民政局:兴业监理公司:基础施工期间,因如下原因:①基础变更方案延误;②土方开挖过程中排水管被切断;③市政排水雨水过大倒流入基础;④为保证迅华门面山墙基础不被浸泡;⑤受天气下雨影响。为使基础不受雨水、积水浸泡,需增加排水设施,现采用出口直径Ф100污水泵抽水,具体抽水时间附后表,合计抽水台班72.5个。请予签认!常德宏城建筑工程有限责任公司民政局项目部2002年12月20日建设单位监理单位施工单位公章负责人:经办人:公章负责人:经办人:公章负责人:经办人:工程现场签证单编号:06工程名称武陵区民政局社区服务综合大楼...

1、当您付费下载文档后,您只拥有了使用权限,并不意味着购买了版权,文档只能用于自身使用,不得用于其他商业用途(如 [转卖]进行直接盈利或[编辑后售卖]进行间接盈利)。
2、本站所有内容均由合作方或网友上传,本站不对文档的完整性、权威性及其观点立场正确性做任何保证或承诺!文档内容仅供研究参考,付费前请自行鉴别。
3、如文档内容存在违规,或者侵犯商业秘密、侵犯著作权等,请点击“违规举报”。

碎片内容

工 程 现 场 签 证 单

确认删除?
VIP
微信客服
  • 扫码咨询
会员Q群
  • 会员专属群点击这里加入QQ群
客服邮箱
回到顶部