电脑桌面
添加小米粒文库到电脑桌面
安装后可以在桌面快捷访问

交通安全设施交工验收检测方案1VIP免费

交通安全设施交工验收检测方案1_第1页
1/8
交通安全设施交工验收检测方案1_第2页
2/8
交通安全设施交工验收检测方案1_第3页
3/8
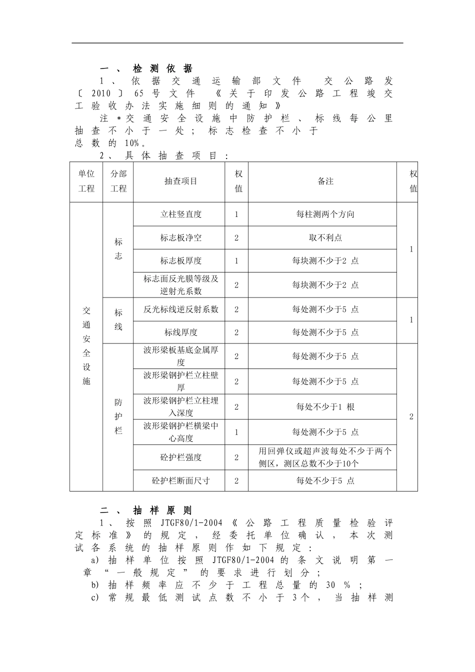
交通安全设施交工验收检测方案2012年3月交通安全设施交工验收检测方案目录一、检测依据二、抽样方案三、主要测试项目及检测设备四、检测结果判定及异常处理要求一、检测依据1、依据交通运输部文件交公路发〔2010〕65号文件《关于印发公路工程竣交工验收办法实施细则的通知》注*交通安全设施中防护栏、标线每公里抽查不小于一处;标志检查不小于总数的10%。2、具体抽查项目:单位工程分部工程抽查项目权值备注权值交通安全设施标志立柱竖直度1每柱测两个方向1标志板净空2取不利点标志板厚度1每块测不少于2点标志面反光膜等级及逆射光系数2每块测不少于2点标线反光标线逆反射系数2每处测不少于5点1标线厚度2每处测不少于5点防护栏波形梁板基底金属厚度2每处测不少于5点2波形梁钢护栏立柱壁厚2每处测不少于5点波形梁钢护栏立柱埋入深度2每处不少于1根波形梁钢护栏横梁中心高度1每处测不少于5点砼护栏强度2用回弹仪或超声波每处不少于两个侧区,测区总数不少于10个砼护栏断面尺寸2每处不少于5点二、抽样原则1、按照JTGF80/1-2004《公路工程质量检验评定标准》的规定,经委托单位确认,本次测试各系统的抽样原则作如下规定:a)抽样单位按照JTGF80/1-2004的条文说明第一章“一般规定”的要求进行划分;b)抽样频率应不少于工程总量的30%;c)常规最低测试点数不小于3个,当抽样测点数少于3个时,全部测试;2.检测抽样明细项次检查项目规定值或允许偏差检查方法和频率权值1标志立柱竖直度±3mm/m每柱测两个方向。1标志板净空(+100,0)mm取不利点。1标志板厚度不小于设计值每块测不少于2点。1△标志面反光膜等级及逆射光系数不低于设计值cd.lx-1。m-2每块测不少于2点。22标线△反光标线逆反射系数白色标线≥150黄色标线≥100每处测不少于5点。2△标线厚度(-0.10,+0.50)mm每处测不少于5点。23防护栏波形梁△波形梁板基底金属厚度±0.16mm每处不少于5点。2△波形梁钢护栏立柱壁厚4.5±0.25mm每处不少于5点。2△波形梁钢护栏立柱埋入深度符合设计要求每处不少于1根。2△波形梁钢护栏横梁中心高度±20mm每处不少于5点。2三横梁△波形梁板基底金属厚度±0.16mm每处不少于5点。2△波形梁钢护栏立柱壁厚4.5±0.25mm每处不少于5点。2△波形梁钢护栏横梁中心高度±20mm每处不少于5点。2三、主要测试项目及检测设备(一)标线1、标线厚度:测试设备:STT-950标线厚度测定仪1)设备性能特点STT-950标线厚度测定仪具有结构合理、操作简单、适用性广、测量精度高、数字保持功能、测量安全及可靠性好等特点。STT-950标线厚度测定仪符合我国国家标准GB/T16311-2005《道路交通标线质量要求和检测方法》中对竣工标线厚度的相关测量要求。2)主要技术指标测量范围:0~12mm测量精度:0.01mm3)结构组成STT-950标线厚度测定仪主要由数字式高精度百分表头、测厚度机构和百分表锁止螺钉组成。2.标线逆反射系数:测试设备:STT-301逆反射标线测试仪项次检查项目规定值或允许偏差检查方法和频率权值3防护栏缆索护栏缆索直径(mm)18±0.5卡尺:抽检10%1最下一根缆索的高度(mm)±20尺量:抽检10%1△立柱壁厚(mm)±0.10千分尺:抽检10%2立柱埋入深度符合设计要求过程检查,抽检10%1△镀锌层厚度(um)立柱≥85测厚仪:抽检10%2索端锚具≥50紧固件≥50镀锌钢丝≥33混凝土基础尺寸符合设计规定过程检查,尺量:检查100%1△混凝土强度在合格标准内基础施工同时做试件,每个工作班l组(3件),检查试件的强度,抽检100%2砼护栏△砼护栏强度在合格标准内用回弹仪或超声波每处不少于2个测区,测区总数不少于10个。2△砼护栏断面尺寸高度:±10mm顶宽:±5mm底宽:±5mm每处不少于5点。21)设备性能特点:STT-301型逆反射标线测量仪是用来测量道路标线反光性能的一种专用光学测量设备,测量的参数是标线的逆反射系数R’(或称比亮度),单位为mcd?lx-1?m-2。该仪器操作简便,量值可靠,即可用于实验室也可用于现场测量,是生产、质量监督、工程施工、监理和教学科研等单位测量公路标线逆反射光学性能的首选仪器。该仪器参照国际相关技术文件和我国现行国家标准的规定设计而成,如国际照明委员会(以下简称CIE)的出版物第72号,美国A...

1、当您付费下载文档后,您只拥有了使用权限,并不意味着购买了版权,文档只能用于自身使用,不得用于其他商业用途(如 [转卖]进行直接盈利或[编辑后售卖]进行间接盈利)。
2、本站所有内容均由合作方或网友上传,本站不对文档的完整性、权威性及其观点立场正确性做任何保证或承诺!文档内容仅供研究参考,付费前请自行鉴别。
3、如文档内容存在违规,或者侵犯商业秘密、侵犯著作权等,请点击“违规举报”。

碎片内容

交通安全设施交工验收检测方案1

慧源书苑+ 关注
实名认证
内容提供者

热爱教育事业,爱好互联网行业

确认删除?
VIP
微信客服
  • 扫码咨询
会员Q群
  • 会员专属群点击这里加入QQ群
客服邮箱
回到顶部