电脑桌面
添加小米粒文库到电脑桌面
安装后可以在桌面快捷访问

硬件工程师面试题集(含答案,很全)VIP免费

硬件工程师面试题集(含答案,很全)_第1页
1/25
硬件工程师面试题集(含答案,很全)_第2页
2/25
硬件工程师面试题集(含答案,很全)_第3页
3/25
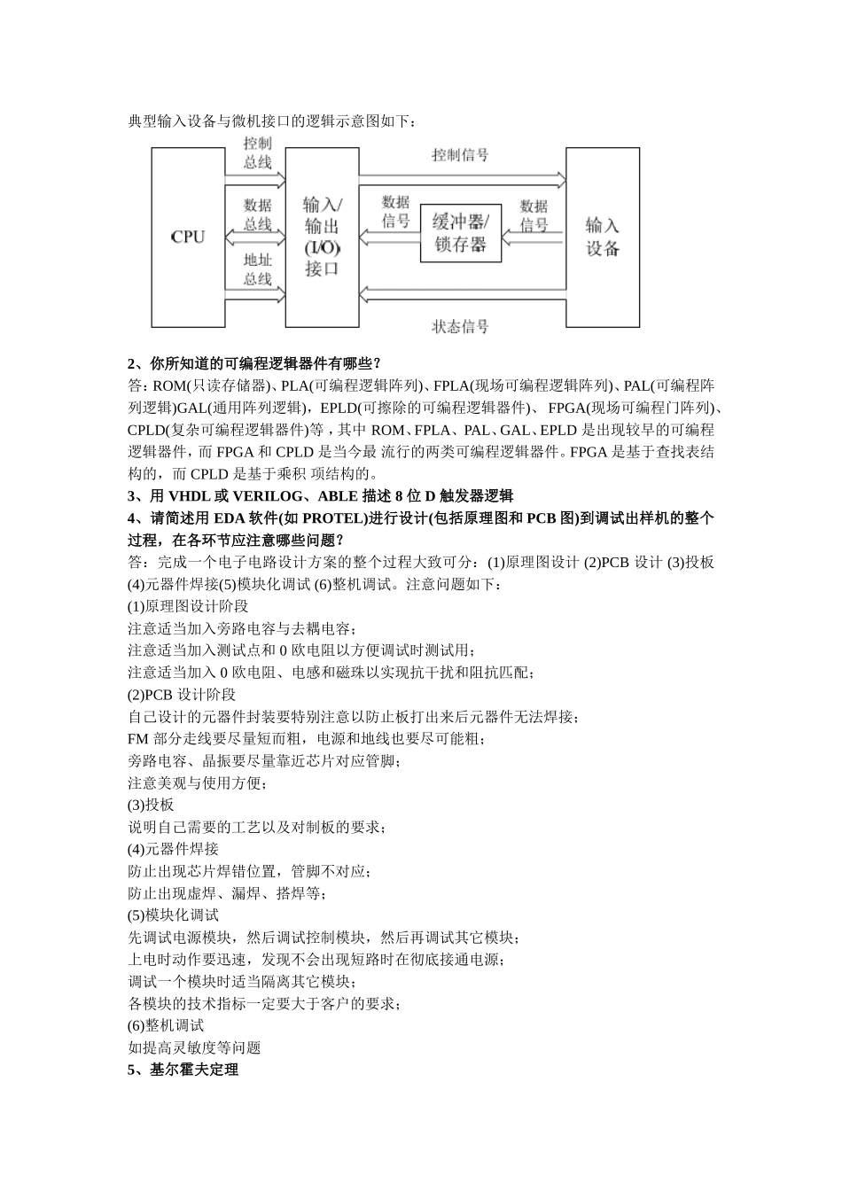
硬件工程师面试题集(DSP,嵌入式系统,电子线路,通讯,微电子,半导体)1、下面是一些基本的数字电路知识问题,请简要回答之。(1)什么是Setup和Hold时间?答:Setup/HoldTime用于测试芯片对输入信号和时钟信号之间的时间要求。建立时间(SetupTime)是指触发器的时钟信号上升沿到来以前,数据能够保持稳定不变的时间。输入数据信号应提前时钟上升沿(如上升沿有效)T时间到达芯片,这个T就是建立时间通常所说的SetupTime。如不满足SetupTime,这个数据就不能被这一时钟打入触发器,只有在下一个时钟上升沿到来时,数据才能被打入触发器。保持时间(HoldTime)是指触发器的时钟信号上升沿到来以后,数据保持稳定不变的时间。如果HoldTime不够,数据同样不能被打入触发器。(2)什么是竞争与冒险现象?怎样判断?如何消除?答:在组合逻辑电路中,由于门电路的输入信号经过的通路不尽相同,所产生的延时也就会不同,从而导致到达该门的时间不一致,我们把这种现象叫做竞争。由于竞争而在电路输出端可能产生尖峰脉冲或毛刺的现象叫冒险。如果布尔式中有相反的信号则可能产生竞争和冒险现象。解决方法:一是添加布尔式的消去项,二是在芯片外部加电容。(3)请画出用D触发器实现2倍分频的逻辑电路答:把D触发器的输出端加非门接到D端即可,如下图所示:(4)什么是"线与"逻辑,要实现它,在硬件特性上有什么具体要求?答:线与逻辑是两个或多个输出信号相连可以实现与的功能。在硬件上,要用OC门来实现(漏极或者集电极开路),为了防止因灌电流过大而烧坏OC门,应在OC门输出端接一上拉电阻(线或则是下拉电阻)。(5)什么是同步逻辑和异步逻辑?同步电路与异步电路有何区别?答:同步逻辑是时钟之间有固定的因果关系。异步逻辑是各时钟之间没有固定的因果关系.电路设计可分类为同步电路设计和异步电路设计。同步电路利用时钟脉冲使其子系统同步运作,而异步电路不使用时钟脉冲做同步,其子系统是使用特殊的“开始”和“完成”信号使之同步。异步电路具有下列优点:无时钟歪斜问题、低电源消耗、平均效能而非最差效能、模块性、可组合和可复用性。(7)你知道那些常用逻辑电平?TTL与COMS电平可以直接互连吗?答:常用的电平标准,低速的有RS232、RS485、RS422、TTL、CMOS、LVTTL、LVCMOS、ECL、ECL、LVPECL等,高速的有LVDS、GTL、PGTL、CML、HSTL、SSTL等。一般说来,CMOS电平比TTL电平有着更高的噪声容限。如果不考虑速度和性能,一般TTL与CMOS器件可以互换。但是需要注意有时候负载效应可能引起电路工作不正常,因为有些TTL电路需要下一级的输入阻抗作为负载才能正常工作。(6)请画出微机接口电路中,典型的输入设备与微机接口逻辑示意图(数据接口、控制接口、锁存器/缓冲器)典型输入设备与微机接口的逻辑示意图如下:2、你所知道的可编程逻辑器件有哪些?答:ROM(只读存储器)、PLA(可编程逻辑阵列)、FPLA(现场可编程逻辑阵列)、PAL(可编程阵列逻辑)GAL(通用阵列逻辑),EPLD(可擦除的可编程逻辑器件)、FPGA(现场可编程门阵列)、CPLD(复杂可编程逻辑器件)等,其中ROM、FPLA、PAL、GAL、EPLD是出现较早的可编程逻辑器件,而FPGA和CPLD是当今最流行的两类可编程逻辑器件。FPGA是基于查找表结构的,而CPLD是基于乘积项结构的。3、用VHDL或VERILOG、ABLE描述8位D触发器逻辑4、请简述用EDA软件(如PROTEL)进行设计(包括原理图和PCB图)到调试出样机的整个过程,在各环节应注意哪些问题?答:完成一个电子电路设计方案的整个过程大致可分:(1)原理图设计(2)PCB设计(3)投板(4)元器件焊接(5)模块化调试(6)整机调试。注意问题如下:(1)原理图设计阶段注意适当加入旁路电容与去耦电容;注意适当加入测试点和0欧电阻以方便调试时测试用;注意适当加入0欧电阻、电感和磁珠以实现抗干扰和阻抗匹配;(2)PCB设计阶段自己设计的元器件封装要特别注意以防止板打出来后元器件无法焊接;FM部分走线要尽量短而粗,电源和地线也要尽可能粗;旁路电容、晶振要尽量靠近芯片对应管脚;注意美观与使用方便;(3)投板说明自己需要的工艺以及对制板的要求;(4)元器件焊接防止出现芯片焊错位置,管脚不对应;防止出现虚焊、漏焊、搭焊等...

1、当您付费下载文档后,您只拥有了使用权限,并不意味着购买了版权,文档只能用于自身使用,不得用于其他商业用途(如 [转卖]进行直接盈利或[编辑后售卖]进行间接盈利)。
2、本站所有内容均由合作方或网友上传,本站不对文档的完整性、权威性及其观点立场正确性做任何保证或承诺!文档内容仅供研究参考,付费前请自行鉴别。
3、如文档内容存在违规,或者侵犯商业秘密、侵犯著作权等,请点击“违规举报”。

碎片内容

硬件工程师面试题集(含答案,很全)

您可能关注的文档

确认删除?
VIP
微信客服
  • 扫码咨询
会员Q群
  • 会员专属群点击这里加入QQ群
客服邮箱
回到顶部