电脑桌面
添加小米粒文库到电脑桌面
安装后可以在桌面快捷访问

最新版三体系全套内审记录VIP免费

最新版三体系全套内审记录_第1页
1/87
最新版三体系全套内审记录_第2页
2/87
最新版三体系全套内审记录_第3页
3/87
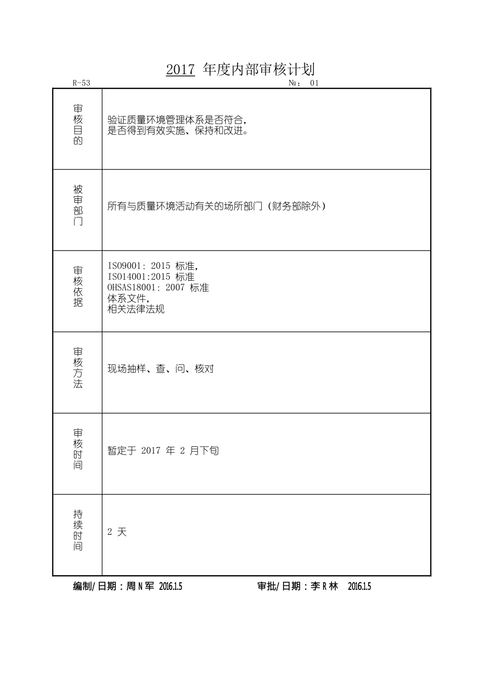
QMS/EMS/OHSMS内审报告受控状态:分发号:编号:编制:审批:发布:浙江XXXXXXXXXX制造有限公司2017年度内部审核计划R-53№:01审核目的验证质量环境管理体系是否符合,是否得到有效实施、保持和改进。被审部门所有与质量环境活动有关的场所部门(财务部除外)审核依据ISO9001:2015标准,ISO14001:2015标准OHSAS18001:2007标准体系文件,相关法律法规审核方法现场抽样、查、问、核对审核时间暂定于2017年2月下旬持续时间2天编制/日期:周N军2016.1.5审批/日期:李R林2016.1.5内审实施计划编号:R-54NO:01审核目的检查公司QMS/EMS/OHSAS18001的符合性和有效性,为迎接第三方认证注册审核准备.审核范围体系所覆盖的所有产品和部门审核依据■ISO9001:2015■ISO14001:2015;■OHSAS18001;■公司环境管理体系文件;■适用的法律法规□顾客投诉。审核日期2017.2.26-27报告发布日期2016.12.28审核组名单(A组)组长:周N军(B组)组员:陈M新日期审核时间审核部门涉及条款审核员268:00-8:30首次会议8:30-12:00管理层QMS:4.1,4.2,4.3,5.1,5.25.3,6.2,9.2,9.3,,7.1.1,9.1.1,10.3OHSMS:4.14.24.3.14.3.34.4.14.5.54.6EMS:4.14,.24.34.45.15.25.36.1.16.27.17.49.29.310.110.210.3B行政部OHSMS:4.3.14.3.24.3.34.3.44.4.14.4.24.4.34.4.4、4.4.54.4.64.4.74.5.14.5.24.5.34.5.4EMS:4.26.26.1.26.1.36.1.47.27.37.47.5.27.5.38.18.210.210.3A13:00-16:00行政部继续上午工作A销售部QMS:5.3,5.2,7.4,8.2,8.5.3,9.1.2,9.1.3OHSMS:4.3.14.3.34.4.34.4.64.5.3EMS:4.26.1.26.28.110.2B16:00-17:00审核组会议278:00-12:00生产部(车间)QMS:5.3,6.2,7.1.3,7.1.4,7.4,8.5.1,8.5.2,8.5.4,8.5.5,8.5.6OHSMS:4.3.14.3.34.3.44.4.34.4.64.4.74.5.3EMS:4.26.1.26.28.18.210.2A品质部QMS:5.3,5.2,6.2,7.1.5,7.4,8.2.3,8.6,8.7,,9.1.3,10.1,10.2OHSMS:4.3.14.3.34.4.34.4.64.4.74.5.3EMS:4.26.1.26.28.18.210.2B13:00-15:00采购部QMS:5.3,5.2,7.4,8.4,9.1.3OHSMS:4.3.14.3.34.4.34.4.64.5.3EMS:4.26.1.26.28.110.2B财务部EMS:4.26.1.26.28.110.2OHSMS:4.3.14.3.34.4.34.4.6A15:00-16:00资料整理、审核组会议16:00-17:00末次会议编制/日期:陈M新2017.2.18批准/日期:周N军2017.2.18内审会议签到表R-58内审实施时间2017-2-26至2017-2-27会议地点会议室内审组长周N军内审员陈M新首次会议参加人员签到末次会议参加人员签到姓名部门职务姓名部门职务李R林管理层总经理李R林管理层总经理陈M新行政部主任陈M新行政部主任方S珲生产部经理方S珲生产部经理冯Q奎品质部经理冯Q奎品质部经理罗A灵采购部经理罗A灵采购部经理刘Q芸财务部经理刘Q芸财务部经理童H艳销售部经理童H艳销售部经理周N军管理层管理者代表周N军管理层管理者代表会议记录R-11A/0NO:会议时间2017年2月26会议地点会议室主持人周N军记录人陈M新会议内容:内审首次会议会议记录:一、会议开始:1、参加会议人员签到;2、审核组长周N军宣布会议开始;二、人员介绍:1、审核组长周N军介绍审核组成员及审核组成员分工;三、总经理讲话:1、审核目的:a、重要性;b、为认证审核作准备;2、审核范围:所有与质量、环境、职业健康安全体系运行相关的部门和场所3、希望各部门大力配合,查出问题以便改正,确保一次性通过认证;四、审核组长周N军简要介绍审核防用的方法和程序;五、现场审核计划确认,澄清审核计划中不明确的内容;六、强调审核原则及阐明一些重要问题;七、确定审核组内部会议和本项内部审核未次会议时间、地点及应到会人员;八、会议结束。内审检查表编号:R-被审核部门:最高管理时间:2017-2-内审组长:周N内审员:李R序号一体化管理体系过程审核要点提供的实施证据Y/N注明不符合程度QMSEMSOMS14.44.24.34.1●按GB/T19001-2016、GB/T24001-2016GB/T28001-2011三个标准要求建立管理体系;●管理体系的范围是否明确,删减理由是否充分,并符合规定要求;●过程是否已被识别并适当规定,职责是否已被分配、程序是否得到实施和保持,过程是否有效;●公司对外包过程是否进行了识别和控制。(1)...

1、当您付费下载文档后,您只拥有了使用权限,并不意味着购买了版权,文档只能用于自身使用,不得用于其他商业用途(如 [转卖]进行直接盈利或[编辑后售卖]进行间接盈利)。
2、本站所有内容均由合作方或网友上传,本站不对文档的完整性、权威性及其观点立场正确性做任何保证或承诺!文档内容仅供研究参考,付费前请自行鉴别。
3、如文档内容存在违规,或者侵犯商业秘密、侵犯著作权等,请点击“违规举报”。

碎片内容

最新版三体系全套内审记录

您可能关注的文档

确认删除?
VIP
微信客服
  • 扫码咨询
会员Q群
  • 会员专属群点击这里加入QQ群
客服邮箱
回到顶部