电脑桌面
添加小米粒文库到电脑桌面
安装后可以在桌面快捷访问

铝及铝合金焊接工艺参数介绍步骤及注意事项VIP免费

铝及铝合金焊接工艺参数介绍步骤及注意事项_第1页
1/6
铝及铝合金焊接工艺参数介绍步骤及注意事项_第2页
2/6
铝及铝合金焊接工艺参数介绍步骤及注意事项_第3页
3/6
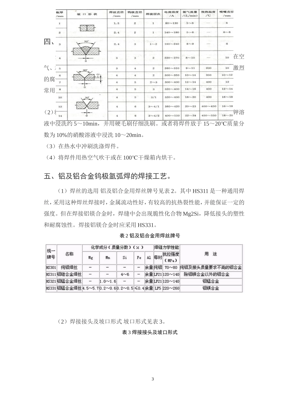
1铝及铝合金的焊接工艺技术参数介绍、方法、步骤及注意事项一、为什么MIG焊铝的工艺难题较多答:MIG焊铝的工艺难题主要有:(1)铝及铝合金的熔点低(纯铝660℃),表面生成高熔点氧化膜(AL2O32050℃),容易造成焊接不熔合;(2)低熔点共晶物和焊接应力,容易产生焊接热裂纹;(3)母材、焊材氧化膜吸附水分,焊缝容易产生气孔;(4)铝的导热性是钢的3倍,焊缝熔池的温度场变化大,控制焊缝成型的难度较大;(5)焊接变形较大。二、铝及铝合金焊接难点(1)强的氧化能力铝在空气中极易与氧结合生成致密结实的Al2O3膜薄,厚度约0.1μm。Al2O3的熔点高达2050℃,远远超过铝及铝合金的熔点(约660℃),而且体积质量大,约为铝的1.4倍。焊接过程中,氧化铝薄膜会阻碍金属之间的良好结合,并易形成夹渣。氧化膜还会吸附水分,焊接时会促使焊缝生成气孔。因此,焊前必须严格清理焊件表面的氧化物,并加强焊接区域的保护。(2)较大的热导率和比热容铝及铝合金的热导率和比热容约比钢大1倍,焊接过程中大量的热量被迅速传导到基体金属内部。因此,焊接铝及铝合金比钢要消耗更多的热量,焊前常需采取预热等工艺措施。(3)热裂纹倾向大线膨胀系数约为钢的2倍,凝固时的体积收缩率达6.5%左右,因此焊接某些铝合金时,往往由于过大的内应力而产生热裂纹。生产中常用调整焊丝成分的方法来防止产生热裂纹,如使用焊丝HS311。(4)容易形成气孔形成气孔的气体是氢。氢在液态铝中的溶解度为0.7mL/100g,而在660℃凝固温度时,氢的溶解度突降至0.04ml/100g,使原来溶2解于液态铝中的氢大量析出,形成气泡。同时,铝和铝合金的密度小,气泡在熔池中的上升速度较慢,加上铝的导热性强,熔池冷凝快,因此,上升的气泡往往来不及逸出,留在焊缝内成为气孔。弧柱气氛中的水分、焊接材料及母材表面氧化膜吸附的水分都是氢的主要来源,因此焊前必须严格做好焊件的表面清理工作。(5)接头不等强度铝及铝合金的热影响区由于受热而发生软化、强度降低使接头与母材无法达到等强度。纯铝及非热处理强化铝合金接头的强度约为母材的75%~100%;热处理强化铝合金的接头强度较小,只有母材的40%~505。(6)焊穿铝及铝合金从固态转变为液态时,无明显的颜色变化,所以不易判断母材温度,施焊时常会因温度过高无法察觉而导至焊穿。三、铝及铝合金焊前应进行哪些准备工作?(1)焊前清理清理的目的是去除焊件表面的氧化膜和油污,这是防止产生气孔、夹渣的重要措施。a化学清洗效率高、质量稳定、适用于清理焊丝及尺寸不大、成批生产的焊件。化学清洗分浸洗法和擦洗法两种,清洗剂及清洗工艺,见表1。表1铝及铝合金的化学清洗法b机械清理先用有机溶剂(丙酮、松香或汽油)擦拭焊件表面的油污,然后用细铜线刷至表面露出金属光泽,或者用刮刀清理表面。清理后的焊件应在4h内施焊,否则应重新清理。(2)垫板:为了保证焊透并使焊件不致焊穿或塌陷,焊前可在接缝下面安放垫板。垫板材料可采用石墨、不锈钢或碳钢,表面开一圆弧形槽,以保证反面焊缝成形。(3)预热:对薄、小的焊件一般可以不用预热。焊接厚度超过5mm的焊件时,为了使接缝附近达到所需要的温度,焊前应对焊件进行预热,预热温度为100~300℃。3四、铝及铝合金焊后应进行哪些清理工作?焊件焊后留在焊缝及邻近的残存熔剂和焊渣,需要及时清理干净,否则在空气、水分的作用下,残存的溶剂和焊渣会破坏具有防腐作用的氧化铝薄膜,激烈的腐蚀焊件。因此,焊后应立即严格清除焊件上残存的污物。常用的清渣方法和步骤:(1)在热水中用硬毛刷仔细地洗刷焊接接头。(2)将焊件在温度为60~80℃、质量分数为2%~3%的铬酐水溶液或重铬酸钾溶液中浸洗约5~10min,并用硬毛刷仔细洗刷。或者将焊件放于15~20℃质量分数为10%的硝酸溶液中浸洗10~20min。(3)在热水中冲刷洗涤焊件。(4)将焊件用热空气吹干或在100℃干燥箱内烘干。五、铝及铝合金钨极氩弧焊的焊接工艺。(1)焊丝的选用铝及铝合金用焊丝牌号见表2。其中HS311是一种通用焊丝,采用这种焊丝焊接时,金属流动性好,有较高的抗热裂性能,并能保证一定的强度。但在焊接铝镁合金时,焊缝中会出现脆...

1、当您付费下载文档后,您只拥有了使用权限,并不意味着购买了版权,文档只能用于自身使用,不得用于其他商业用途(如 [转卖]进行直接盈利或[编辑后售卖]进行间接盈利)。
2、本站所有内容均由合作方或网友上传,本站不对文档的完整性、权威性及其观点立场正确性做任何保证或承诺!文档内容仅供研究参考,付费前请自行鉴别。
3、如文档内容存在违规,或者侵犯商业秘密、侵犯著作权等,请点击“违规举报”。

碎片内容

铝及铝合金焊接工艺参数介绍步骤及注意事项

您可能关注的文档

确认删除?
VIP
微信客服
  • 扫码咨询
会员Q群
  • 会员专属群点击这里加入QQ群
客服邮箱
回到顶部