电脑桌面
添加小米粒文库到电脑桌面
安装后可以在桌面快捷访问

技术部部长职务说明书VIP免费

技术部部长职务说明书_第1页
1/3
技术部部长职务说明书_第2页
2/3
技术部部长职务说明书_第3页
3/3
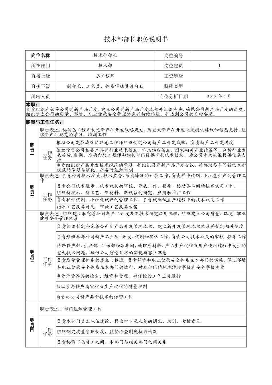
技术部部长职务说明书岗位名称技术部部长岗位编号所在部门技术部岗位定员1直接上级总工程师工资等级直接下级副部长、工艺员、体系审核员兼内勤薪酬类型所辖人员岗位分析日期2012年6月本职:负责组织和领导公司的新产品开发,建立公司的新产品开发流程并组织实施,确保公司新产品开发的进度,组织建立公司的质量、环境、职业健康安全管理体系并持续推进,并达到公司的目标要求。职责与工作任务:职责一职责表述:协助总工程师制定新产品开发战略规划,为重大新产品开发决策提供建议和信息支持,组织新产品规范的学习、培训工作工作任务根据公司发展战略协助总工程师组织制定公司新产品开发战略,负责新产品开发进度组织搜集公司相关产品的行业技术信息、市场供应信息、国家相关产业政策等,分析行业发展趋势,定期、准确向总工程师和相关部门提供有关技术信息,为公司重大决策提供信息支持负责组织新产品开发技术规范的学习,并组织召开新产品开发会议,并协助各车间新技术新规范的学习与消化,必要时组织培训职责二职责表述:负责公司技术攻关、技术监督、节能降耗的开展工作,负责样件试制、小批量生产的管理工作工作任务负责公司技术进步、技术攻关的审核、开展工作。指导、协助各车间的技术攻关工作。组织新技术、新工艺、新材料、新设备的研究、应用和推广工作负责样件试制、小批量试产的管理工作,负责试制试生产过程中的技术攻关工作指导工艺改善对策,审批工艺改善方案职责三职责表述:组织建立和完善公司新产品开发及新技术研究应用流程,组织建立公司质量、环境、职业健康安全管理体系工作任务负责组织制定和完善公司新产品开发管理流程,建立新开发管理流程体系并制定相关制度负责组织参与公司新产品立项、开发、试制和确认工作,负责公司技术攻关的审核、指导工作协助供应部、生产部、品保部和各车间,处理原材料、产品生产过程及用户使用过程中发生的重大技术问题,确保公司质量目标的实现与客户满意负责质量管理体系的建立与推进,负责环境和职业健康安全体系在本部门的实施,保证环境和职业健康安全体系在本部门的运行,对本部门的环境污染事故和安全事故负责负责计量器具的检定、维修和管理,确保检验工作正常进行协助参与供应商审核及生产过程的质量控制负责对公司新产品新技术的保密工作职责四职责表述:部门组织管理工作工作任务负责本部门员工队伍建设,提出对下属人员的调配、培训、考核意见组织制定质量管理制度,监督检查制度执行情况负责协调下属员工之间、本部门与相关部门之间关系监督下属员工的工作目标执行情况,及时给予指导负责审核月度考核计划职责五职责表述:完成总工程师、总经理交办的其他任务权力:新产品开发有关技术方面审批权对违反工艺生产的制止权公司重大技术决策会议的召集建议权对不合格产品的返修、返工、报废等处理的决定权体系、工艺纪律等考核制度的制定权权限内的财务审批权对直接下级人员调配、奖惩的建议权、任免的提名权和考核评价权对所属下级的工作的监督、检查权对公司新产品新技术的保密权对所属下级的工作争议有裁决权工作协作关系:内部协调关系生产部、营销部、供应部、品保部、机动设备部、各车间外部协调关系供应商、行业协会、认证机构、公司客户、计量机构、政府机构等任职资格:教育水平大学本科专业机械、金属材料、电气及其他理工科相关专业培训经历接受过企业管理、体系管理、财务等方面的知识培训经验5年以上工作经验,2年以上技术岗位主管经历知识掌握机械原理、机械制图、机械制造工艺、锻造工艺、热处理工艺、涂装工艺等基础理论知识掌握产品设计、制造工艺、产品质量检验的工作程序和生产过程组织的原则及方法了解生产管理知识及体系管理知识技能技巧掌握WORD,EXCEL等办公软件使用方法,具备基本的网络知识个人素质具有较强的领导能力、判断与决策能力、人际能力、沟通能力、影响力、计划与执行能力其它:使用工具设备计算机、一般办公设备(电话、传真机、打印机、Internet/Intranet网络)、交通及通讯设备工作环境办公场所工作时间特征正常工作时间,偶尔加班所需记录文档工艺流程卡、工艺图纸、不符合项...

1、当您付费下载文档后,您只拥有了使用权限,并不意味着购买了版权,文档只能用于自身使用,不得用于其他商业用途(如 [转卖]进行直接盈利或[编辑后售卖]进行间接盈利)。
2、本站所有内容均由合作方或网友上传,本站不对文档的完整性、权威性及其观点立场正确性做任何保证或承诺!文档内容仅供研究参考,付费前请自行鉴别。
3、如文档内容存在违规,或者侵犯商业秘密、侵犯著作权等,请点击“违规举报”。

碎片内容

技术部部长职务说明书

确认删除?
VIP
微信客服
  • 扫码咨询
会员Q群
  • 会员专属群点击这里加入QQ群
客服邮箱
回到顶部