电脑桌面
添加小米粒文库到电脑桌面
安装后可以在桌面快捷访问

公司内部控制制度VIP免费

公司内部控制制度_第1页
1/12
公司内部控制制度_第2页
2/12
公司内部控制制度_第3页
3/12
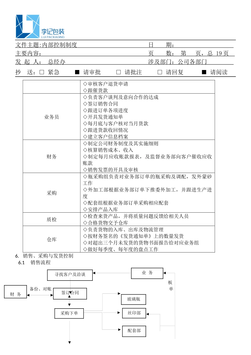
文件主题:内部控制制度日期:主要内容:页数:第页,总19页发起人:总经办涉及部门:公司各部门抄送:□紧急■请审批□请批注□请回复■请阅读广州市李记包装材料有限公司内部控制制度为完善公司各项制度,确保公司各项工作规范、有序运行,加强对公司业务、采购及仓库的内部管理,最大限度地减少因工作失误导致的损失及规避工作中出现的风险,提高公司的经营管理水平,特制定公司内部控制制度。第一章销售1.目的:为规范公司的销售行为,明确销售业务中涉及的各方各面,加强对销售业务的监督与控制,防范销售过程中的差错与舞弊。2.适用范围:本公司业务部及相关涉及部门。3.销售管理风险风险1工作失误下错单导致增加库存风险2未能及时传达客户变更信息导致公司经济损失风险3销售单价低于统一报价销售而未经过总经理审批风险4销售合同签订未经公司领导签名或加盖公章而可能导致的经济损失风险5《发货通知单》未经财务部签名确认而发货风险6应收款未能及时收回导致收入流失4.销售管理关键环节控制关键环节1岗位职责分工及权限范围明确规范关键环节2销售与发货控制流程规范严密关键环节3应收款有效管理,及时催款关键环节4往来款项定期核对,如有出错及时改正5.岗位职责分工管理控制岗位主要职责总经理◇审批公司销售制度、规定及政策◇审批公司销售任务◇审批公司产品统一报价◇审批销售订单合同及低于统一报价的订单业务经理◇制定公司销售制度、规定及计划、政策◇制定公司销售任务◇负责超出业务员权限的销售谈判◇审核销售订单合同◇审核确认《发货通知单》文件主题:内部控制制度日期:主要内容:页数:第页,总19页发起人:总经办涉及部门:公司各部门抄送:□紧急■请审批□请批注□请回复■请阅读◇审核客户退货申请◇跟催货款业务员◇负责客户谈判及意向合作的达成◇签订销售合同◇跟进订单各项进度◇开具发货通知单◇每月底与客户核对当月货款◇跟进货款收回情况◇建立客户信息档案财务◇制定公司财务制度及其实施细则◇核算销售成本、收入◇制定每月应收账款报表,及监督业务部向客户催收应收账款◇销售发票的开具及审核采购◇瓶采购组负责对业务部订单的瓶采购及调配,发外蒙砂工作◇外加工部根据业务部订单下推委外加工,并跟进生产进度◇配套组根据业务部订单采购相应配套◇安排产品入库质检◇检查来货产品,并将质量问题反馈给相关人员◇合格货物交予仓库仓库◇负责货物的入库、出库及物流管理◇按财务签名的《发货通知单》上的数量发货◇对超出三个月未发货的货物书面报告给对应业务组◇做好每季度、每年度的盘点工作6.销售、采购与发货控制6.1销售流程打板备份、对账单寻找客户及洽谈签订合同业务采购下单财务玻璃瓶配套部丝印部文件主题:内部控制制度日期:主要内容:页数:第页,总19页发起人:总经办涉及部门:公司各部门抄送:□紧急■请审批□请批注□请回复■请阅读6.2销售合同管理制度6.2.1目的:为规范销售合同的管理,避免合同协议风险,特制定本制度。6.2.2适用范围:适用于公司业务部、门市部。6.2.3新客户分类:对于新客户,由业务主管填写《新客户登记表》交李总签名确认后交财务备案。业务部根据客户类别按照客户编码规则录入K3系统。如客户类别需变更,则在季度考核前1个月书面申请变更客户性质。6.2.4销售合同格式:公司销售合同采用统一的标准格式和条款,由业务经理拟定,总经理审批。销售合同内容应至少包括供需双方全称、签约时间,产品名称、单价、数量及金额,运输方式、运费承担、交货期限、交货地点及验收方式应具体明确,付款方式及付款期限,违约责任及赔偿条款等。6.3销售合同的审批、变更与解除6.3.1业务员与客户洽谈达成合同意向,拟定合同交业务经理/主管审核,审核后交总经办审批或盖章。6.4合同签订后,由业务员将合同正本存档,副本送交财务部等相关部门。6.4.1合同履行过程中,因缺货或客户的特殊要求等,业务部或客户提出变更合同申请,由双方共同协商变更,重大合同应经总经理审核后方可变更。6.4.2根据合同规定的解除条件,产品销售的实际情况和客户的要求,业务部与客户协商解除合同。6.4.3销售合同的变更、解除一律采用书...

1、当您付费下载文档后,您只拥有了使用权限,并不意味着购买了版权,文档只能用于自身使用,不得用于其他商业用途(如 [转卖]进行直接盈利或[编辑后售卖]进行间接盈利)。
2、本站所有内容均由合作方或网友上传,本站不对文档的完整性、权威性及其观点立场正确性做任何保证或承诺!文档内容仅供研究参考,付费前请自行鉴别。
3、如文档内容存在违规,或者侵犯商业秘密、侵犯著作权等,请点击“违规举报”。

碎片内容

公司内部控制制度

您可能关注的文档

确认删除?
VIP
微信客服
  • 扫码咨询
会员Q群
  • 会员专属群点击这里加入QQ群
客服邮箱
回到顶部