电脑桌面
添加小米粒文库到电脑桌面
安装后可以在桌面快捷访问

弱电工程培训记录表VIP免费

弱电工程培训记录表_第1页
1/2
弱电工程培训记录表_第2页
2/2
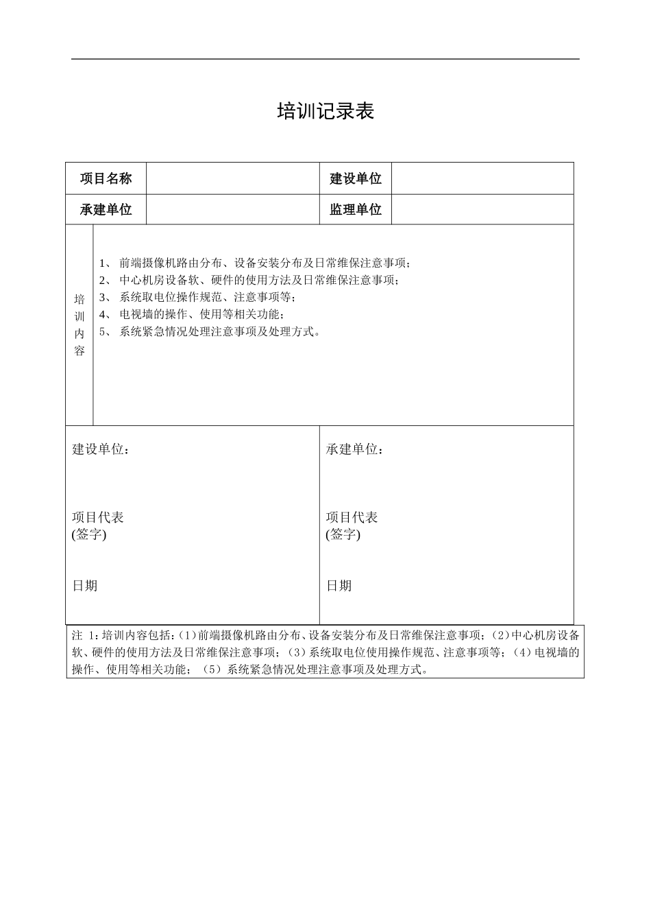
培训记录表项目名称建设单位承建单位监理单位培训内容1、前端摄像机路由分布、设备安装分布及日常维保注意事项;2、中心机房设备软、硬件的使用方法及日常维保注意事项;3、系统取电位操作规范、注意事项等;4、电视墙的操作、使用等相关功能;5、系统紧急情况处理注意事项及处理方式。建设单位:项目代表(签字)日期承建单位:项目代表(签字)日期注1:培训内容包括:(1)前端摄像机路由分布、设备安装分布及日常维保注意事项;(2)中心机房设备软、硬件的使用方法及日常维保注意事项;(3)系统取电位使用操作规范、注意事项等;(4)电视墙的操作、使用等相关功能;(5)系统紧急情况处理注意事项及处理方式。培训签到表工程名称:弱电工程姓名职务(职称)联系电话签名备注3

1、当您付费下载文档后,您只拥有了使用权限,并不意味着购买了版权,文档只能用于自身使用,不得用于其他商业用途(如 [转卖]进行直接盈利或[编辑后售卖]进行间接盈利)。
2、本站所有内容均由合作方或网友上传,本站不对文档的完整性、权威性及其观点立场正确性做任何保证或承诺!文档内容仅供研究参考,付费前请自行鉴别。
3、如文档内容存在违规,或者侵犯商业秘密、侵犯著作权等,请点击“违规举报”。

碎片内容

弱电工程培训记录表

您可能关注的文档

确认删除?
VIP
微信客服
  • 扫码咨询
会员Q群
  • 会员专属群点击这里加入QQ群
客服邮箱
回到顶部