电脑桌面
添加小米粒文库到电脑桌面
安装后可以在桌面快捷访问

学生公寓用床上用品配置质量标准试行VIP免费

学生公寓用床上用品配置质量标准试行_第1页
1/5
学生公寓用床上用品配置质量标准试行_第2页
2/5
学生公寓用床上用品配置质量标准试行_第3页
3/5
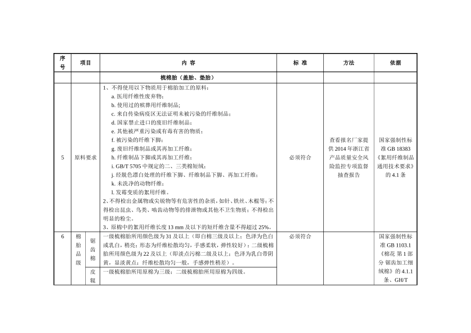
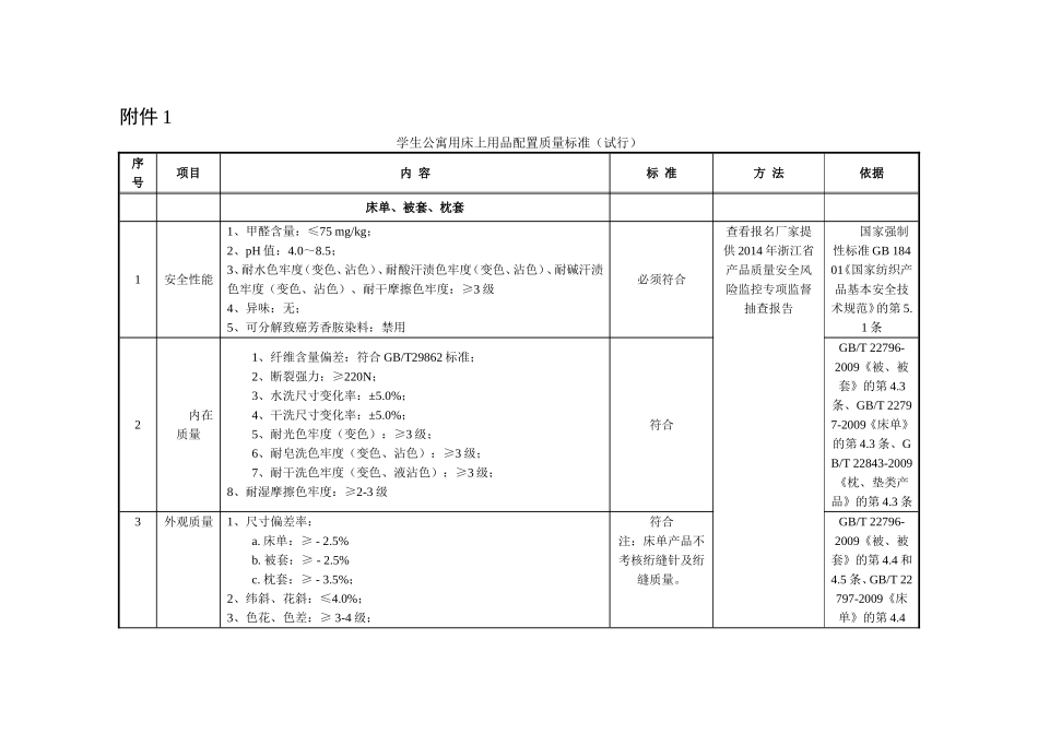
附件1学生公寓用床上用品配置质量标准(试行)序号项目内容标准方法依据床单、被套、枕套1安全性能1、甲醛含量:≤75mg/kg;2、pH值:4.0~8.5;3、耐水色牢度(变色、沾色)、耐酸汗渍色牢度(变色、沾色)、耐碱汗渍色牢度(变色、沾色)、耐干摩擦色牢度:≥3级4、异味:无;5、可分解致癌芳香胺染料:禁用必须符合查看报名厂家提供2014年浙江省产品质量安全风险监控专项监督抽查报告国家强制性标准GB18401《国家纺织产品基本安全技术规范》的第5.1条2内在质量1、纤维含量偏差:符合GB/T29862标准;2、断裂强力:≥220N;3、水洗尺寸变化率:±5.0%;4、干洗尺寸变化率:±5.0%;5、耐光色牢度(变色):≥3级;6、耐皂洗色牢度(变色、沾色):≥3级;7、耐干洗色牢度(变色、液沾色):≥3级;8、耐湿摩擦色牢度:≥2-3级符合GB/T22796-2009《被、被套》的第4.3条、GB/T22797-2009《床单》的第4.3条、GB/T22843-2009《枕、垫类产品》的第4.3条3外观质量1、尺寸偏差率:a.床单:≥-2.5%b.被套:≥-2.5%c.枕套:≥-3.5%;2、纬斜、花斜:≤4.0%;3、色花、色差:≥3-4级;符合注:床单产品不考核绗缝针及绗缝质量。GB/T22796-2009《被、被套》的第4.4和4.5条、GB/T22797-2009《床单》的第4.4序号项目内容标准方法依据4、外观疵点:破损、针眼:破损不允许,针眼长度小于20cm;色、污渍轻微允许3处/件;5、印花、图案质量不影响整体外观;6、缝纫质量:缝迹匀、直、牢固,卷边拼缝平服齐直,宽狭一致,不露毛,面(里)料缝制错位小于1cm;边口处应打回针;跳针、浮针、漏针、脱线不超过1针/处,每件产品不超过3处;偏针不超过0.5cm/20cm;7、附件:选用适合的缝线、纽扣、拉链等附件,且质量符合相关标准要求。条、GB/T22843-2009《枕、垫类产品》的第4.4条4产品标识1、产品名称;2产品规格(长度×宽度、填充物重量);3、纤维成分(按GB/T29862的规定标明其纤维的成分及含量);4、维护方法(按GB/T8685规定的图形符号表述维护方法,当图形符号满足不了需要时,可用文字予以说明);5、执行标准(标明所执行的国家、行业、地方或企业的产品标准编号);6、安全类别(应根据GB18401标明产品的安全类别,床上用品属于B类);7、质量等级;一等品8、制造商名称及地址9、检验合格证明其中规格、纤维成分及含量和维护方法三项内容应采用耐久性标签。必须符合查看报名厂家提供2014年浙江省产品质量安全风险监控专项监督抽查报告国家强制性标准GB5296.4《消费品使用说明第4部分纺织品和服装》的第5章和第6章注:以上项目全部符合本标准要求的床上用品三件套,才能参评学生公寓用床上用品招标。序号项目内容标准方法依据梳棉胎(盖胎、垫胎)5原料要求1、不得使用以下物质用于棉胎加工的原料:a.医用纤维性废弃物;b.使用过的殡葬用纤维制品;c.来自传染病疫区无法证明未被污染的纤维制品;d.国家禁止进口的废旧纤维制品;e.其他被严重污染或有毒有害的物质;f.被污染的纤维下脚;g.废旧纤维制品或其再加工纤维;h.纤维制品下脚或其再加工纤维;i.GB/T5705中规定的二、三类棉短绒;j.经脱色漂白处理的纤维下脚、纤维制品下脚、再加工纤维;k.未洗净的动物纤维;l.发霉变质的絮用纤维。2、不得检出金属物或尖锐物等有危害性的杂质,如针、铁丝、木棍等;不得检出昆虫、鸟类、啮齿动物等的排泄物或其他不卫生物质;不得检出明显的粉尘。3、原棉中的絮用纤维长度13mm及以下的短纤维含量不得超过25%。必须符合查看报名厂家提供2014年浙江省产品质量安全风险监控专项监督抽查报告国家强制性标准GB18383《絮用纤维制品通用技术要求》的4.1条6棉胎品级锯齿棉一级梳棉胎所用颜色级为31及以上(即白棉三级及以上;色泽为色白或乳白,稍亮;形态为纤维松散均匀,手感柔软,弹性较好);二级梳棉胎所用颜色级为22及以上(即淡点污棉二级及以上;色泽为乳白带阴黄,显淡黄点;纤维松散均匀一般,手感弹性稍差)。必须符合国家强制性标准GB1103.1《棉花第1部分锯齿加工细绒棉》的4.1.1条、GH/T皮辊一级梳棉胎所用原棉为三级;二级梳棉胎所用原棉为四级。棉1020《梳棉胎》的第4.2和5.17含杂率一级:≤0....

1、当您付费下载文档后,您只拥有了使用权限,并不意味着购买了版权,文档只能用于自身使用,不得用于其他商业用途(如 [转卖]进行直接盈利或[编辑后售卖]进行间接盈利)。
2、本站所有内容均由合作方或网友上传,本站不对文档的完整性、权威性及其观点立场正确性做任何保证或承诺!文档内容仅供研究参考,付费前请自行鉴别。
3、如文档内容存在违规,或者侵犯商业秘密、侵犯著作权等,请点击“违规举报”。

碎片内容

学生公寓用床上用品配置质量标准试行

确认删除?
VIP
微信客服
  • 扫码咨询
会员Q群
  • 会员专属群点击这里加入QQ群
客服邮箱
回到顶部