电脑桌面
添加小米粒文库到电脑桌面
安装后可以在桌面快捷访问

人防模板工程专项施工方案VIP专享VIP免费

人防模板工程专项施工方案_第1页
1/15
人防模板工程专项施工方案_第2页
2/15
人防模板工程专项施工方案_第3页
3/15
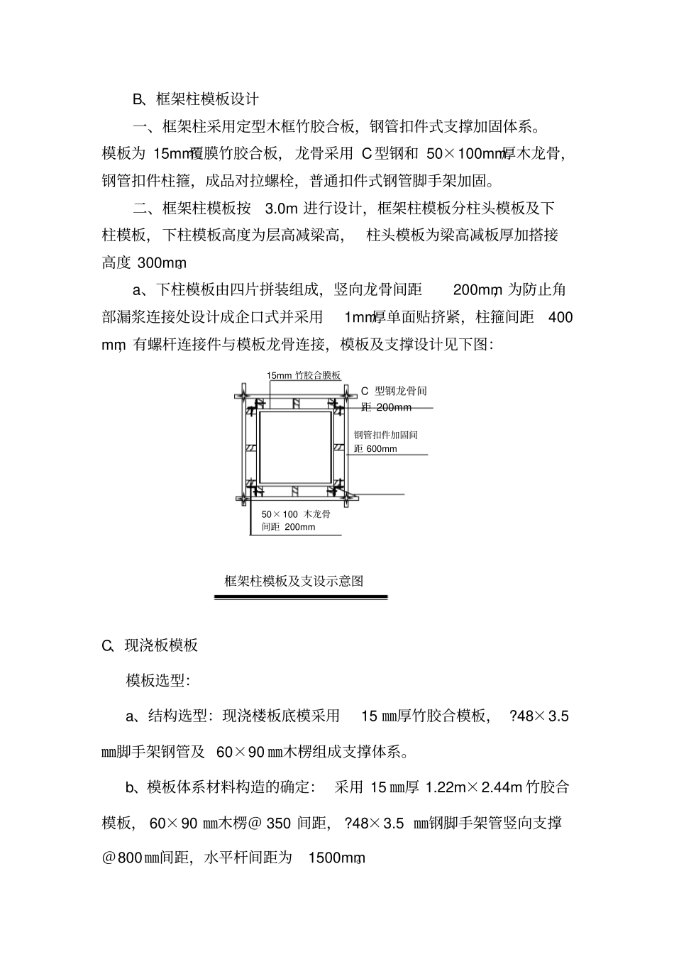
模板工程施工方案1.施工简介本工程为天业恒瑞达房产57小区地下人防车库。框架结构板均采用塑料模板配合竹胶板施工。A基础结构形式为筏板基础,主体部分包括剪力墙、框架柱、框架梁填充墙。B、结合本工程的特点和施工部署的需要。模板工程是影响结构工程质量的最关键的因素,其施工质量的好坏直接影响着砼的成型质量,为了使砼的外形尺寸、外观质量到达较高要求,我们将充分发挥在模板工程上的优势,利用先进、合理的模板体系和施工方法,满足工程质量的要求。2.施工准备2.1模板体系的选用及模板的配置数量模板体系的选用及模板的配置数量附表12.2模板的准备A、模板按各使用部位的计划数量进行配置,配制好以后应按不同部位、规格进行编号,组合钢模板按柱基的尺寸选用。B、模板制作时其拼装木制侧面应平直光滑,其中竖向模板考虑序号结构部位模板体系的选用配置数量1框架柱定型木框竹胶合模板拼装钢管扣件式脚手架加固体系配置1-6段柱模板2框架梁、现浇梁定型木框竹胶合模板拼装钢管扣件式脚手架加固体系配置1-6段梁侧模配置1-6段梁底模3剪力墙塑料模板配合竹胶板钢管扣件式脚手架加固体系配置1-6段剪力墙模4楼梯定型竹胶合板模板钢管扣件式脚手架加固体系5柱基定型竹胶合板模板到砼浇筑后的侧压力,组合截面尺寸按砼结构质量验收规范规定的允许负偏差值进行控制。C、每块模板配制好后,其四个侧面均应涂刷酚醛树脂漆进行封闭,防止使用时遇水膨胀变形或损坏,影响施工质量。D、模板隔离剂选用皂角隔离剂,涂刷好后按指定位置码放整齐。使用后的模板将模板表面清理干净重新涂刷隔离剂,以备用。2.3模板设计及制作A、根据本工程结构形式、各项荷载、地基土类、所选用的施工方法等条件设计模板及其支架,其中模板设计中含有模板体系的计算,计算内容包括以下几项:砼侧压力及荷载计算;板面强度及刚度验算;次龙骨强度及刚度验算;主龙骨强度及刚度验算;对拉螺杆强度的验算。B、根据模板设计图进行翻样,提供模板设计规格和制作数量进行模板制作,并按其规格、类型编号和使用部位注明标识;所有定型模板自制。C、模板设计及制作时,应兼顾考虑其适用性和通用性,宜多标准型、少异型,多通用、多周转,不断改进和创新。2.4模板的细部设计A、基础模板的设计a、垫层一、基坑清理完毕后及时将轴线引入基坑内,以轴线为基准支垫层模板。二、采用50×100的木方支模板,拉线固定按设计标高进行抄平,木方顶作为混凝土标高控制面。b、筏板模板设计一、筏板采用组合竹胶合板模板,采用钢管脚手架加固体系。二、基底标高为-6.30m,按设计规定内外墙条基柱基应和筏板一起整浇,且整浇至剪力墙根部300处留置施工缝,焊接止水钢板。B、框架柱模板设计一、框架柱采用定型木框竹胶合板,钢管扣件式支撑加固体系。模板为15mm覆膜竹胶合板,龙骨采用C型钢和50×100mm厚木龙骨,钢管扣件柱箍,成品对拉螺栓,普通扣件式钢管脚手架加固。二、框架柱模板按3.0m进行设计,框架柱模板分柱头模板及下柱模板,下柱模板高度为层高减梁高,柱头模板为梁高减板厚加搭接高度300mm。a、下柱模板由四片拼装组成,竖向龙骨间距200mm,为防止角部漏浆连接处设计成企口式并采用1mm厚单面贴挤紧,柱箍间距400mm,有螺杆连接件与模板龙骨连接,模板及支撑设计见下图:C、现浇板模板模板选型:a、结构选型:现浇楼板底模采用15㎜厚竹胶合模板,?48×3.5㎜脚手架钢管及60×90㎜木楞组成支撑体系。b、模板体系材料构造的确定:采用15㎜厚1.22m×2.44m竹胶合模板,60×90㎜木楞@350间距,?48×3.5㎜钢脚手架管竖向支撑@800㎜间距,水平杆间距为1500mm。15mm竹胶合膜板50×100木龙骨间距200mm钢管扣件加固间距600mmC型钢龙骨间距200mm框架柱模板及支设示意图恒荷载包括:脚手架立杆、纵、横向水平杆和扣件、模板及木龙骨自重、钢筋混凝土等重量。活荷载包括:作业层上人员、设备、工具、振动棒的振动荷载及风荷载。b、模板支架立杆的轴向力设计值NN=1.2∑NGK+0.85×1.4∑NQK∑NGK:模板及支架自重,新浇混凝土自重与钢筋自重标准值产生的轴向力总和。∑NQK:施工人员及设备荷载标准值、振捣混凝土产生荷载标准值产生的轴向...

1、当您付费下载文档后,您只拥有了使用权限,并不意味着购买了版权,文档只能用于自身使用,不得用于其他商业用途(如 [转卖]进行直接盈利或[编辑后售卖]进行间接盈利)。
2、本站所有内容均由合作方或网友上传,本站不对文档的完整性、权威性及其观点立场正确性做任何保证或承诺!文档内容仅供研究参考,付费前请自行鉴别。
3、如文档内容存在违规,或者侵犯商业秘密、侵犯著作权等,请点击“违规举报”。

碎片内容

人防模板工程专项施工方案

确认删除?
VIP
微信客服
  • 扫码咨询
会员Q群
  • 会员专属群点击这里加入QQ群
客服邮箱
回到顶部