电脑桌面
添加小米粒文库到电脑桌面
安装后可以在桌面快捷访问

中考物理化学适应性试卷(3月)(pdf) 四川省凉山州中考物理化学适应性试卷(3月)(pdf)VIP免费

中考物理化学适应性试卷(3月)(pdf) 四川省凉山州中考物理化学适应性试卷(3月)(pdf)_第1页
1/8
中考物理化学适应性试卷(3月)(pdf) 四川省凉山州中考物理化学适应性试卷(3月)(pdf)_第2页
2/8
中考物理化学适应性试卷(3月)(pdf) 四川省凉山州中考物理化学适应性试卷(3月)(pdf)_第3页
3/8
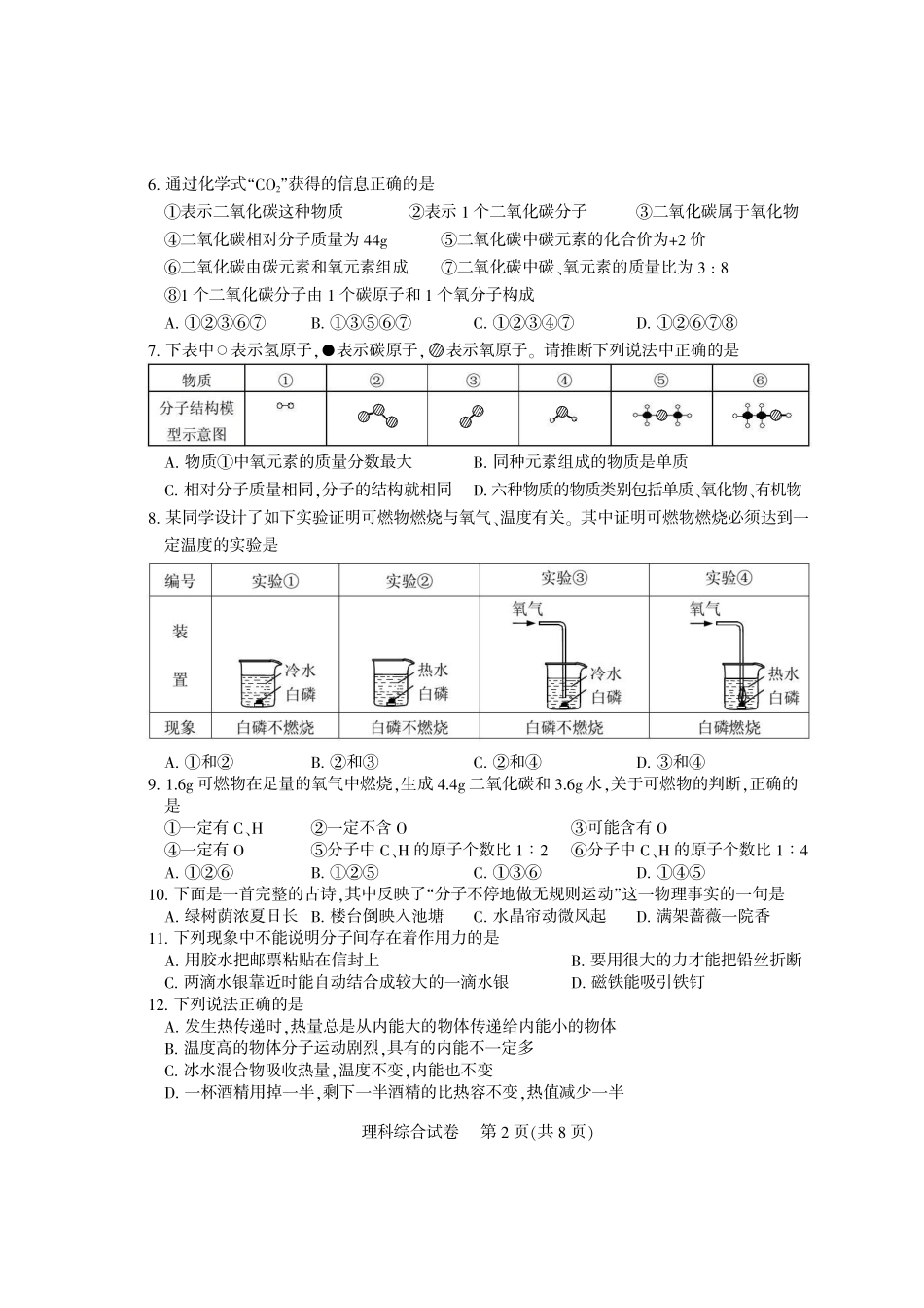
一尧选择题渊本试题共19题袁每题2分袁共38分,每题只有一个选项符合题意冤1.下列物质属于纯净物的是A.酒精B.盐酸C.石灰石D.碘盐2.下列对质量守恒定律的理解正确的是A.10g冰完全熔化可生成10g水B.一氧化碳燃烧时袁参加反应的一氧化碳与氧气的体积之和等于生成的二氧化碳体积C.4g木炭和5g氧气完全反应生成9g二氧化碳D.电解水时袁被电解的水的质量等于生成的氢气和氧气的质量之和3.一辆客车夜晚行驶在公路上袁发现油箱漏油袁车箱里充满了汽油的气味袁这时应该采取的应急措施是A.洒水降温并溶解汽油蒸气B.开灯查找漏油部位袁及时修理C.严禁一切烟火袁打开所有车窗袁疏散乘客离开车箱D.让车内人员坐好袁不要随意走动4.判断下列说法正确的是A.在某些化学反应中使用催化剂可提高生成物的产率B.在化合物里袁各元素化合价的正价总和与负价总和绝对值相等C.由于稀有气体不能与其他物质发生化学反应袁故可做灯泡的保护气D.氧气化学性质比较活泼袁能燃烧5.以下事实袁不能说明分子间有间隔的是A.海绵能吸水B.用打气筒能将气体压缩C.物体有热胀冷缩的现象D.酒精和水混合后袁总体积小于两者的体积之和本试卷共8页袁满分130分袁化学50分袁物理80分袁考试时间120分钟遥注意事项院1.答题前袁考生务必将自己的姓名尧座位号尧准考证号用0.5毫米的黑色签字笔填写在答题卡上袁并检查条形码粘贴是否正确遥2.选择题使用2B铅笔涂在答题卡对应题目标号的位置上曰非选择题用0.5毫米黑色签字笔书写在答题卡的对应框内袁超出答题区域书写的答案无效曰在草稿纸尧试卷上答题无效遥3.考试结束后袁将答题卡收回遥可能用到的相对原子质量院H-1O-16C-12Cl-35.5N-14Mg-24Ca-402017届凉山州初三中考适应性考试理科综合试卷理科综合试卷第1页渊共8页冤第玉卷选择题渊共38分冤6.通过化学式野CO2冶获得的信息正确的是淤表示二氧化碳这种物质于表示1个二氧化碳分子盂二氧化碳属于氧化物榆二氧化碳相对分子质量为44g虞二氧化碳中碳元素的化合价为+2价愚二氧化碳由碳元素和氧元素组成舆二氧化碳中碳尧氧元素的质量比为3:8余1个二氧化碳分子由1个碳原子和1个氧分子构成A.淤于盂愚舆B.淤盂虞愚舆C.淤于盂榆舆D.淤于愚舆余7.下表中表示氢原子袁荫表示碳原子袁表示氧原子遥请推断下列说法中正确的是A.物质淤中氧元素的质量分数最大B.同种元素组成的物质是单质C.相对分子质量相同袁分子的结构就相同D.六种物质的物质类别包括单质尧氧化物尧有机物8.某同学设计了如下实验证明可燃物燃烧与氧气尧温度有关遥其中证明可燃物燃烧必须达到一定温度的实验是A.淤和于B.于和盂C.于和榆D.盂和榆9.1.6g可燃物在足量的氧气中燃烧袁生成4.4g二氧化碳和3.6g水袁关于可燃物的判断袁正确的是淤一定有C尧H于一定不含O盂可能含有O榆一定有O虞分子中C尧H的原子个数比1︰2愚分子中C尧H的原子个数比1︰4A.淤于愚B.淤于虞C.淤盂愚D.淤榆虞10援下面是一首完整的古诗袁其中反映了野分子不停地做无规则运动冶这一物理事实的一句是A.绿树荫浓夏日长B.楼台倒映入池塘C.水晶帘动微风起D.满架蔷薇一院香11.下列现象中不能说明分子间存在着作用力的是A.用胶水把邮票粘贴在信封上B.要用很大的力才能把铅丝折断C.两滴水银靠近时能自动结合成较大的一滴水银D.磁铁能吸引铁钉12.下列说法正确的是A.发生热传递时袁热量总是从内能大的物体传递给内能小的物体B.温度高的物体分子运动剧烈袁具有的内能不一定多C.冰水混合物吸收热量袁温度不变袁内能也不变D.一杯酒精用掉一半袁剩下一半酒精的比热容不变袁热值减少一半理科综合试卷第2页渊共8页冤茵13.野6A冶最可能是下列哪个用电器的正常工作电流A.普通的白炽灯B.家用空调C.彩色电视机D.家用电冰箱14.如图所示是两定阻电阻A和B的电流与电压关系图象袁如果将两电阻A和B串联后接在3V电源两端遥下列结论正确的是A.通过B的电流是通过A的电流的二分之一B.B两端电压和A两端电压相等C.B的电阻是A的电阻的两倍D.B的电功率是A的电功率的四倍15.一台野220V60W冶的电风扇尧一盏野36V60W冶的白炽灯和一只野110V60W冶的电热器各自在额定电压下工作袁比较它们相同通电时间内产生的热量是A.电风扇最多B.电热器最多C.白炽灯最多D.三者一样多16...

1、当您付费下载文档后,您只拥有了使用权限,并不意味着购买了版权,文档只能用于自身使用,不得用于其他商业用途(如 [转卖]进行直接盈利或[编辑后售卖]进行间接盈利)。
2、本站所有内容均由合作方或网友上传,本站不对文档的完整性、权威性及其观点立场正确性做任何保证或承诺!文档内容仅供研究参考,付费前请自行鉴别。
3、如文档内容存在违规,或者侵犯商业秘密、侵犯著作权等,请点击“违规举报”。

碎片内容

中考物理化学适应性试卷(3月)(pdf) 四川省凉山州中考物理化学适应性试卷(3月)(pdf)

您可能关注的文档

雨丝书吧+ 关注
实名认证
内容提供者

乐于和他人分享知识,从事历史教学,热爱教育,高度负责。

相关文档

确认删除?
VIP
微信客服
  • 扫码咨询
会员Q群
  • 会员专属群点击这里加入QQ群
客服邮箱
回到顶部